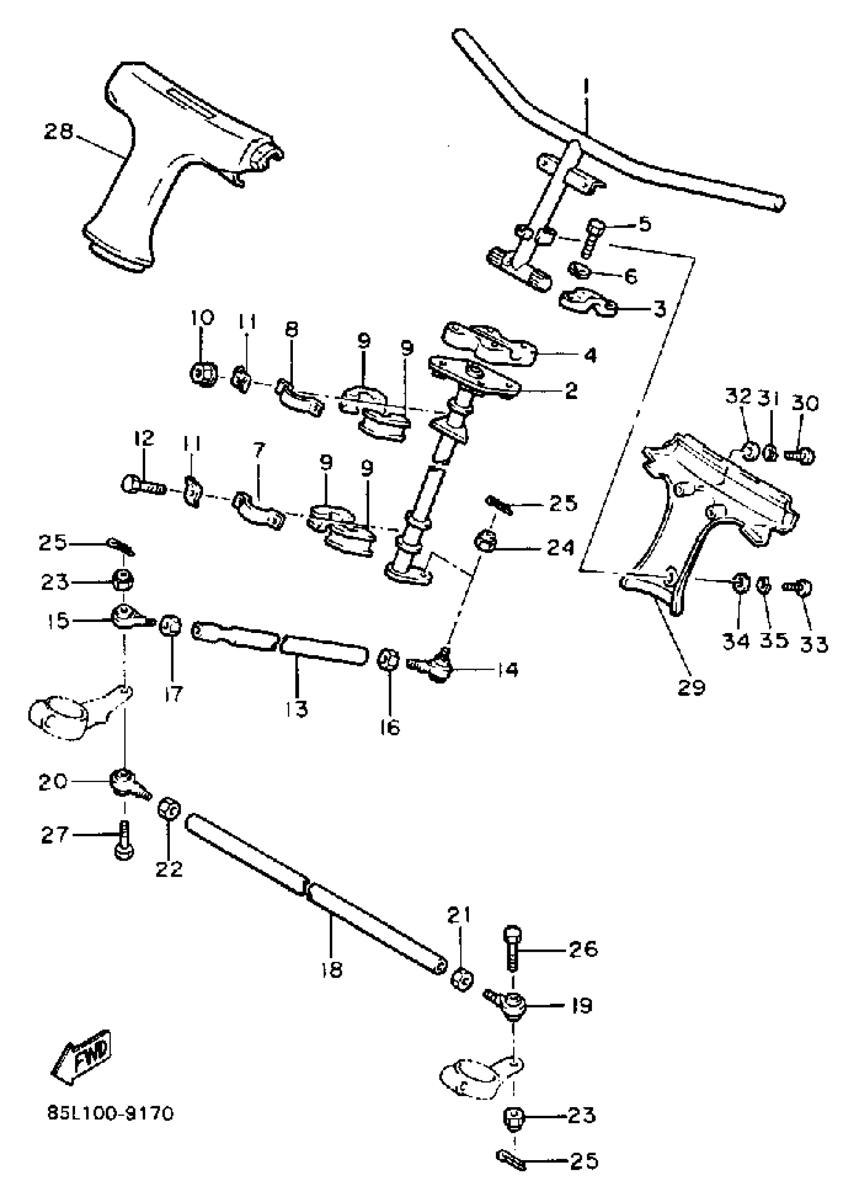
Yamaha CS340EN (OVATION DELUXE (ELEC START)) 1989 STEERING Diagram
#
Description
Price
1
COLUMN, STEERING
85N-23811-00-00
Unavailable
2
COLUMN, STEERING 2
85L-23813-00-00
Unavailable
4
HANDLE, HOLDER
164-23441-01-98
Unavailable
7
BRACKET, STEERING LOWER
84M-23868-00-00
Unavailable
8
HOLDER, BEARING
84M-23872-00-00
Unavailable
9
BEARING, STEERING
8F3-23812-00-00
Unavailable
13
ROD,STEERING RELAY
85L-23821-00-00
Unavailable
16
NUT (682)
95380-10700-00
Unavailable
17
NUT, HEXAGON (8A5)
90170-10186-00
Unavailable
18
ROD, TIE
85L-23831-00-00
Unavailable
19
JOINT, UNIVERSAL 2
87S-23845-01-00
Unavailable
21
NUT (682)
95380-10700-00
Unavailable
22
NUT, HEXAGON (8A5)
90170-10186-00
Unavailable
23
NUT, NYLON
95707-10300-00
Unavailable
24
NUT, SELF-LOCKING (8J8)
90185-10085-00
Unavailable
25
PIN, COTTER
91490-25020-00
Unavailable
26
BOLT, WITH HOLE
90102-10031-00
Unavailable
27
BOLT
90109-10767-00
Unavailable
28
PAD, STEERING
8W6-23815-00-00
Unavailable
29
PAD, STEERING
85N-23817-00-00
Unavailable
30
SCREW, PAN HEAD
98517-05030-00
Unavailable
31
WASHER(3SX)
92907-05100-00
Unavailable
32
WASHER(1RW)
92907-05600-00
Unavailable
33
GASKET, EXHAUST
98507-05008-00
Unavailable
34
WASHER, PLAIN LARGE
92907-05200-00
Unavailable
35
WASHER(3SX)
92907-05100-00
Unavailable
