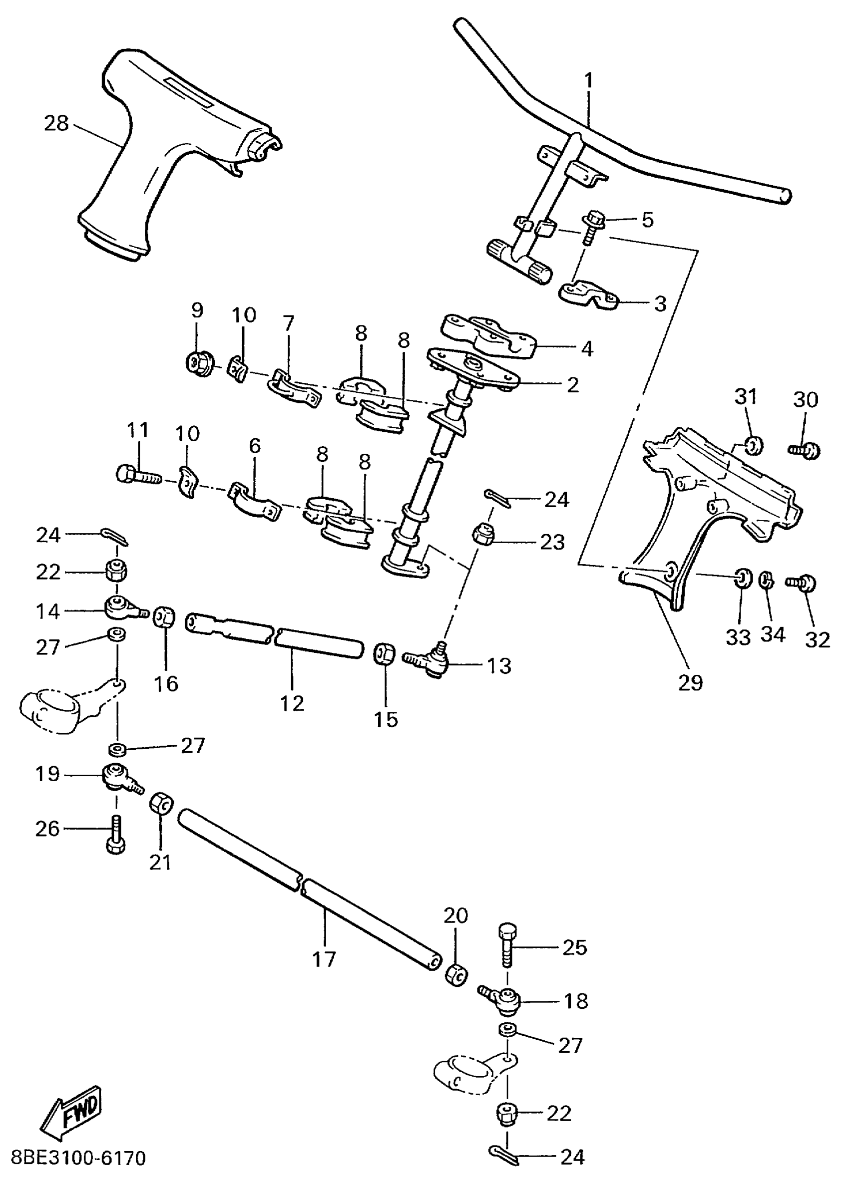
Yamaha CS340EC (OVATION LE) 8BE6 1999 STEERING Diagram
#
Description
Price
1
COLUMN, STEERING
85N-23811-00-00
Unavailable
2
COLUMN, STEERING 2
85L-23813-00-00
Unavailable
4
HANDLE, HOLDER
164-23441-01-98
Unavailable
6
BRACKET, STEERING LOWER
84M-23868-00-00
Unavailable
7
HOLDER, BEARING
84M-23872-00-00
Unavailable
8
BEARING, STEERING
8F3-23812-00-00
Unavailable
12
ROD,STEERING RELAY
85L-23821-00-00
Unavailable
16
NUT, HEXAGON (8A5)
90170-10186-00
Unavailable
17
ROD, TIE
85L-23831-00-00
Unavailable
18
JOINT, UNIVERSAL 2
87S-23845-01-00
Unavailable
21
NUT, HEXAGON (8A5)
90170-10186-00
Unavailable
22
NUT, NYLON
95707-10300-00
Unavailable
23
NUT, SELF-LOCKING (8J8)
90185-10085-00
Unavailable
24
PIN, COTTER
91490-25020-00
Unavailable
25
BOLT, PIN HOLE (8M6)
90102-10044-00
Unavailable
26
BOLT, HEXAGON SOCKET HEAD(85L)
90110-10173-00
Unavailable
27
WASHER PLATE (3L6)
90201-08759-00
Unavailable
28
PAD, STEERING
8W9-23815-00-00
Unavailable
29
PAD,STEERING
88E-23817-00-00
Unavailable
30
SCREW, PAN HEAD
98517-05030-00
Unavailable
31
WASHER(1RW)
92907-05600-00
Unavailable
32
GASKET, EXHAUST
98507-05008-00
Unavailable
33
WASHER, PLAIN LARGE
92907-05200-00
Unavailable
34
WASHER(3SX)
92907-05100-00
Unavailable
