- Partiron
- OEM Parts
- Yamaha
- snowmobile
- 1997
- CS340EA (OVATION LE) 1997
SECONDARY SHEAVE
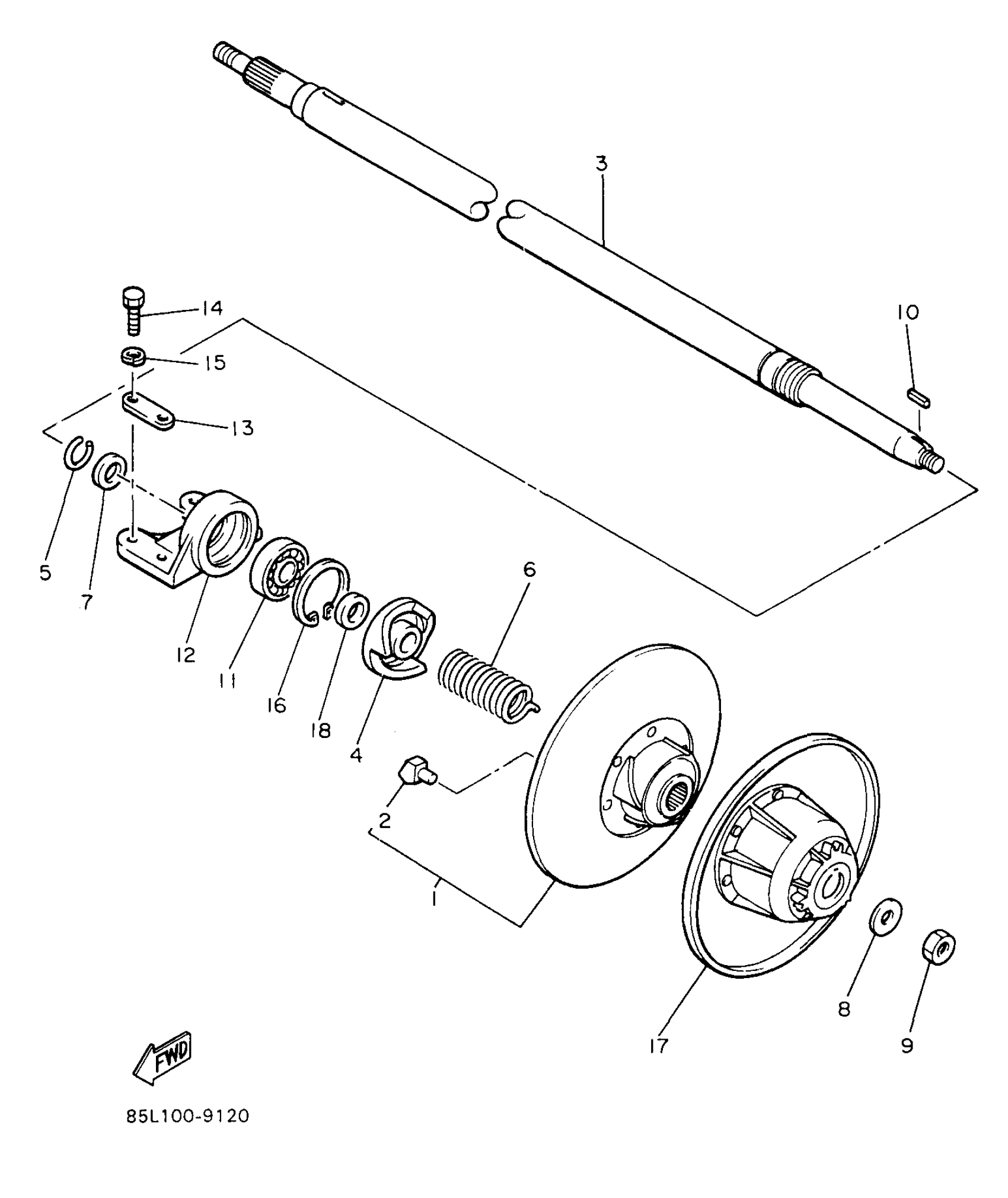
Yamaha CS340EA (OVATION LE) 1997 SECONDARY SHEAVE Diagram
#
Description
Price
2
SHOE, RAMP
85L-17688-01-00
Unavailable
3
SHAFT, SECONDARY
85L-17681-01-00
Unavailable
4
SEAT, SECONDARY SPRING
85L-17684-00-00
Unavailable
5
CIRCLIP (8R4)
93440-25100-00
Unavailable
6
SPRING, TORSION
90508-45763-00
Unavailable
12
HOUSING, BEARING
85L-47631-00-00
Unavailable
13
PLATE 3
85L-17691-00-00
Unavailable
16
CIRCLIP(26H)
99009-52500-00
Unavailable
17
SECONDARY FIXED SHEAVE COMP.
8R4-17660-00-00
Unavailable
18
COLLAR
90387-250V1-00
Unavailable
