- Partiron
- OEM Parts
- Polaris
- Motorcycle
- VIC
- 2012
- CROSS COUNTRY ALL OPTIONS - V12TW36/DW36/KW36
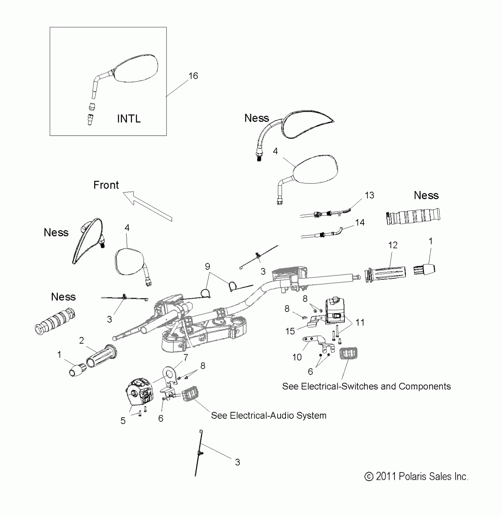
STEERING, HANDLEBAR ASM. and CONTROLS - V12TW36/DW36/KW36 ALL OPTIONS (49VICHANDLEBARASM12CC)
Polaris CROSS COUNTRY ALL OPTIONS - V12TW36/DW36/KW36 STEERING, HANDLEBAR ASM. and CONTROLS - V12TW36/DW36/KW36 ALL OPTIONS (49VICHANDLEBARASM12CC) Diagram
#
1
CAP, HANDLEBAR
5437103
Unavailable
1
CAP, HANDLEBAR
5437103
Unavailable
2
GRIP, HANDLEBAR, LH
5413019
Unavailable
2
Grip, Handlebar, Heated, LH [Touring]
5413493
Unavailable
4
ASM., MIRROR, RH, CHROME
2633691-156
Unavailable
4
ASM., MIRROR, LH, CHROME
2633690-156
Unavailable
4
NUT, JAM, MIRROR, CHROME
7547397-156
Unavailable
4
Mirror, LH, Ness, Chrome
2633529-156
Unavailable
4
ASM., MIRROR, RH, CHROME
2633691-156
Unavailable
4
ASM., MIRROR, LH, CHROME
2633690-156
Unavailable
4
NUT, JAM, MIRROR, CHROME
7547397-156
Unavailable
4
Mirror, LH, Ness, Chrome
2633529-156
Unavailable
5
SCREW, BLACK
7517816
Unavailable
5
SWITCH, CONTROL, LH, BLACK
4012119-067
Unavailable
6
SCREW
7518691
Unavailable
6
SCREW
7518691
Unavailable
7
Bracket, Audio Mount, Black ZNC
5251320-408
Unavailable
8
SCREW
7517420
Unavailable
8
SCREW
7517420
Unavailable
8
SCREW
7517420
Unavailable
10
ASM., BRACKET, CRUISE SWITCH, ZNC BLACK
1017592-408
Unavailable
11
SCREW, BLACK
7518888
Unavailable
11
SCREW, BLACK
7518890
Unavailable
11
SCREW, BLACK
7518886
Unavailable
11
SWITCH, CONTROL, RH, BLACK
4011357-067
Unavailable
12
GRIP, HANDLEBAR, RH
5413501
Unavailable
12
Grip, Handlebar, Heated, RH [Touring]
5413494
Unavailable
13
CABLE, THROTTLE PUSH, CRUISE
7081574
Unavailable
13
CABLE, CRUISE
7081612
Unavailable
14
Cable, Throttle Pull [Non Cruise]
7081309
Unavailable
15
BRACKET, GUARD, THROTTLE
5254008
Unavailable
16
ASM., MIRROR, RH, CHROME [INT'L]
2877741-156
Unavailable
16
NUT, MIRROR, POST, CHROME [INT'L]
7547455-156
Unavailable
16
NUT, JAM, MIRROR, LH, CHROME [INT'L]
7547456-156
Unavailable
16
ASM., MIRROR, LH, CHROME [INT'L]
2877740-156
Unavailable
