- Partiron
- OEM Parts
- Honda
- MOTORCYCLE
- 2020
- CRF250RLAC (20) MOTORCYCLE, THA, VIN# MLHMD440-L5300001
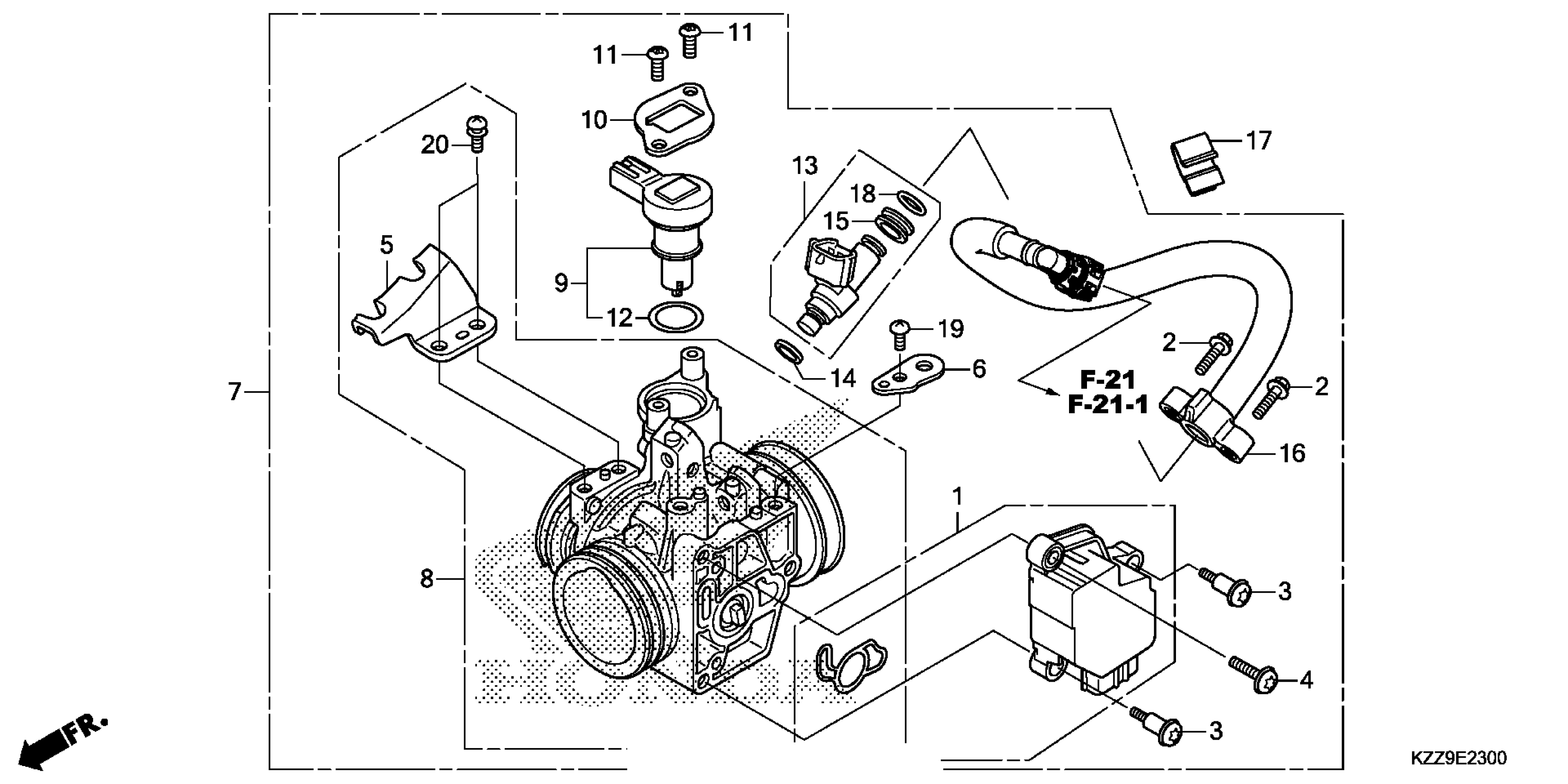
THROTTLE BODY
Honda CRF250RLAC (20) MOTORCYCLE, THA, VIN# MLHMD440-L5300001 THROTTLE BODY Diagram
#
Description
Price
THROTTLE BODY
#
Edit ride
