- Partiron
- OEM Parts
- Honda
- MOTORCYCLE
- 1995
- CR80RA (95) MOTORCYCLE, JPN, VIN# JH2HE040-SK200001
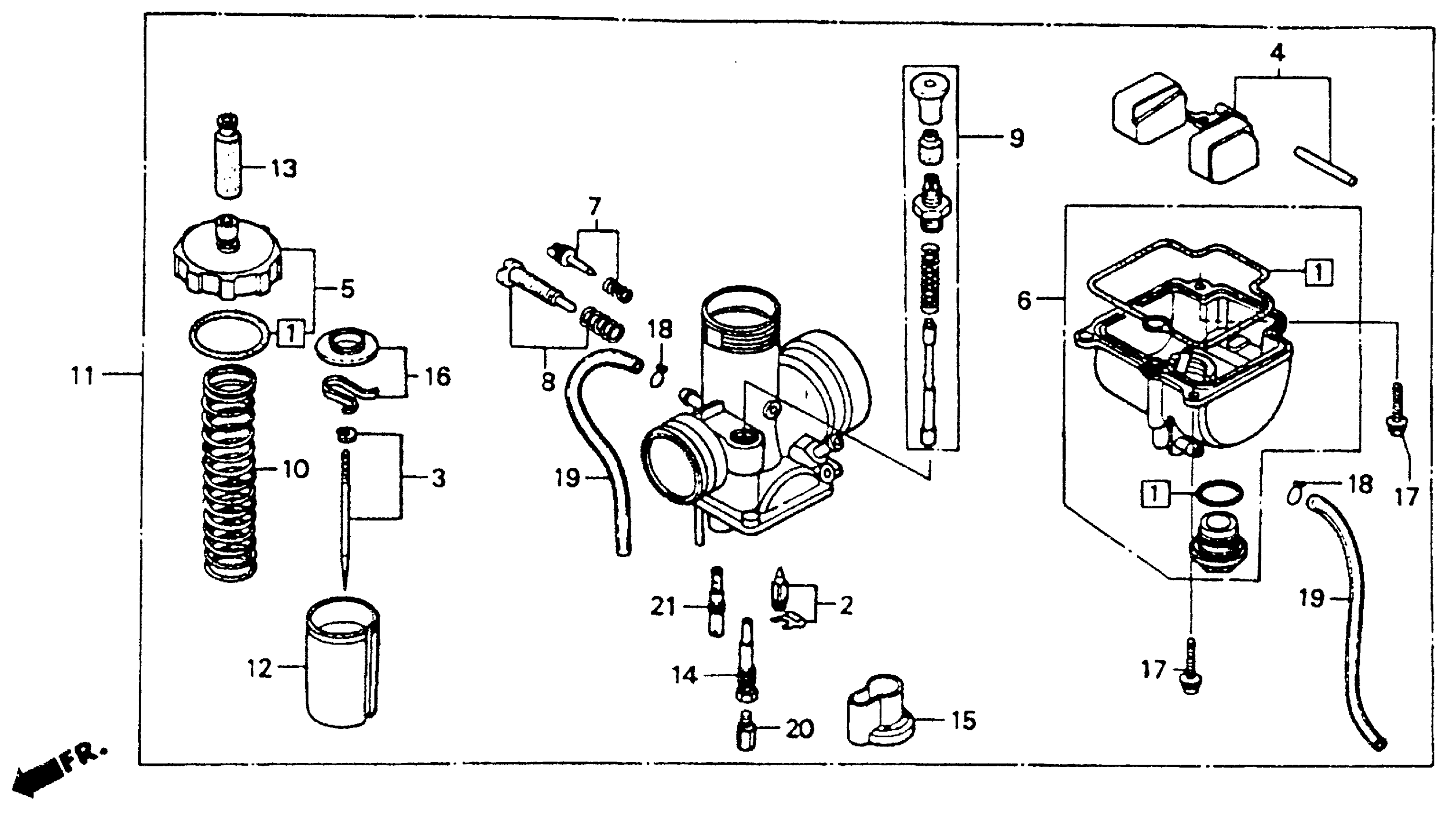
CARBURETOR
Honda CR80RA (95) MOTORCYCLE, JPN, VIN# JH2HE040-SK200001 CARBURETOR Diagram
#
Description
Price
1
GASKET SET This part replaces 16010-GC4-701.
16010-KJ1-305
Unavailable
1
GASKET SET
16010-KJ1-305
Unavailable
3
NEEDLE SET, JET (24NAAC) This part replaces 16012-GC4-601.
16204-GBF-B01
Unavailable
3
NEEDLE SET, JET (24NAAC)
16204-GBF-B01
Unavailable
4
FLOAT SET
16013-GBF-840
Unavailable
4
FLOAT SET This part replaces 16013-GC4-731.
16013-GBF-840
Unavailable
5
TOP SET
16014-GBF-840
Unavailable
5
TOP SET This part replaces 16014-GC4-601.
16014-GBF-840
Unavailable
6
CHAMBER SET, FLOAT
16015-GBF-840
Unavailable
6
CHAMBER SET, FLOAT This part replaces 16015-GC4-731.
16015-GBF-840
Unavailable
8
SCREW SET B
16028-GC4-701
Unavailable
9
VALVE SET, STARTER
16046-KA5-771
Unavailable
10
SPRING, COMPRESSION COIL
16050-GC4-731
Unavailable
11
CARBURETOR ASSY. (PE68B A)
16100-GS2-003
Unavailable
12
VALVE, THROTTLE
16111-GC4-711
Unavailable
14
JET, NEEDLE
16164-GC4-601
Unavailable
15
HOLDER, JET
16168-GC4-701
Unavailable
16
PLATE SET
16212-GC4-701
Unavailable
