- Partiron
- OEM Parts
- Honda
- MOTORCYCLE
- 1983
- CR80RA (83) MOTORCYCLE, JPN, VIN# JH2HE040-DK000020 TO JH2HE040-DK007883
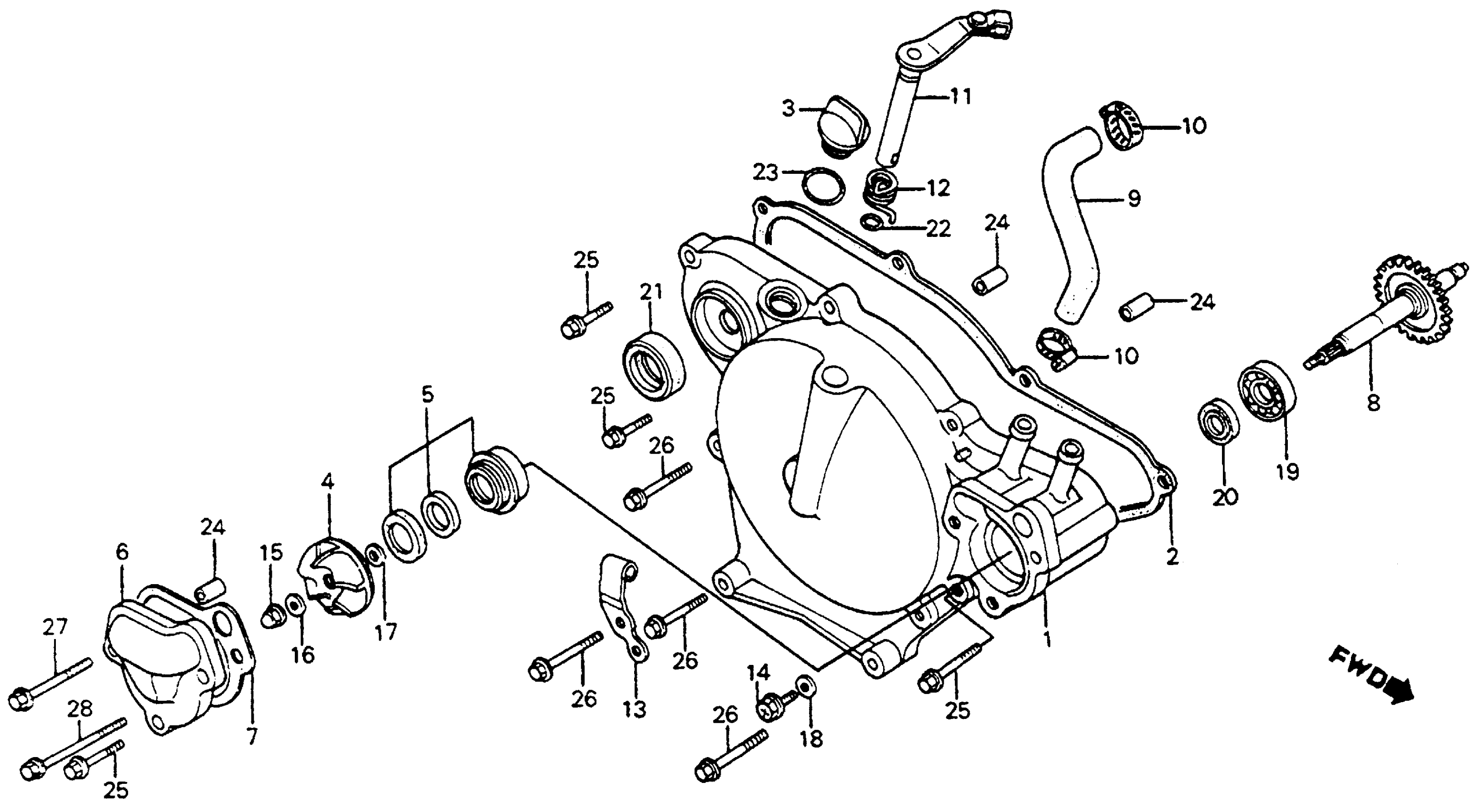
RIGHT CRANKCASE COVER + WATER PUMP 83
Honda CR80RA (83) MOTORCYCLE, JPN, VIN# JH2HE040-DK000020 TO JH2HE040-DK007883 RIGHT CRANKCASE COVER + WATER PUMP 83 Diagram
#
Description
Price
1
COVER, R. CRANKCASE (NOT AVAILABLE)
11331-GC4-700
Unavailable
2
GASKET, R. This part replaces 11393-GC4-700.
11393-GC4-307
Unavailable
4
IMPELLER, WATER PUMP (NOT AVAILABLE)
19215-GC4-700
Unavailable
6
COVER, WATER PUMP (NOT AVAILABLE)
19221-GC4-700
Unavailable
7
GASKET, WATER PUMP This part replaces 19229-GC4-700.
19229-GC4-306
Unavailable
8
SHAFT, WATER PUMP
19230-GC4-700
Unavailable
9
HOSE, WATER
19501-GC4-700
Unavailable
11
LEVER, CLUTCH (NOT AVAILABLE)
22810-GC4-700
Unavailable
13
RECEIVER, CLUTCH CABLE (NOT AVAILABLE)
22821-GC4-700
Unavailable
