- Partiron
- OEM Parts
- Honda
- MOTORCYCLE
- 1983
- CR80RA (83) MOTORCYCLE, JPN, VIN# JH2HE040-DK000020 TO JH2HE040-DK007883
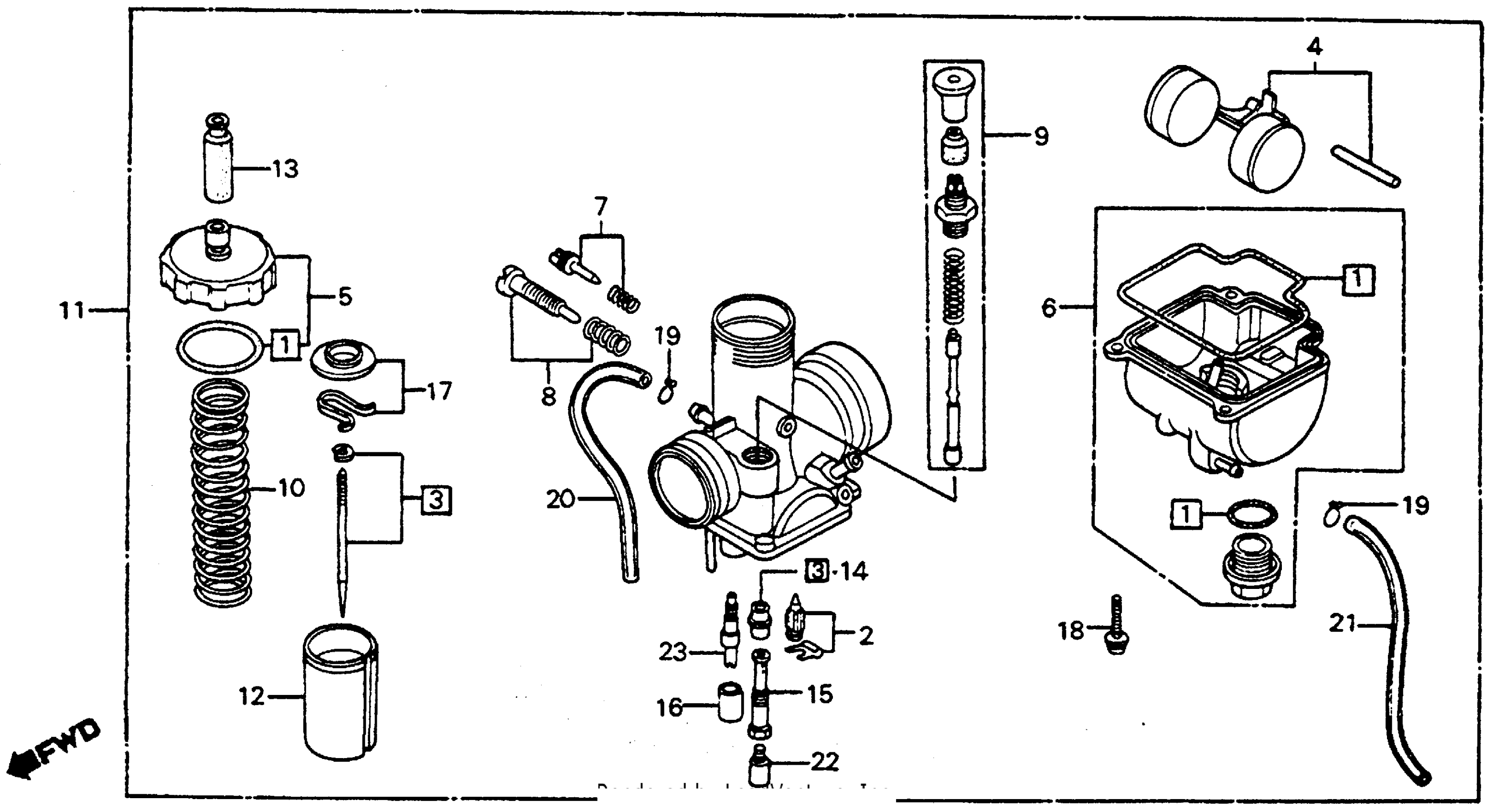
CARBURETOR 83
Honda CR80RA (83) MOTORCYCLE, JPN, VIN# JH2HE040-DK000020 TO JH2HE040-DK007883 CARBURETOR 83 Diagram
#
Description
Price
1
GASKET SET This part replaces 16010-GC4-701.
16010-KJ1-305
Unavailable
1
GASKET SET
16010-KJ1-305
Unavailable
3
NEEDLE SET, JET (NOT AVAILABLE)
16012-GC4-701
Unavailable
4
FLOAT SET This part replaces 16013-GC4-701.
16013-KG0-891
Unavailable
4
FLOAT SET
16013-KG0-891
Unavailable
5
TOP SET This part replaces 16014-GC4-701.
16014-KM7-701
Unavailable
5
TOP SET
16014-KM7-701
Unavailable
6
CHAMBER SET, FLOAT
16015-GC4-701
Unavailable
8
SCREW SET B
16028-402-701
Unavailable
9
VALVE SET, STARTER
16046-KA5-771
Unavailable
10
SPRING, COMPRESSION COIL (NOT AVAILABLE)
16050-GC4-701
Unavailable
11
CARBURETOR ASSY. (NOT AVAILABLE)
16100-GC4-701
Unavailable
12
VALVE, THROTTLE This part replaces 16111-GC4-701.
16111-GC4-702
Unavailable
12
VALVE, THROTTLE
16111-GC4-702
Unavailable
14
NEEDLE, JET
16164-169-004
Unavailable
15
HOLDER, NEEDLE JET (NOT AVAILABLE)
16165-GC4-701
Unavailable
16
HOLDER, JET
16168-GC4-701
Unavailable
17
PLATE SET
16212-GC4-701
Unavailable
23
JET, SLOW (#58) | (Optional).
99103-KA3-0580
Unavailable
23
JET, SLOW (#58) | (Optional). This part replaces 99103-440-0580.
99103-KA3-0580
Unavailable
