- Partiron
- OEM Parts
- Honda
- MOTORCYCLE
- 1984
- CR60RA (84) MOTORCYCLE, JPN, VIN# JH2DE010-EK100006 TO JH2DE010-EK103338
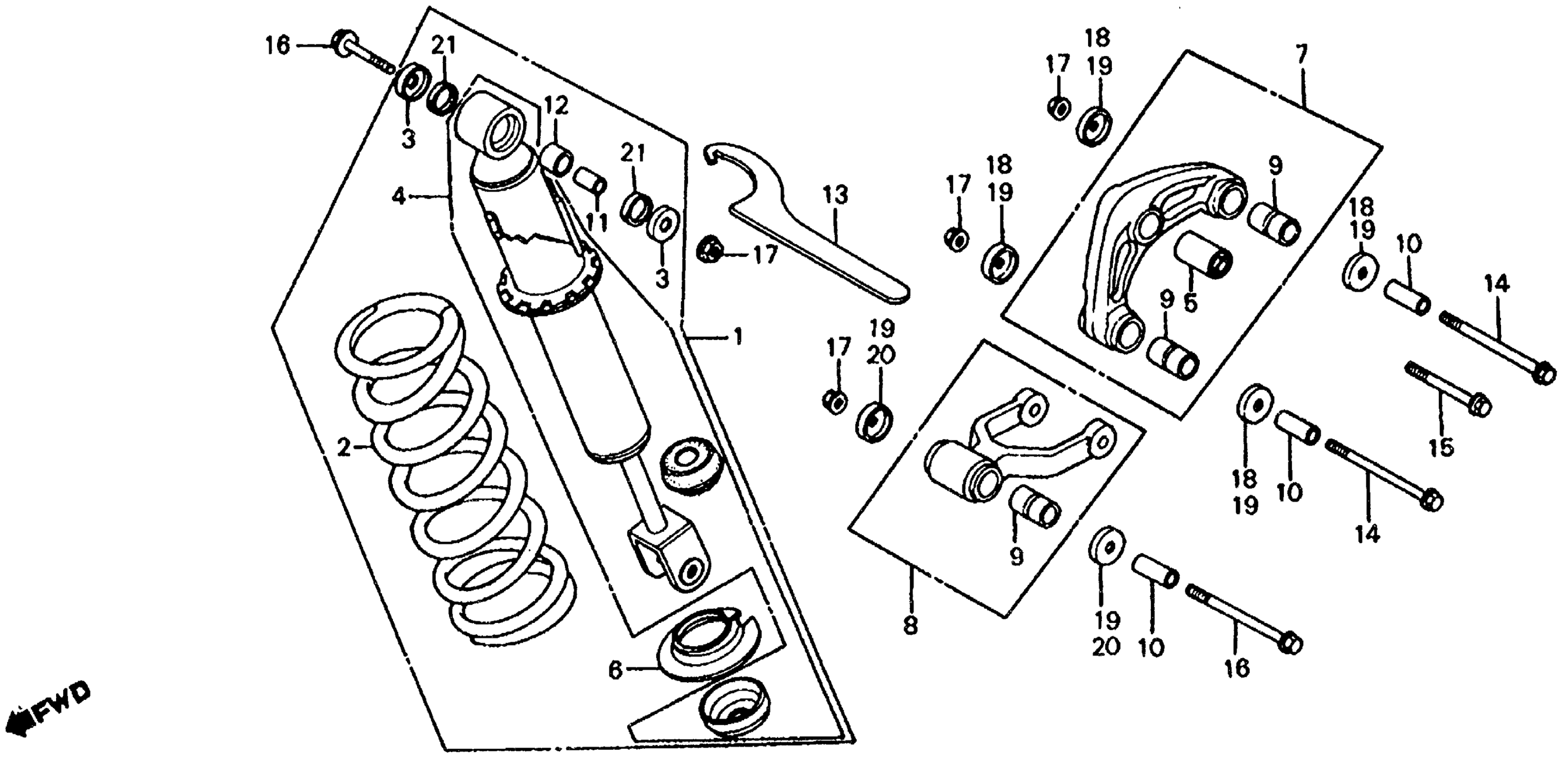
REAR SHOCK ABSORBER
Honda CR60RA (84) MOTORCYCLE, JPN, VIN# JH2DE010-EK100006 TO JH2DE010-EK103338 REAR SHOCK ABSORBER Diagram
#
Description
Price
1
SHOCK ABSORBER ASSY., RR. (NOT AVAILABLE)
52400-GF5-732
Unavailable
2
SPRING, RR. SHOCK ABSORBER
52401-GF5-731
Unavailable
4
DAMPER, RR.
52410-GF5-732
Unavailable
5
BUSH, SHOCK ABSORBER (LOWER) (NOT AVAILABLE)
52451-GC4-000
Unavailable
6
SEAT, RR. SHOCK ABSORBER SPRING
52459-GC4-003
Unavailable
7
ARM ASSY., SHOCK ABSORBER
52460-GF5-730
Unavailable
8
ROD ASSY., SHOCK CONNECTING (NOT AVAILABLE)
52470-GF5-730
Unavailable
13
SPANNER, PIN (NOT AVAILABLE) | (Optional).
89201-GC4-810
Unavailable
13
SPANNER, PIN | (Optional).
89202-GC4-810
Unavailable
15
BOLT, FLANGE (10X40)
90153-GC4-731
Unavailable
20
SEAL, RR. CUSHION CONNECTING ROD PIVOT (NOK) This part replaces 91262-MA0-013.
91262-MA0-015
$11.15
