- Partiron
- OEM Parts
- Honda
- MOTORCYCLE
- 1983
- CR480RA (83) MOTORCYCLE, JPN, VIN# JH2PE020-DC200018 TO JH2PE020-DC205352
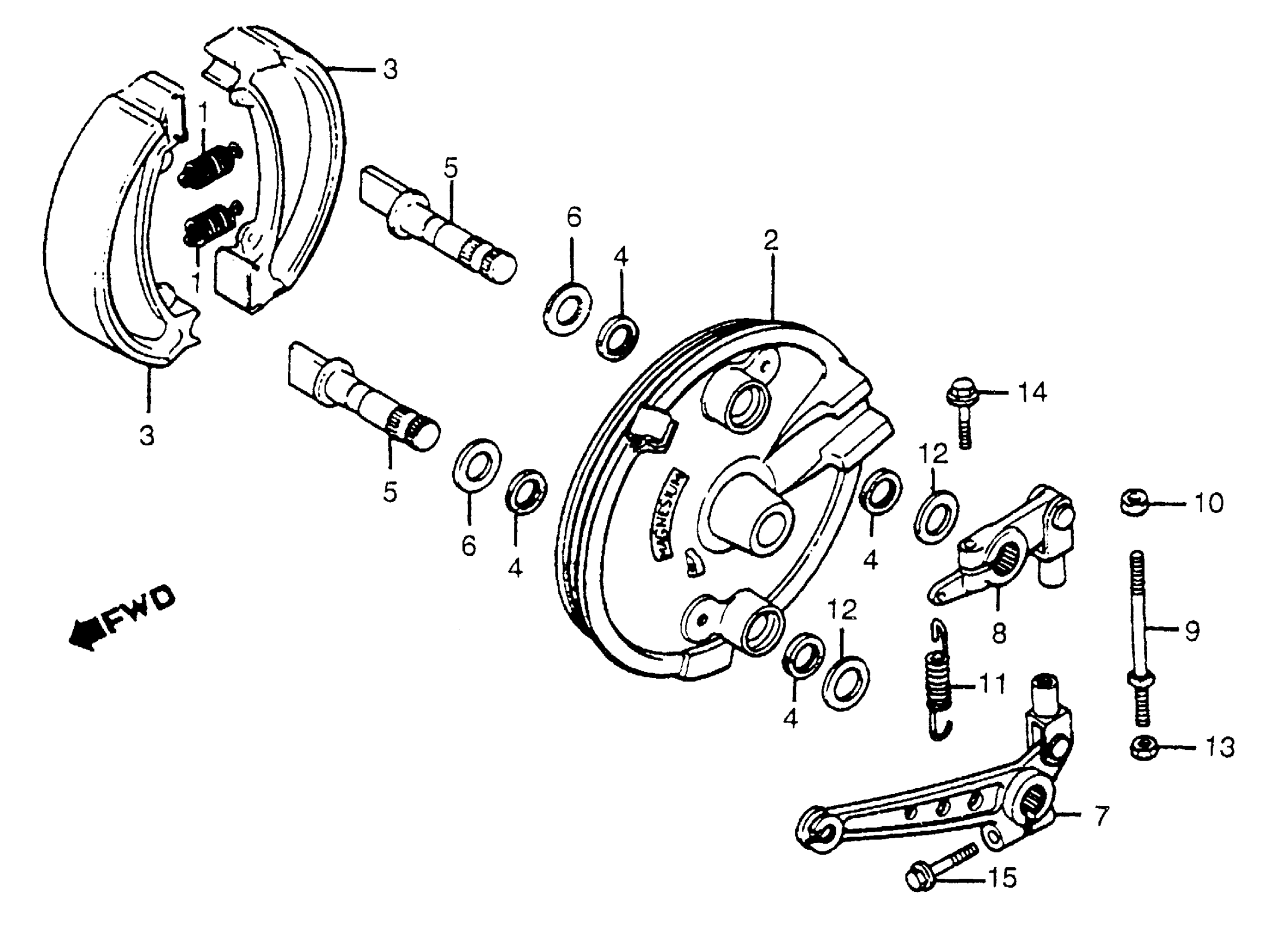
FRONT BRAKE PANEL 83
Honda CR480RA (83) MOTORCYCLE, JPN, VIN# JH2PE020-DC200018 TO JH2PE020-DC205352 FRONT BRAKE PANEL 83 Diagram
#
Description
Price
NI
SHOE KIT, BRAKE
06450-KA4-406
Unavailable
NI
SHOE KIT, BRAKE This part replaces 451A2-KA4-712.
06450-KA4-406
Unavailable
2
PANEL, FR. BRAKE (NOT AVAILABLE)
45100-KA4-710
Unavailable
3
SHOE, FR. BRAKE (SEE KIT P/N--END OF BLOCK) (NOT AVAILABLE) This part replaces 45120-KA4-711.
45120-KA4-712
Unavailable
3
SHOE, FR. BRAKE (SEE KIT P/N--END OF BLOCK) (NOT AVAILABLE)
45120-KA4-712
Unavailable
5
CAM, FR. BRAKE
45141-KA4-710
Unavailable
6
SEAT, FR. BRAKE CAM (NOT AVAILABLE)
45142-MC4-000
Unavailable
7
ARM A, FR. BRAKE (NOT AVAILABLE)
45410-KA4-710
Unavailable
8
ARM B, FR. BRAKE (NOT AVAILABLE)
45420-KA4-710
Unavailable
9
ROD, BRAKE ARM CONNECTING (NOT AVAILABLE)
45422-KA4-700
Unavailable
11
SPRING, BRAKE ARM RETURN (NOT AVAILABLE)
45435-KA3-710
Unavailable
12
WASHER (14MM)
90509-169-000
Unavailable
12
WASHER (14MM) This part replaces 90525-MA0-000.
90509-169-000
Unavailable
