- Partiron
- OEM Parts
- Honda
- MOTORCYCLE
- 1998
- CR250RA (98) MOTORCYCLE, JPN, VIN# JH2ME030-WM000001
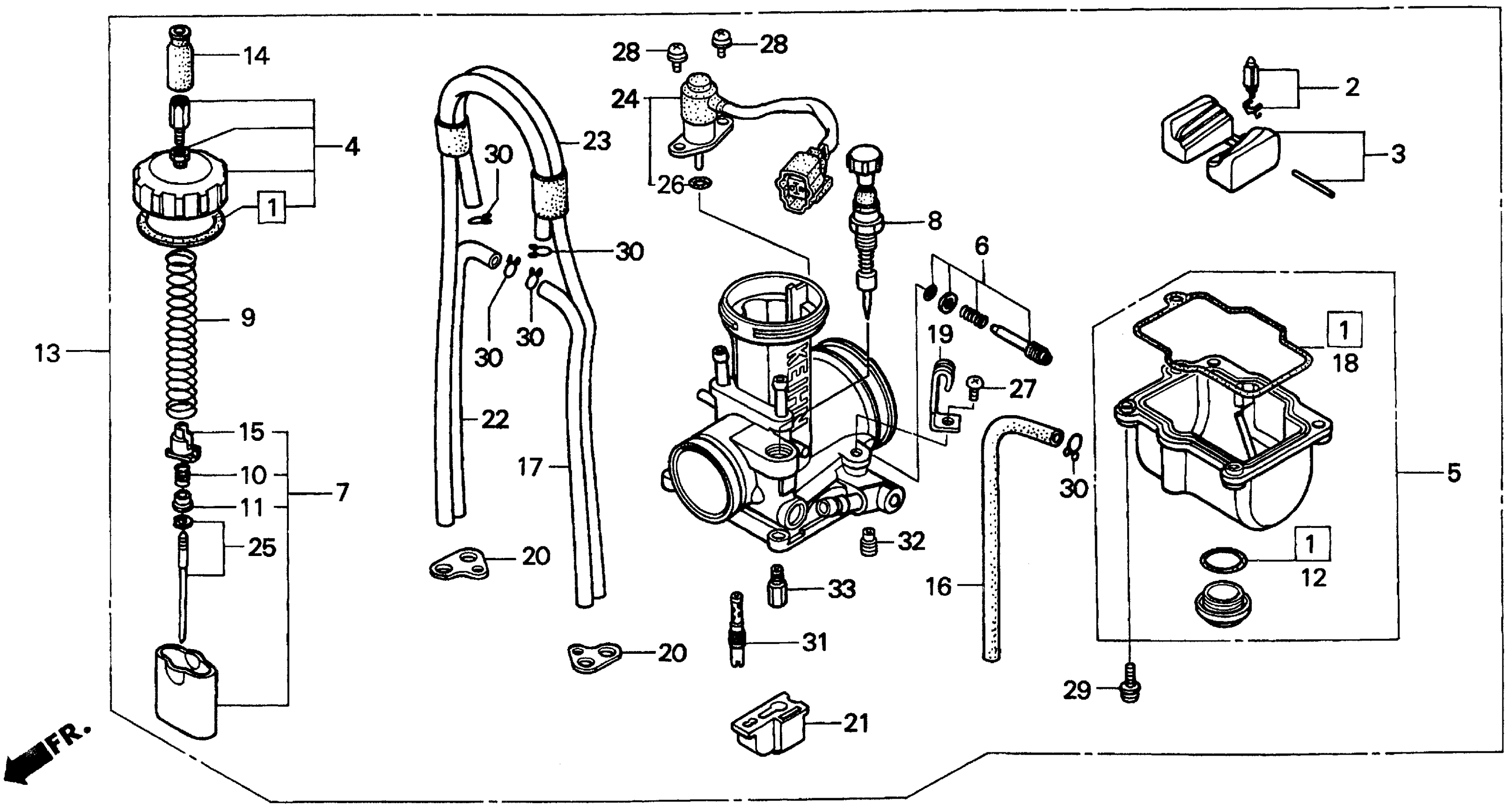
CARBURETOR 97-98
Honda CR250RA (98) MOTORCYCLE, JPN, VIN# JH2ME030-WM000001 CARBURETOR 97-98 Diagram
#
Description
Price
1
GASKET SET
16010-KZ3-B10
Unavailable
4
TOP SET
16014-KA5-691
Unavailable
5
CHAMBER SET, FLOAT
16015-KZ3-B10
Unavailable
6
SCREW SET A
16016-ML3-910
Unavailable
7
VALVE SET, THROTTLE
16022-KZ3-690
Unavailable
9
SPRING, COMPRESSION
16050-KA5-691
Unavailable
11
COLLAR, SPRING SETTING
16066-KA3-761
Unavailable
13
CARBURETOR ASSY. (PJ28L A)
16100-KZ3-B11
Unavailable
15
HOLDER, CABLE
16137-KA3-761
Unavailable
16
TUBE, OVERFLOW This part replaces 16143-KZ3-B10.
16199-KZ3-505
Unavailable
18
GASKET, FLOAT CHAMBER
16163-KZ3-B10
Unavailable
19
CLIP, PLATE
16179-KM1-003
Unavailable
21
PLATE, BUFFER
16185-KA3-761
Unavailable
23
TUBE, AIR VENT
16199-KZ3-B10
Unavailable
24
VALVE ASSY., SOLENOID
16200-KZ3-B01
Unavailable
25
NEEDLE SET, JET (R1369MS)
16203-KZ3-690
Unavailable
26
O-RING
16206-KZ3-B01
Unavailable
