- Partiron
- OEM Parts
- Honda
- MOTORCYCLE
- 1991
- CR250RA (91) MOTORCYCLE, JPN, VIN# JH2ME030-MM300005 TO JH2ME030-MM302994
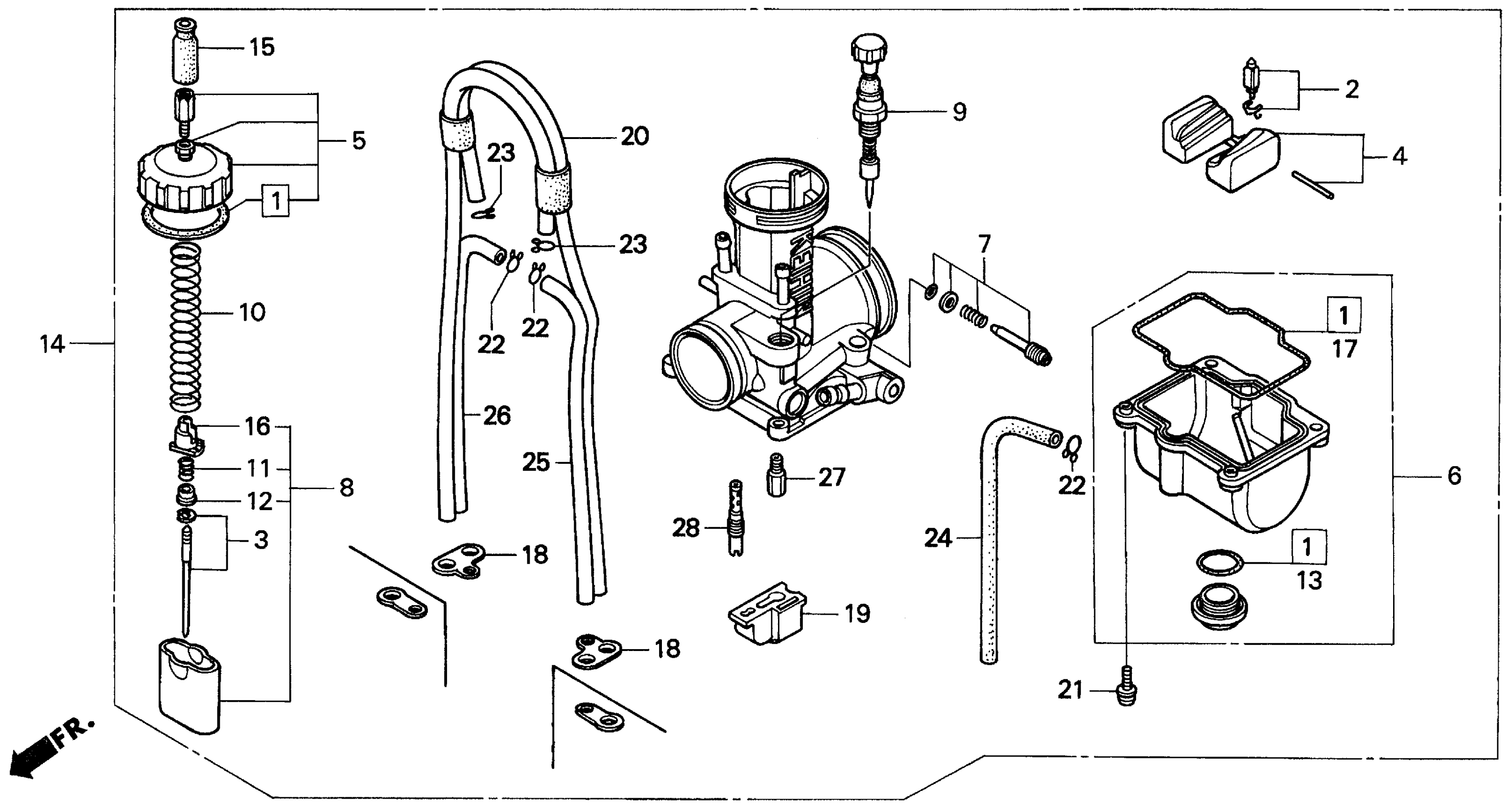
CARBURETOR
Honda CR250RA (91) MOTORCYCLE, JPN, VIN# JH2ME030-MM300005 TO JH2ME030-MM302994 CARBURETOR Diagram
#
Description
Price
3
NEEDLE SET, JET (R1369NS)
16012-ML3-910
Unavailable
5
TOP SET
16014-KA5-691
Unavailable
6
CHAMBER SET, FLOAT
16015-VM0-004
Unavailable
7
SCREW SET A
16016-ML3-910
Unavailable
8
VALVE SET, THROTTLE (NOT AVAILABLE)
16022-KZ3-730
Unavailable
10
SPRING, COMPRESSION
16050-KA5-691
Unavailable
12
COLLAR, SPRING SETTING
16066-KA3-761
Unavailable
14
CARBURETOR ASSY. (PJ28C A) This part replaces 16100-KZ3-730.
16100-KZ3-731
Unavailable
14
CARBURETOR ASSY. (PJ28C A)
16100-KZ3-731
Unavailable
16
HOLDER, CABLE
16137-KA3-761
Unavailable
19
PLATE, BUFFER
16185-KA3-761
Unavailable
