- Partiron
- OEM Parts
- Honda
- MOTORCYCLE
- 1984
- CR250RA (84) MOTORCYCLE, JPN, VIN# JH2ME030-EC600001 TO JH2ME030-EC607757
CARBURETOR 84
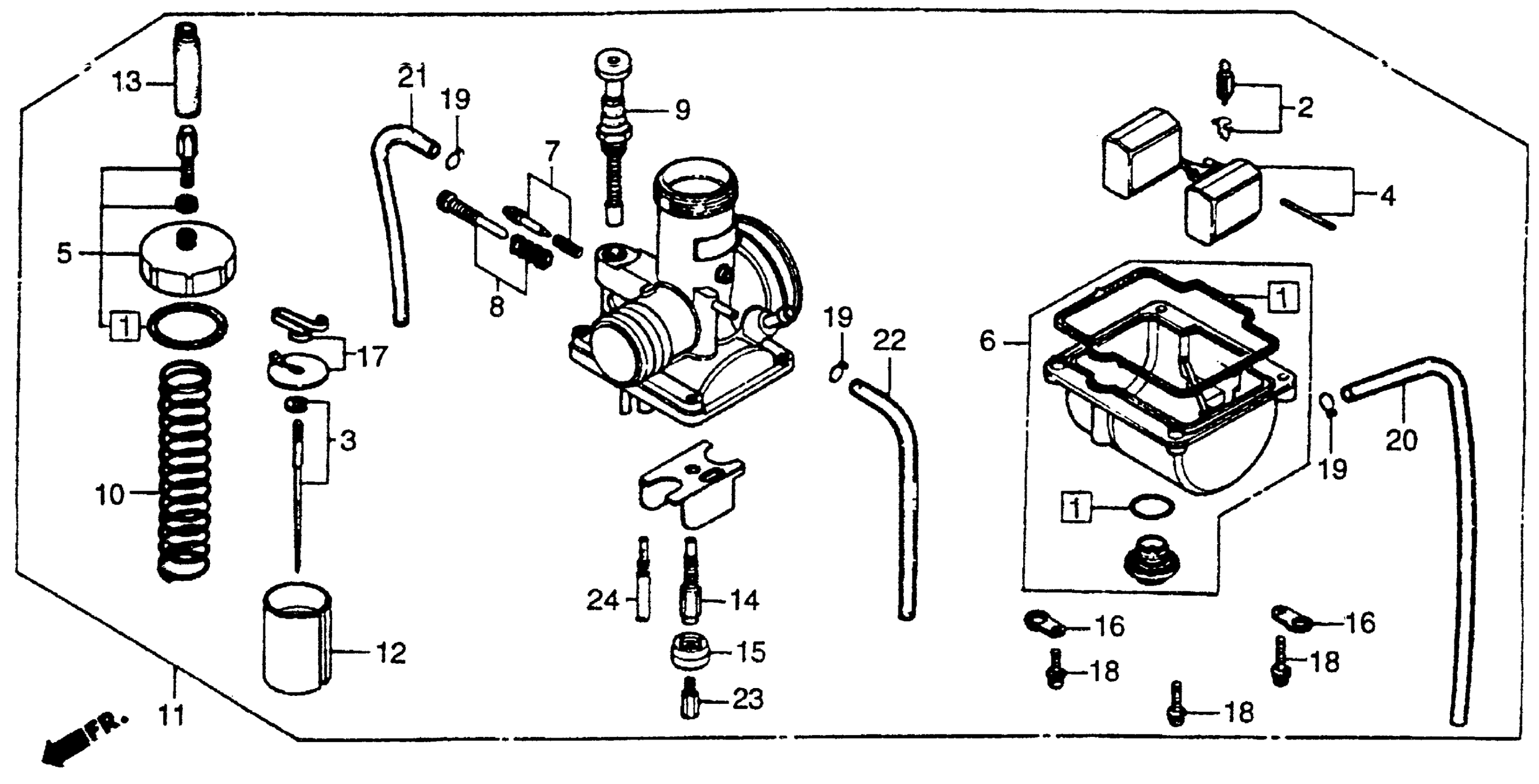
Honda CR250RA (84) MOTORCYCLE, JPN, VIN# JH2ME030-EC600001 TO JH2ME030-EC607757 CARBURETOR 84 Diagram
#
Description
Price
1
GASKET SET (NOT AVAILABLE)
16010-KA5-004
Unavailable
3
NEEDLE SET, JET (R1468N) This part replaces 16012-KA4-741.
16012-KS6-004
Unavailable
5
TOP SET
16014-KA5-771
Unavailable
6
CHAMBER SET, FLOAT This part replaces 16015-KA3-741.
16015-KA3-761
Unavailable
6
CHAMBER SET, FLOAT
16015-KA3-761
Unavailable
8
SCREW SET B (NOT AVAILABLE)
16028-KA5-004
Unavailable
9
VALVE SET, STARTER
16046-KA5-771
Unavailable
10
SPRING, COMPRESSION COIL (NOT AVAILABLE)
16050-KA5-004
Unavailable
11
CARBURETOR ASSY. (NOT AVAILABLE) This part replaces 16100-KA4-741.
16100-KA4-711
Unavailable
12
VALVE, THROTTLE
16111-KA4-701
Unavailable
14
NEEDLE, JET (NOT AVAILABLE) This part replaces 16164-KA5-004.
16164-HE0-670
Unavailable
15
HOLDER, JET
16168-KA5-004
Unavailable
16
BINDER
16179-428-671
Unavailable
17
PLATE SET
16212-KA5-004
Unavailable
24
JET, SLOW (#68)
99103-441-0680
Unavailable
