- Partiron
- OEM Parts
- Honda
- MOTORCYCLE
- 1992
- CR125RA (92) MOTORCYCLE, JPN, VIN# JH2JE010-NM300006 TO JH2JE010-NM302172
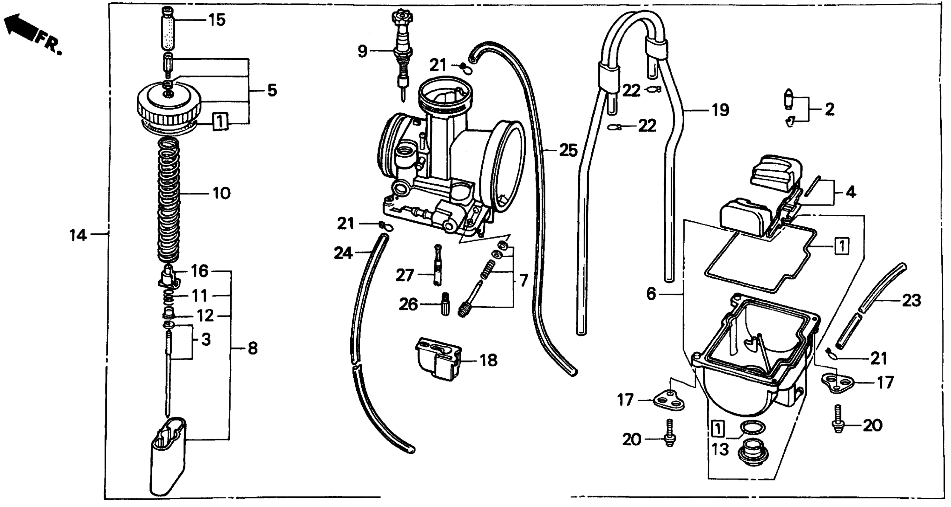
CARBURETOR
Honda CR125RA (92) MOTORCYCLE, JPN, VIN# JH2JE010-NM300006 TO JH2JE010-NM302172 CARBURETOR Diagram
#
Description
Price
3
NEEDLE SET, JET (R1469N)
16012-KS6-831
Unavailable
5
TOP SET
16014-KA3-761
Unavailable
6
CHAMBER SET, FLOAT
16015-VM0-004
Unavailable
7
SCREW SET A
16016-ML3-910
Unavailable
8
VALVE SET, THROTTLE This part replaces 16022-KZ4-860.
16022-KZ4-890
Unavailable
8
VALVE SET, THROTTLE
16022-KZ4-890
Unavailable
10
SPRING, COMPRESSION COIL
16050-KA3-761
Unavailable
12
COLLAR, SPRING SETTING
16066-KA3-761
Unavailable
14
CARBURETOR ASSY. (PJ15E A)
16100-KZ4-860
Unavailable
16
HOLDER, CABLE
16137-KA3-761
Unavailable
18
PLATE, BUFFER
16185-KA3-761
Unavailable
27
JET, SLOW (#58)
99103-KA3-0580
Unavailable
27
JET, SLOW (#58) This part replaces 99103-440-0580.
99103-KA3-0580
Unavailable
