- Partiron
- OEM Parts
- Honda
- MOTORCYCLE
- 1982
- CR125RA (82) MOTORCYCLE, JPN, VIN# JH2JE010-CC300001 TO JH2JE010-CC307692
RADIATOR 82
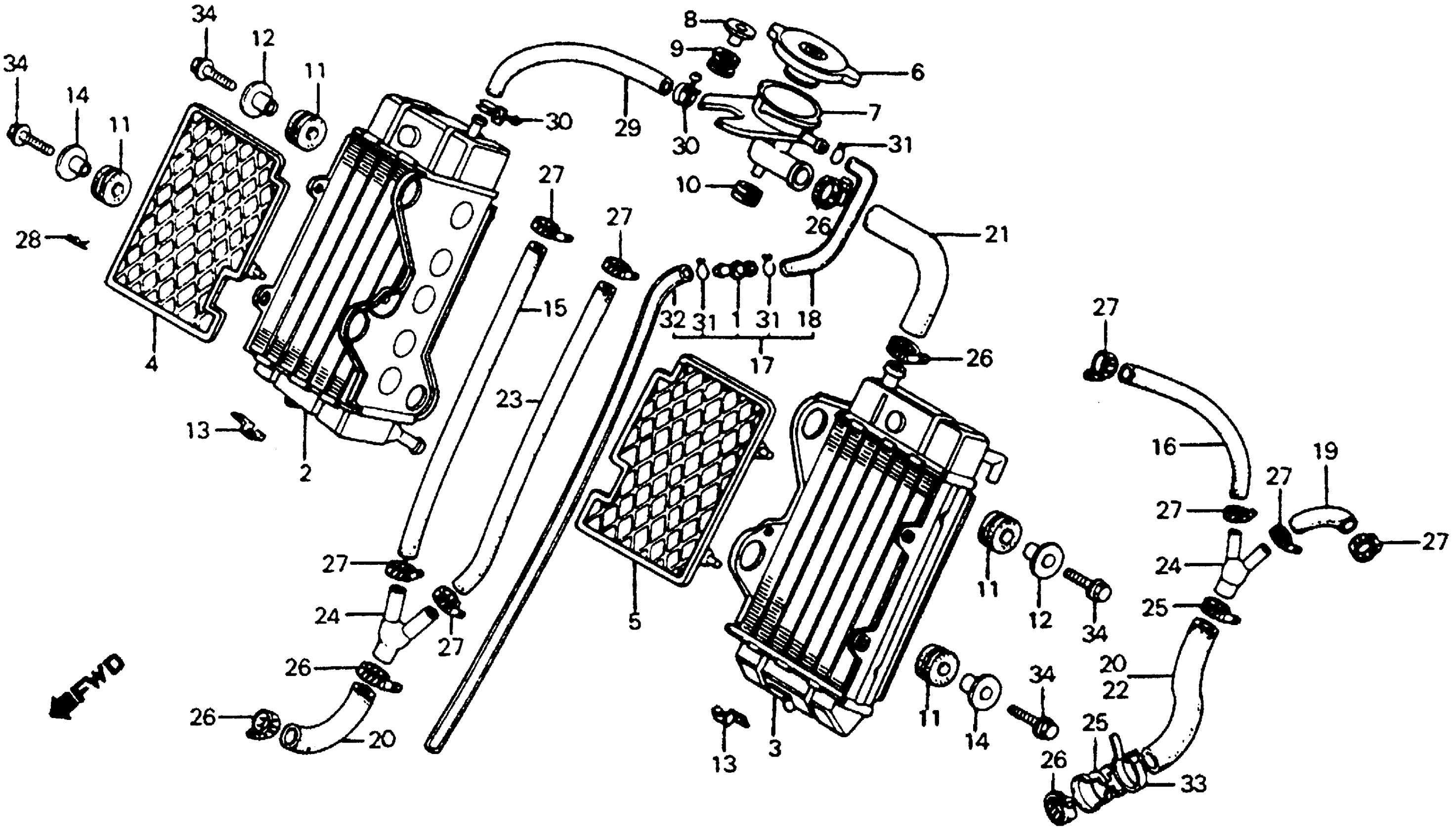
Honda CR125RA (82) MOTORCYCLE, JPN, VIN# JH2JE010-CC300001 TO JH2JE010-CC307692 RADIATOR 82 Diagram
#
2
RADIATOR, R. (NOT AVAILABLE)
19010-KA4-701
Unavailable
3
RADIATOR, L. (NOT AVAILABLE)
19015-KA4-701
Unavailable
4
GRILLE, R. RADIATOR | Use up to Frame SN CC300041 This part replaces 19033-KA4-701.
19033-KA4-702
Unavailable
4
GRILLE, R. RADIATOR | Use up to Frame SN CC300041
19033-KA4-702
Unavailable
4
GRILLE, R. RADIATOR | Use from Frame SN CC300042
19033-KA4-702
Unavailable
5
GRILLE, L. RADIATOR (NOT AVAILABLE) | Use up to Frame SN CC300041 This part replaces 19034-KA4-701.
19034-KA4-702
Unavailable
5
GRILLE, L. RADIATOR (NOT AVAILABLE)
19034-KA4-702
Unavailable
7
NECK, FILLER (TOYO) (NOT AVAILABLE)
19039-KA4-701
Unavailable
8
COLLAR, RADIATOR CAP MOUNTING (NOT AVAILABLE)
19041-KA4-700
Unavailable
9
RUBBER A, RADIATOR CAP MOUNTING (NOT AVAILABLE)
19042-KA4-700
Unavailable
10
RUBBER B, RADIATOR CAP MOUNTING
19043-KA4-700
Unavailable
13
RUBBER, RADIATOR MOUNTING (NOT AVAILABLE)
19054-KA4-700
Unavailable
14
COLLAR B, RADIATOR MOUNTING
19055-KA4-700
Unavailable
15
HOSE A, WATER (NOT AVAILABLE) | Use up to Frame SN CC300041 This part replaces 19061-KA3-700.
19061-KA3-702
Unavailable
15
HOSE A, WATER (NOT AVAILABLE) | Use up to Frame SN CC300041 This part replaces 19061-KA3-701.
19061-KA3-702
Unavailable
15
HOSE A, WATER (NOT AVAILABLE)
19061-KA3-702
Unavailable
16
HOSE, WATER (B) (NOT AVAILABLE) | Use up to Frame SN CC300041 This part replaces 19062-KA3-700.
19062-KA3-701
Unavailable
16
HOSE, WATER (B) (NOT AVAILABLE)
19062-KA3-701
Unavailable
17
TUBE ASSY., RADIATOR (NOT AVAILABLE)
19065-KA3-000
Unavailable
18
TUBE, OVERFLOW
19066-KA3-000
Unavailable
19
HOSE F, WATER (NOT AVAILABLE)
19066-KA4-701
Unavailable
20
HOSE C, WATER (NOT AVAILABLE) | Use up to Frame SN CC300041 This part replaces 19067-KA3-700.
19067-KA3-701
Unavailable
20
HOSE C, WATER (NOT AVAILABLE) | Use up to Frame SN CC300041
19067-KA3-701
Unavailable
21
HOSE, WATER (G) (NOT AVAILABLE) This part replaces 19067-KA4-700.
19067-KA4-701
Unavailable
21
HOSE, WATER (G) (NOT AVAILABLE)
19067-KA4-701
Unavailable
22
HOSE C, WATER (NOT AVAILABLE) | Use up to Frame SN CC300041 This part replaces 19067-KA3-700.
19067-KA3-701
Unavailable
22
HOSE C, WATER (NOT AVAILABLE) | Use up to Frame SN CC300041
19067-KA3-701
Unavailable
22
HOSE C, WATER (NOT AVAILABLE) | Use up to Frame SN CC300041 This part replaces 19068-KA3-700.
19067-KA3-701
Unavailable
23
HOSE E, WATER (NOT AVAILABLE)
19069-KA3-700
Unavailable
24
JOINT, WATER HOSE (NOT AVAILABLE)
19069-KA4-700
Unavailable
25
PROTECTOR, HOSE
19081-KA3-700
Unavailable
