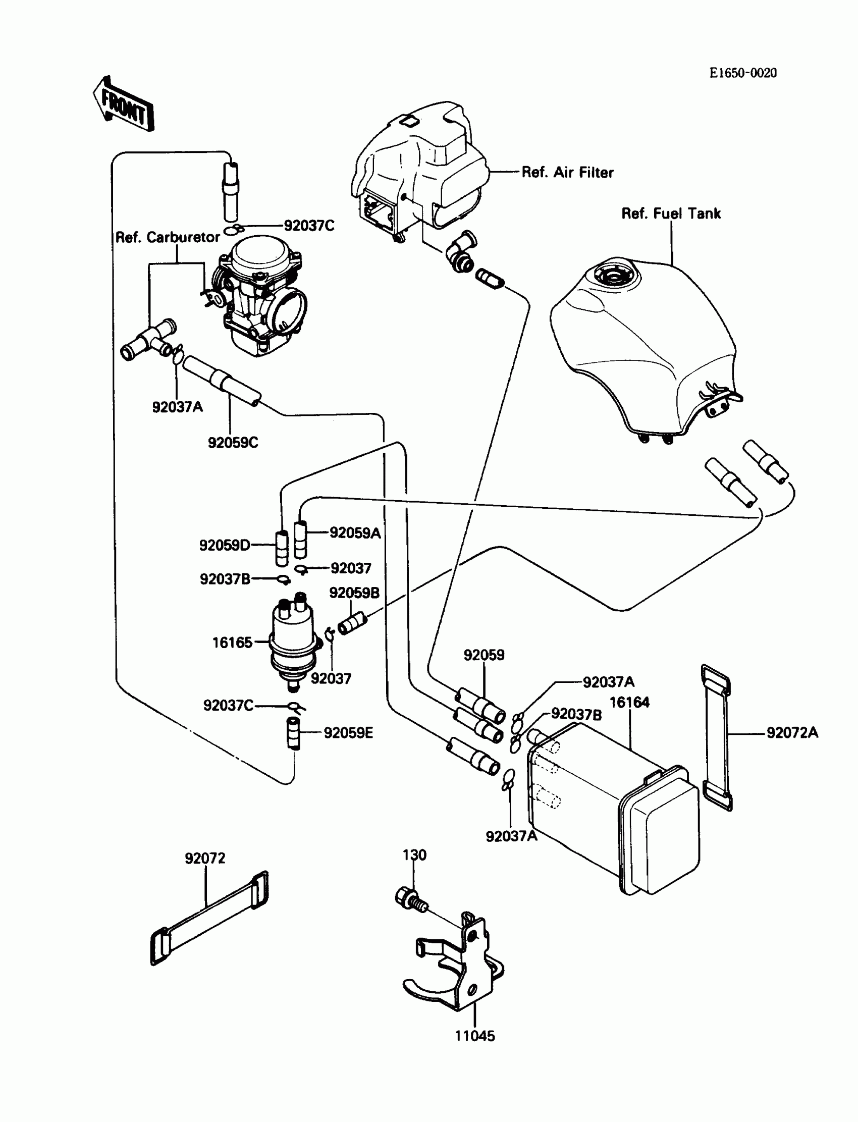
Partiron

Kawasaki Concours Fuel Evaporative System Diagram

#

Description
Price

11045

BRACKET,SEPARATOR

11045-1163

$13.95

16164

CANISTER

16164-1064

$145.44

16165

SEPARATOR

16165-1001

$90.01

92037

CLAMP,TUBE

92037-010

$3.92

92037A

CLAMP-HOSE

92037-1104

$1.45

92037B

CLAMP,TUBE

92037-147

$7.34

92037C

CLAMP

92037-1712

$5.00

92059

TUBE,7X12X390,GREEN

92059-1406

$41.13

92059A

TUBE,5X8X470,BLUE

92059-1407

Unavailable

92059B

TUBE,5X8X550,RED

92059-1419

$24.91

92059C

TUBE,7X12X440,YELLOW

92059-1440

$41.13

92059D

TUBE,5X10X230,BLUE

92059-1498

$23.01

92059E

TUBE,4X9X705,WHITE

92059-1690

$19.09

92072

BAND,L=100

92072-071

$9.53

92072A

BAND

92072-1214

$12.76

130

BOLT-FLANGED,6X10

130C0610

$3.84