- Partiron
- OEM Parts
- Kawasaki
- motorcycle
- 2009
- Concours 14 ABS
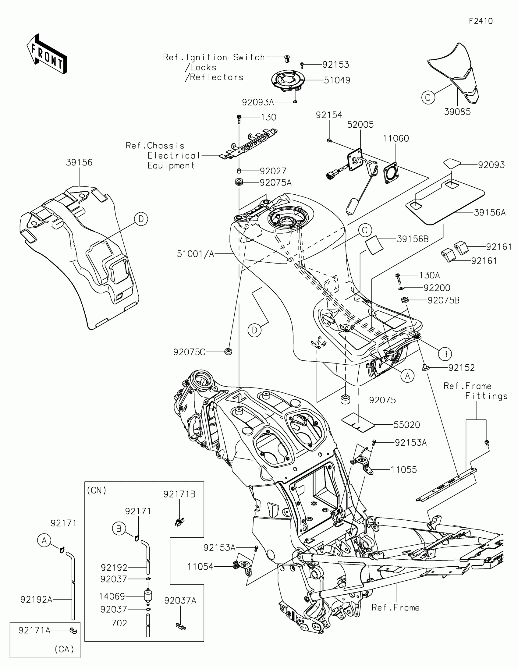
Fuel Tank
Kawasaki Concours 14 ABS Fuel Tank Diagram
#
Description
Price
39156E
PAD,FUEL TANK
39156-0373
Unavailable
51049
CAP-TANK,FUEL
51049-0012
Unavailable
51001
TANK-COMP-FUEL,M.D.BLACK
51001-0216-17K
Unavailable
51001B
TANK-COMP-FUEL,C.D.RED
51001-0216-25T
Unavailable
