- Partiron
- OEM Parts
- Kawasaki
- motorcycle
- 2009
- Concours 14 ABS
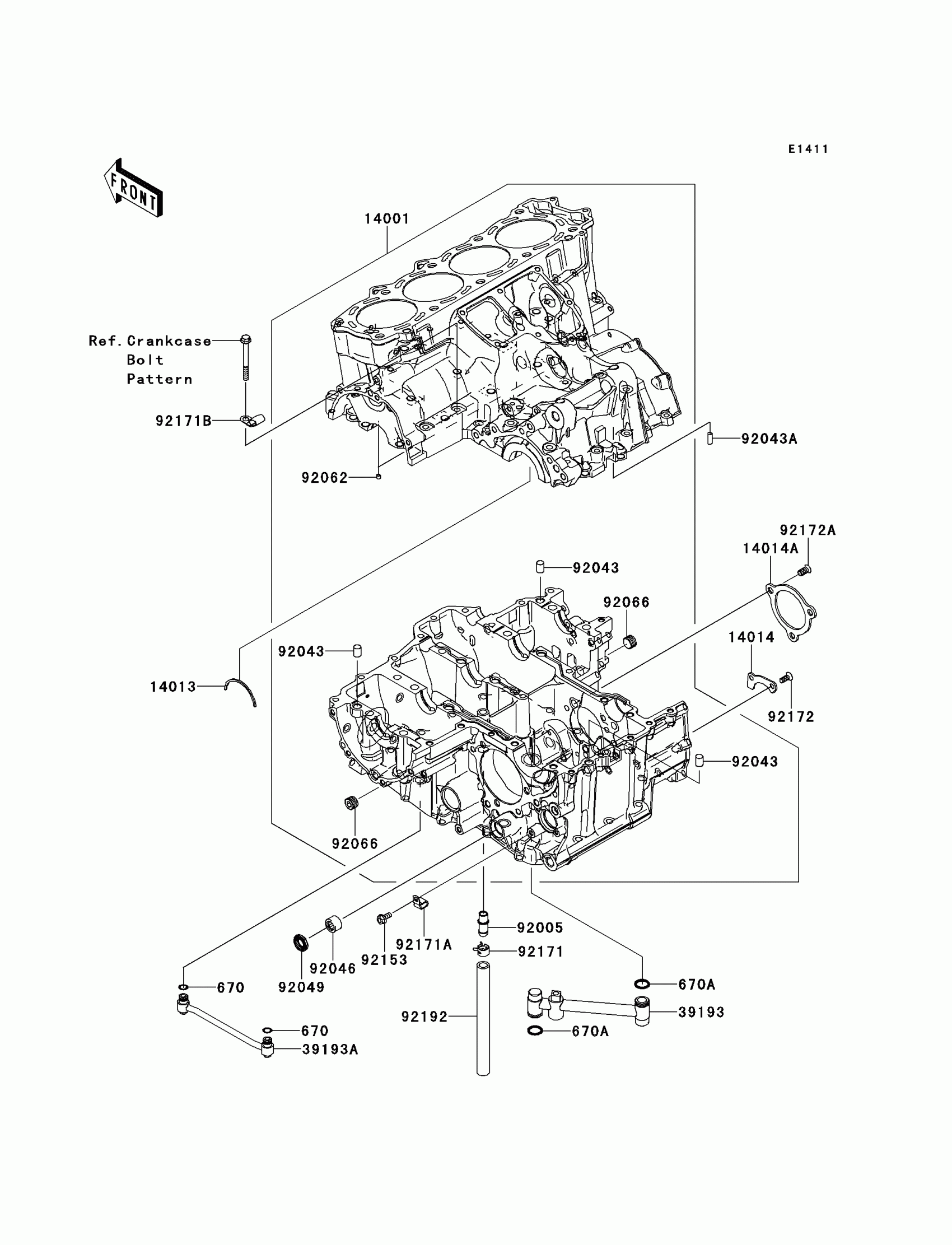
Crankcase
Kawasaki Concours 14 ABS Crankcase Diagram
#
Description
Price
14001
SET-CRANKCASE
14001-0127
Unavailable
92172
SCREW,6X16
92172-0218
Unavailable
92192
TUBE,11X17X180
92192-0254
Unavailable
