- Partiron
- OEM Parts
- Can-Am
- SXS
- 2015
- Commander (Side by Side)
- Commander MAX 1000_LTD, 2015
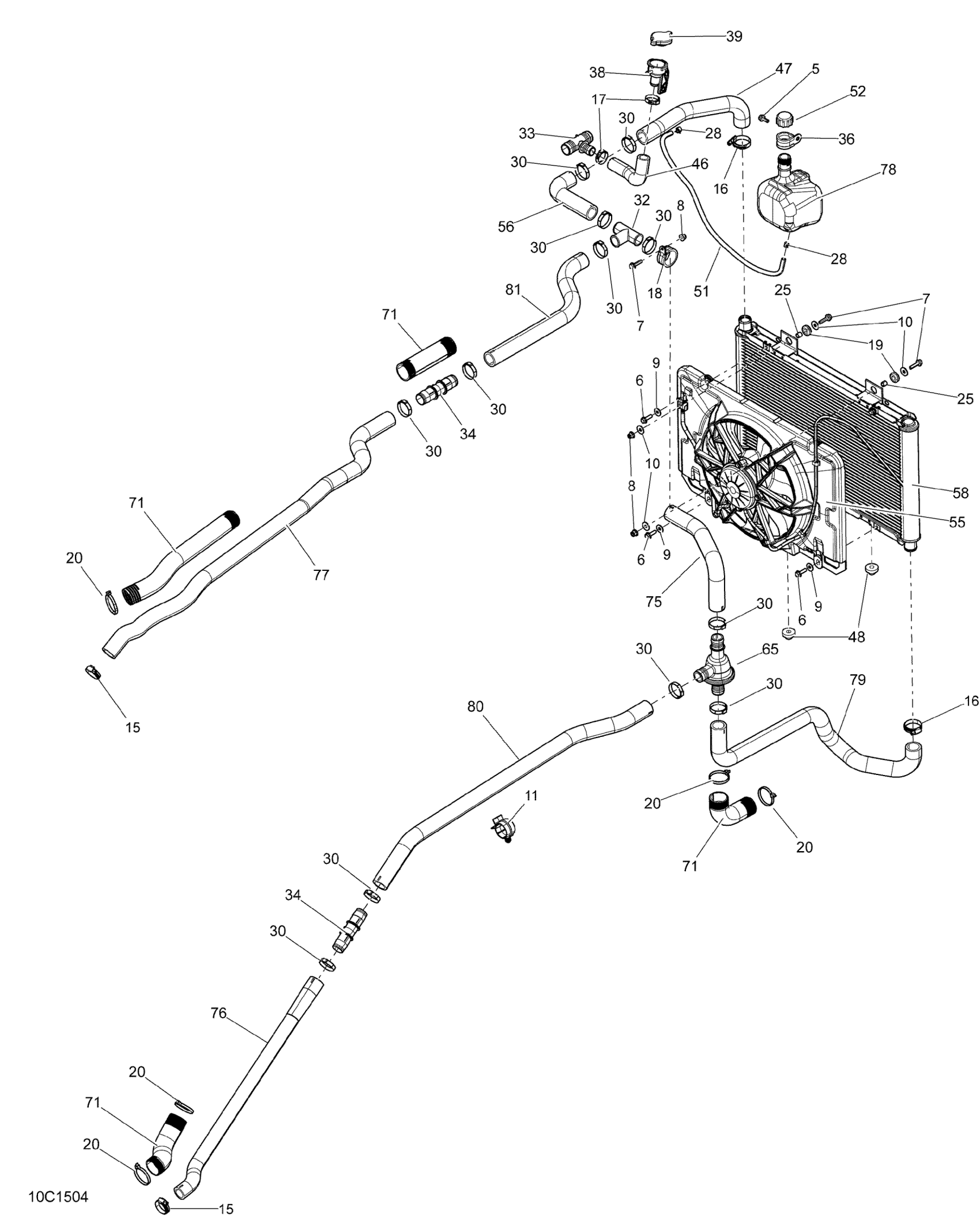
Cooling System _10C1505
Can-Am Commander MAX 1000_LTD, 2015 Cooling System _10C1505 Diagram
#
Description
Price
Cooling System _10C1505
#
Edit ride
