- Partiron
- OEM Parts
- Honda
- MOTORCYCLE
- Models With No Year
- CM91A MOTORCYCLE, JPN, VIN# CM91-100001
KICK STARTER
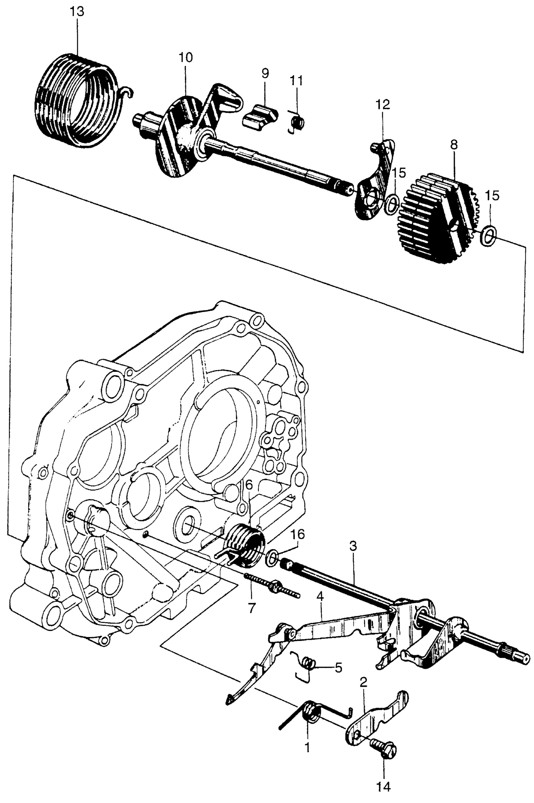
Honda CM91A MOTORCYCLE, JPN, VIN# CM91-100001 KICK STARTER Diagram
#
Description
Price
1
SPRING, SHIFT DRUM STOPPER (NOT AVAILABLE)
24435-001-020
Unavailable
3
SPINDLE, GEARSHIFT This part replaces 24610-046-000.
24610-046-020
Unavailable
3
SPINDLE, GEARSHIFT This part replaces 24610-046-010.
24610-046-020
Unavailable
3
SPINDLE, GEARSHIFT
24610-046-020
Unavailable
4
ARM, GEARSHIFT This part replaces 24630-046-000.
24630-046-010
Unavailable
4
ARM, GEARSHIFT
24630-046-010
Unavailable
6
SPRING, GEARSHIFT RETURN This part replaces 24651-033-000.
24651-121-710
Unavailable
6
SPRING, GEARSHIFT RETURN This part replaces 24651-033-010.
24651-121-710
Unavailable
6
SPRING, GEARSHIFT RETURN
24651-121-710
Unavailable
8
PINION, KICK STARTER
28211-028-000
Unavailable
9
PAWL, KICK STARTER RATCHET (NOT AVAILABLE)
28222-030-000
Unavailable
10
SPINDLE, KICK STARTER
28251-028-000
Unavailable
11
SPRING, KICK STARTER PAWL (NOT AVAILABLE)
28214-028-000
Unavailable
11
SPRING, KICK STARTER PAWL (NOT AVAILABLE) This part replaces 28214-030-000.
28214-028-000
Unavailable
12
GUIDE, KICK STARTER RATCHET (NOT AVAILABLE)
28224-028-000
Unavailable
13
SPRING, KICK STARTER (NOT AVAILABLE)
28261-028-000
Unavailable
14
PIVOT, SHIFT DRUM STOPPER ARM (NOT AVAILABLE)
90023-001-010
Unavailable
16
WASHER (12MM) (NOT AVAILABLE)
90482-001-010
Unavailable
