- Partiron
- OEM Parts
- Honda
- MOTORCYCLE
- Models With No Year
- CM91A MOTORCYCLE, JPN, VIN# CM91-100001
FRONT SHOCK ABSORBER
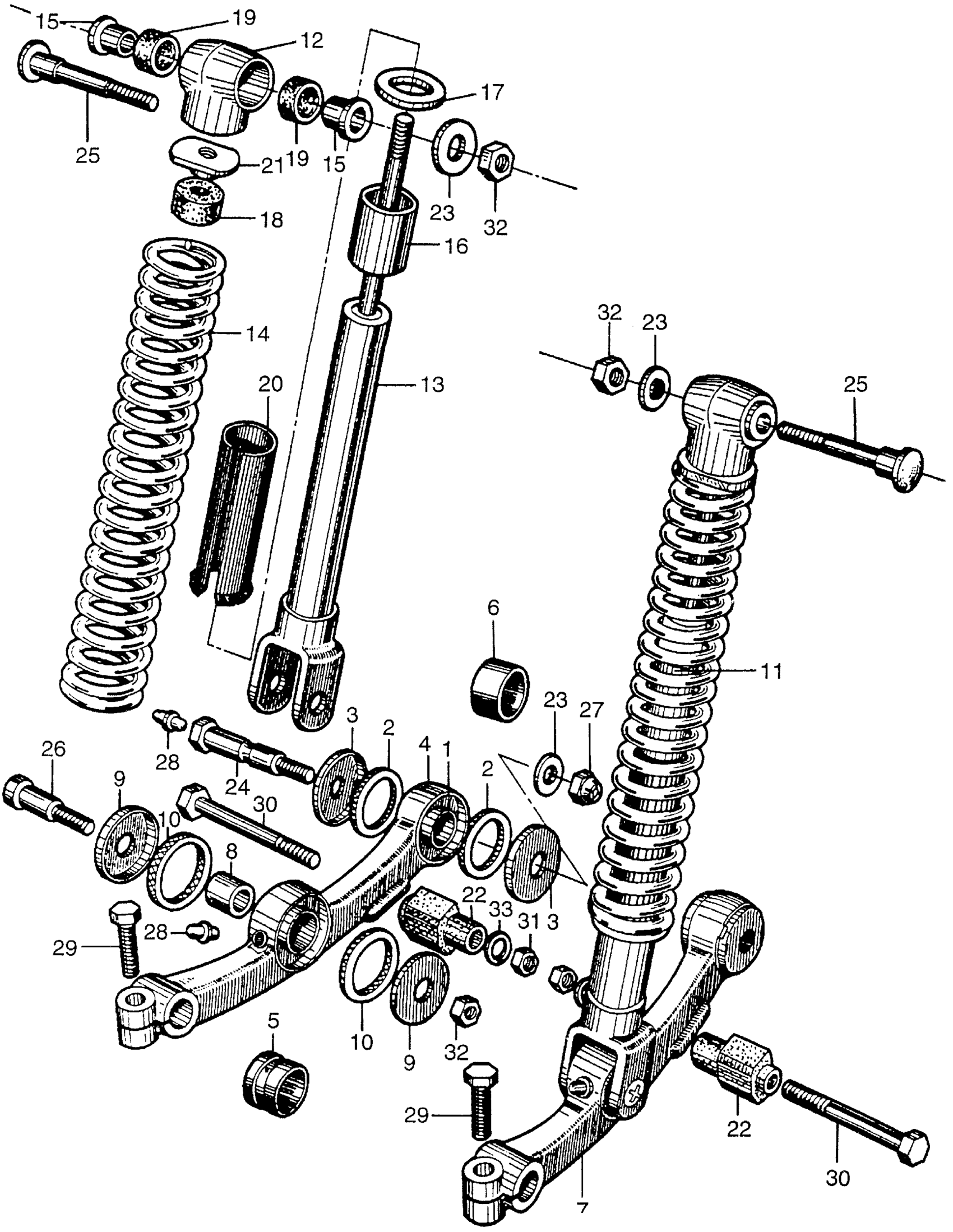
Honda CM91A MOTORCYCLE, JPN, VIN# CM91-100001 FRONT SHOCK ABSORBER Diagram
#
Description
Price
1
COLLAR, FR. ARM PIVOT (NOT AVAILABLE)
51331-001-000
Unavailable
2
DUST SEAL, FR. ARM PIVOT
51332-001-000
Unavailable
3
CAP, FR. ARM PIVOT DUST SEAL
51333-001-000
Unavailable
4
ARM, R. FR. FORK
51210-030-000
Unavailable
6
BUSHING, FR. ARM PIVOT (NOT AVAILABLE)
51312-001-000
Unavailable
7
ARM, L. FR. FORK
51220-030-000
Unavailable
8
COLLAR, FR. FORK DISTANCE (LOWER) (NOT AVAILABLE)
51334-001-000
Unavailable
11
SHOCK ABSORBER ASSY., FR. (NOT AVAILABLE)
51400-034-000
Unavailable
12
METAL, FR. FORK (UPPER)
51410-001-040
Unavailable
13
METAL, FR. DAMPER (LOWER) (NOT AVAILABLE)
51420-030-000
Unavailable
14
SPRING, FR. FORK
51410-034-000
Unavailable
15
COLLAR, FR. FORK (UPPER) (NOT AVAILABLE)
51488-001-000
Unavailable
16
COLLAR, FR. FORK (OUTER)
51486-030-010
Unavailable
17
SEAT, FR. FORK SPRING
51407-001-000
Unavailable
18
RUBBER, FR. FORK STOPPER
51475-001-010
Unavailable
19
BUSH, FR. FORK (NOT AVAILABLE)
51489-001-000
Unavailable
20
GUIDE, FR. FORK SPRING (NOT AVAILABLE)
51409-001-020
Unavailable
21
NUT, FR. FORK LOCK (LOWER)
51482-001-020
Unavailable
22
STOPPER, FR. ARM REBOUND (NOT AVAILABLE)
51251-001-000
Unavailable
23
METAL, FR. FENDER FIXING (UPPER) (NOT AVAILABLE)
61117-001-010
Unavailable
24
BOLT, FR. ARM (NOT AVAILABLE)
90125-001-000
Unavailable
25
BOLT, FR. SHOCK (UPPER) (NOT AVAILABLE)
90147-001-000
Unavailable
26
BOLT, FR. SHOCK ABSORBER (LOWER) (NOT AVAILABLE)
90149-001-000
Unavailable
29
BOLT, HEX. (8X22) This part replaces 90061-030-000.
92101-08022-0A
Unavailable
29
BOLT, HEX. (8X22) This part replaces 92000-08022.
92101-08022-0A
Unavailable
29
BOLT, HEX. (8X22) This part replaces 92000-08022-0A.
92101-08022-0A
Unavailable
29
BOLT, HEX. (8X22)
92101-08022-0A
Unavailable
