- Partiron
- OEM Parts
- Honda
- MOTORCYCLE
- 1982
- CM450EA (82) MOTORCYCLE, JPN, VIN# JH2PC053-CM000001 TO JH2PC053-CM012034
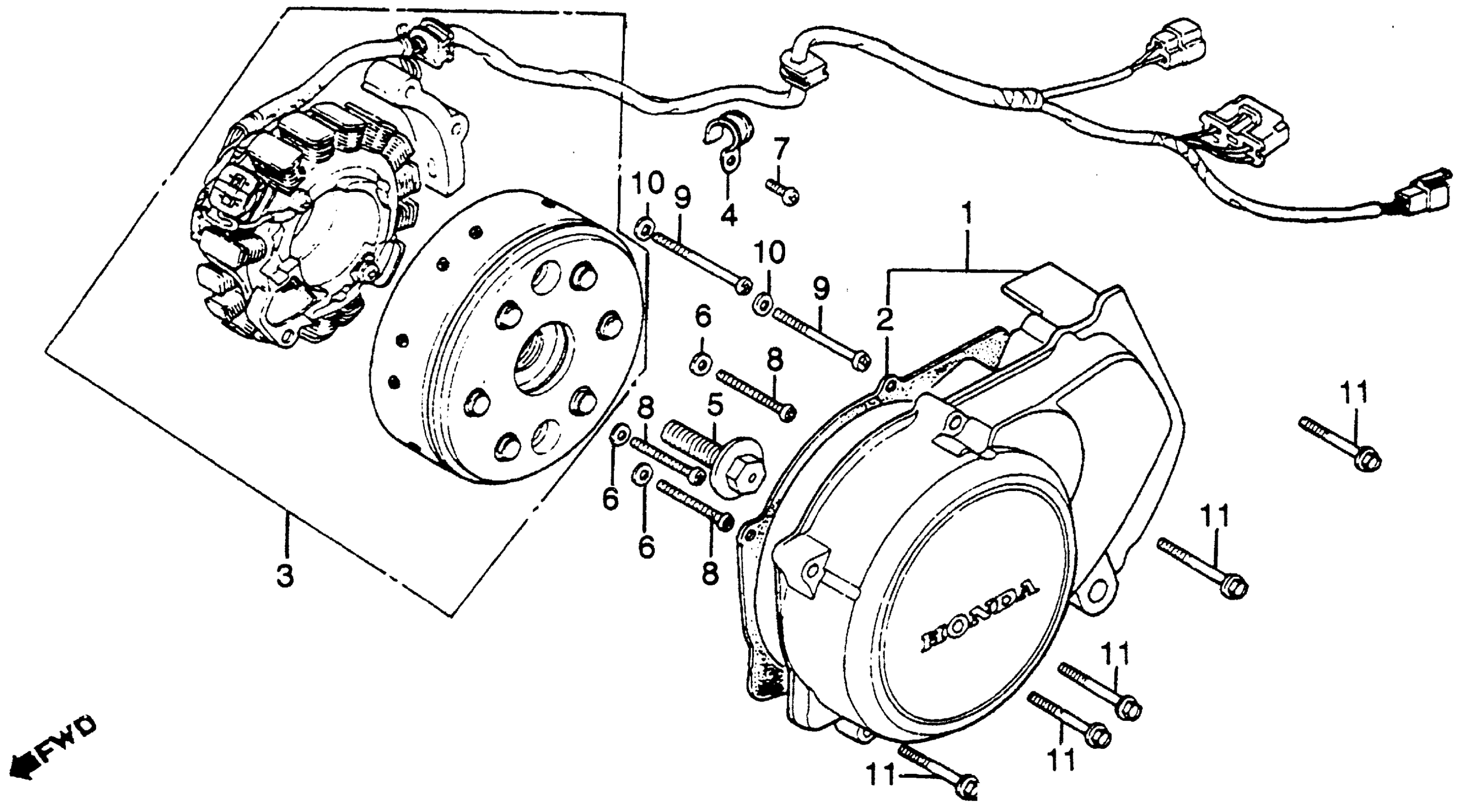
CM450E/CLEFT CRANKCASE COVER + ALTERNATOR
Honda CM450EA (82) MOTORCYCLE, JPN, VIN# JH2PC053-CM000001 TO JH2PC053-CM012034 CM450E/CLEFT CRANKCASE COVER + ALTERNATOR Diagram
#
Description
Price
1
COVER, L. CRANKCASE This part replaces 11360-413-750.
11360-443-010
Unavailable
1
COVER, L. CRANKCASE This part replaces 11360-413-751.
11360-443-010
Unavailable
2
GASKET, L. CRANKCASE COVER This part replaces 11492-413-300.
11492-413-306
Unavailable
2
GASKET, L. CRANKCASE COVER
11492-413-306
Unavailable
3
ALTERNATOR ASSY. (HITACHI)
31100-MC0-671
Unavailable
5
BOLT, FLANGE (12X45) This part replaces 90023-HA7-670.
90024-MT3-000
Unavailable
5
BOLT, FLANGE (12X45) This part replaces 90023-428-000.
90024-MT3-000
Unavailable
5
BOLT, FLANGE (12X45)
90024-MT3-000
Unavailable
6
WASHER, THRUST (12MM) (NOT AVAILABLE)
90457-333-000
Unavailable
