- Partiron
- OEM Parts
- Honda
- MOTORCYCLE
- 1981
- CM400CA (81) CUSTOM, JPN, VIN# JH2NC012-BM000001
CM400C/TSTEP 79-81
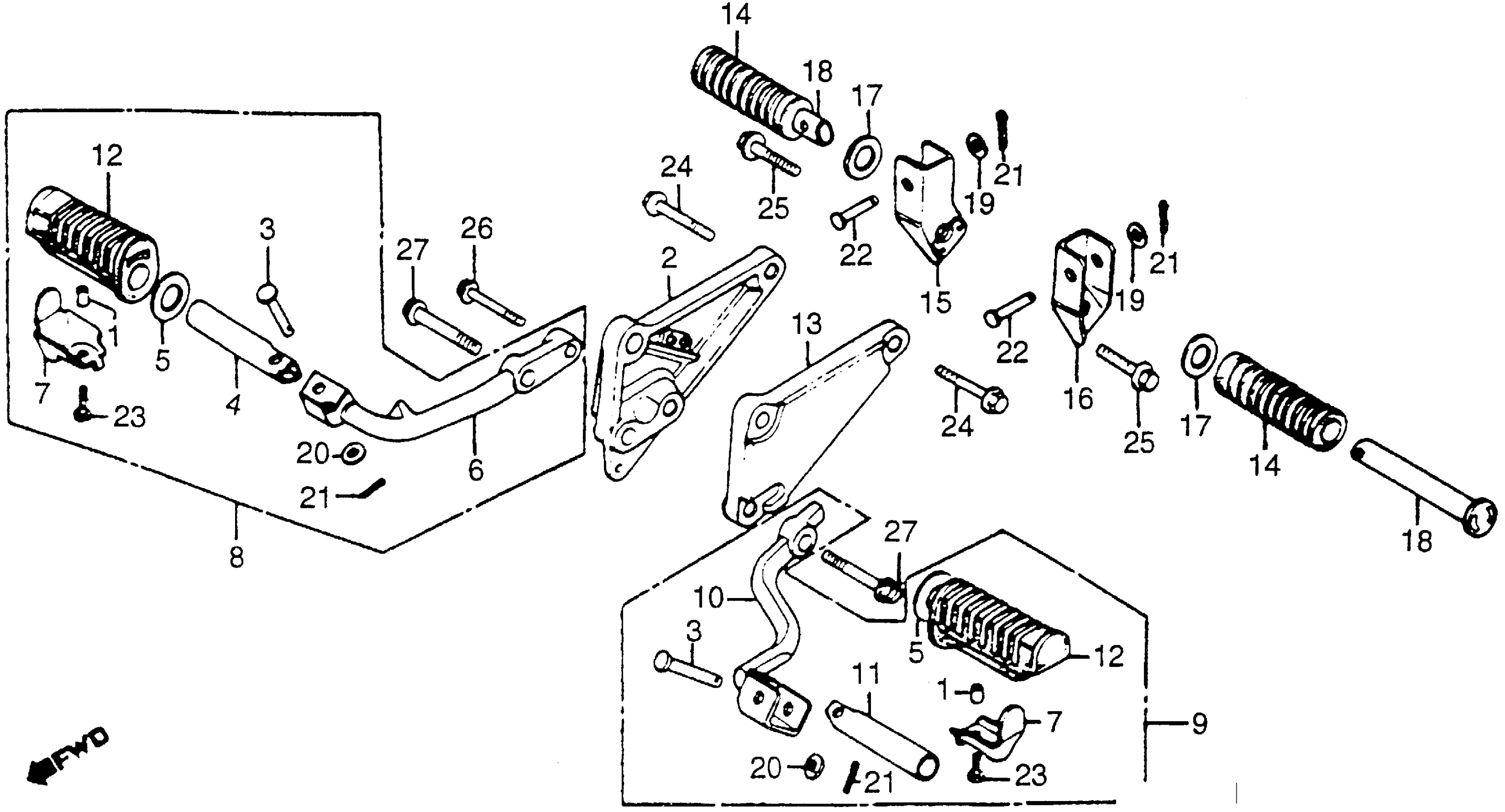
Honda CM400CA (81) CUSTOM, JPN, VIN# JH2NC012-BM000001 CM400C/TSTEP 79-81 Diagram
#
Description
Price
1
COLLAR, INSTRUMENT SETTING
37243-323-000
Unavailable
2
STIFFENER, R. SWINGARM PIVOT (NOT AVAILABLE)
50600-447-000
Unavailable
4
BAR, R. FOOTPEG
50612-413-000
Unavailable
5
WASHER, MAIN FOOTPEG
50614-413-000
Unavailable
6
ARM, R. STEP (NOT AVAILABLE) This part replaces 50615-447-730.
50615-447-000
Unavailable
7
STOPPER, STEP RUBBER
50619-425-010
Unavailable
8
FOOTPEG ASSY., R. (NOT AVAILABLE)
50630-447-730
Unavailable
9
FOOTPEG ASSY., L. (NOT AVAILABLE)
50640-447-000
Unavailable
10
ARM, L. FOOTPEG
50641-447-000
Unavailable
11
BAR, L. FOOTPEG (NOT AVAILABLE)
50643-413-000
Unavailable
13
STIFFENER, L. SWINGARM PIVOT
50700-447-000
Unavailable
14
RUBBER, PILLION FOOTPEG
50710-405-000
Unavailable
15
BRACKET, R. PILLION STEP
50711-402-000
Unavailable
16
BRACKET, L. PILLION STEP
50712-402-000
Unavailable
