- Partiron
- OEM Parts
- Honda
- MOTORCYCLE
- 1982
- CM250CA (82) 250 CUSTOM, JPN, VIN# JH2MC060-CK000067 TO JH2MC060-CK017891
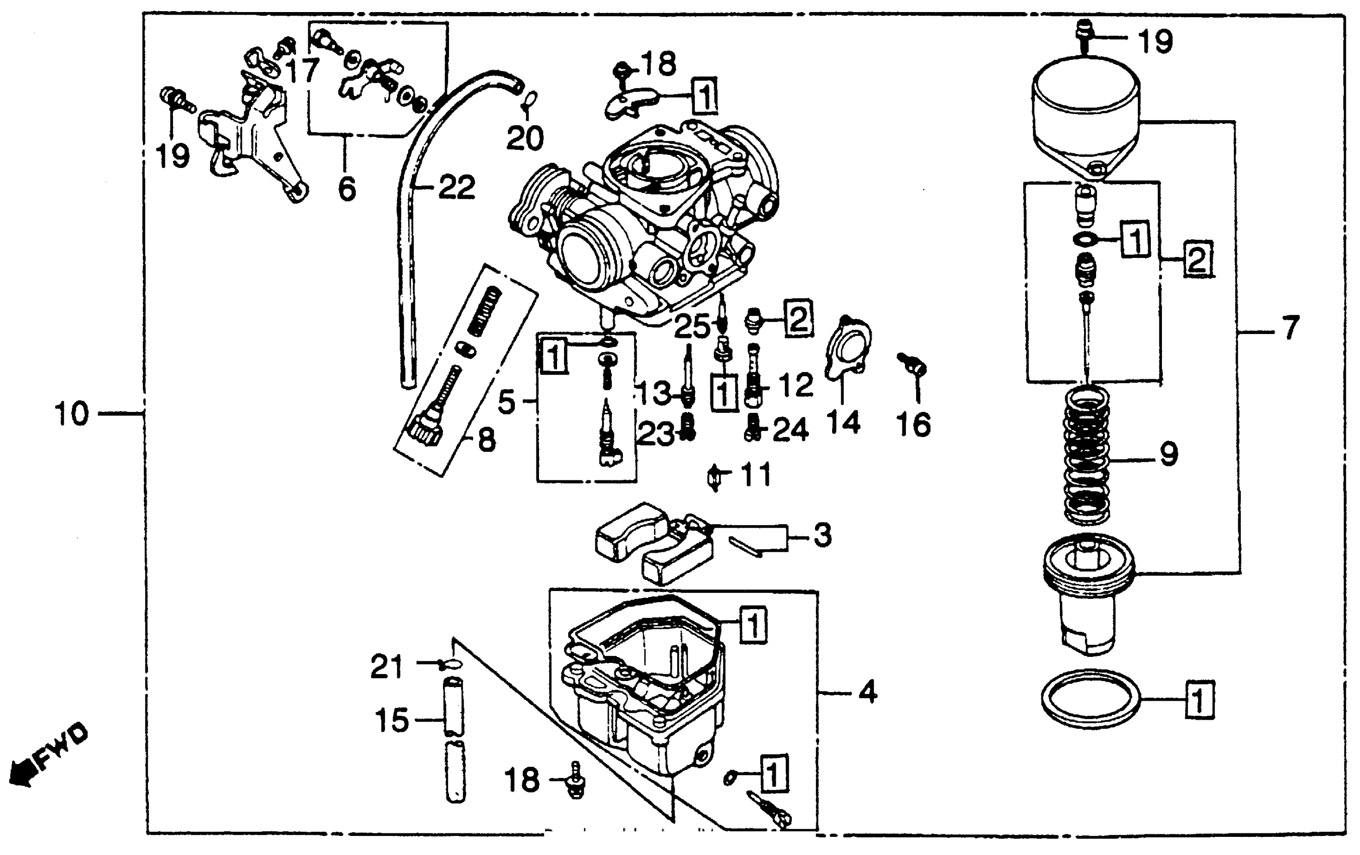
CARBURETOR 82
Honda CM250CA (82) 250 CUSTOM, JPN, VIN# JH2MC060-CK000067 TO JH2MC060-CK017891 CARBURETOR 82 Diagram
#
Description
Price
1
GASKET SET (NOT AVAILABLE)
16010-KB4-671
Unavailable
2
NEEDLE SET, JET (NOT AVAILABLE)
16012-KB4-672
Unavailable
4
CHAMBER SET, FLOAT This part replaces 16015-413-004.
16015-425-871
Unavailable
4
CHAMBER SET, FLOAT
16015-425-871
Unavailable
6
ARM SET, LINK (NOT AVAILABLE)
16018-KB4-671
Unavailable
7
PISTON SET, VACUUM (NOT AVAILABLE) This part replaces 16022-460-771.
16044-469-004
Unavailable
7
PISTON SET, VACUUM (NOT AVAILABLE)
16044-469-004
Unavailable
8
SCREW SET B (NOT AVAILABLE)
16028-425-671
Unavailable
9
SPRING, VACUUM PISTON (NOT AVAILABLE)
16050-443-701
Unavailable
10
CARBURETOR ASSY. (NOT AVAILABLE)
16100-KB4-672
Unavailable
13
NOZZLE, MAIN (NOT AVAILABLE)
16166-KB4-671
Unavailable
14
COVER, AIR CUT VALVE (NOT AVAILABLE)
16193-KB4-671
Unavailable
