- Partiron
- OEM Parts
- Honda
- MOTORCYCLE
- 1980
- CM200TA (80) TWINSTAR, JPN, VIN# MC01-2000028 TO MC01-2022424
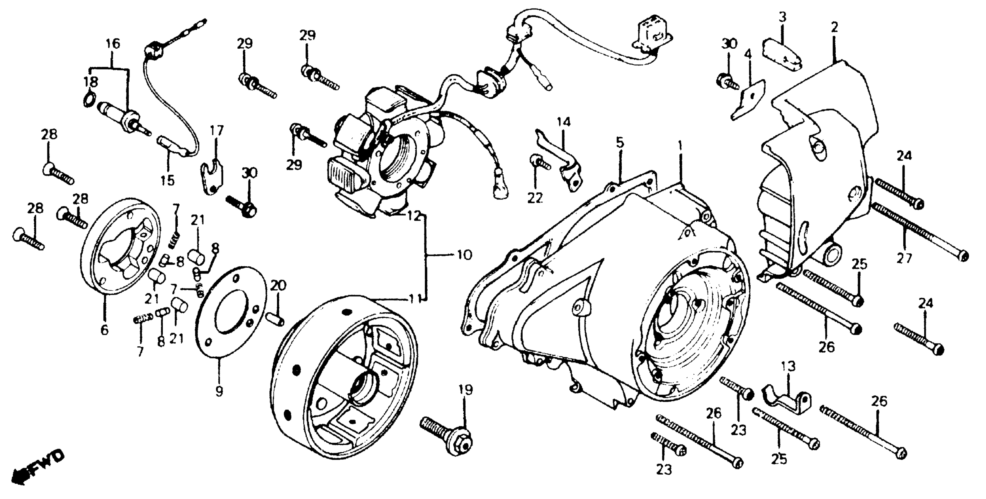
LEFT CRANKCASE COVER + ALTERNATOR
Honda CM200TA (80) TWINSTAR, JPN, VIN# MC01-2000028 TO MC01-2022424 LEFT CRANKCASE COVER + ALTERNATOR Diagram
#
Description
Price
1
COVER, L. CRANKCASE (NOT AVAILABLE) | Use up to Engine SN 2005032 This part replaces 11341-402-700.
11341-402-702
Unavailable
1
COVER, L. CRANKCASE (NOT AVAILABLE) This part replaces 11341-402-701.
11341-402-702
Unavailable
1
COVER, L. CRANKCASE (NOT AVAILABLE) This part replaces 11341-465-670.
11341-402-702
Unavailable
1
COVER, L. CRANKCASE (NOT AVAILABLE)
11341-402-702
Unavailable
2
COVER, L. RR. CRANKCASE
11361-418-000
Unavailable
3
INSULATOR, L. RR. COVER (NOT AVAILABLE)
11362-464-000
Unavailable
4
GUIDE, DRIVE CHAIN (NOT AVAILABLE)
11365-399-000
Unavailable
5
GASKET, L. SIDE SPACER This part replaces 11395-402-000.
11395-402-010
Unavailable
5
GASKET, L. SIDE SPACER
11395-402-010
Unavailable
10
ALTERNATOR ASSY. (HITACHI) (NOT AVAILABLE)
31100-464-005
Unavailable
11
ROTOR (HITACHI) (NOT AVAILABLE)
31110-464-005
Unavailable
12
STATOR (HITACHI)
31120-464-005
Unavailable
13
CLIP, STARTER MOTOR CABLE (NOT AVAILABLE)
32911-402-000
Unavailable
14
CLAMP, WIRE (NOT AVAILABLE)
32912-402-700
Unavailable
15
SUB-WIRE, NEUTRAL SWITCH (NOT AVAILABLE)
32975-399-000
Unavailable
16
CONTACT ASSY., NEUTRAL SWITCH (DAIICHI) (NOT AVAILABLE)
35750-350-005
Unavailable
18
O-RING (7X1.6)
37551-001-000
Unavailable
20
PIN, KNOCK (6X17.5) (NOT AVAILABLE)
90704-259-000
Unavailable
27
SCREW, PAN (6X90) (SOURCE: VINTAGE PARTS INC.)
93500-06090
Unavailable
29
SCREW-WASHER (5X28) (NOT AVAILABLE)
93892-05028-08
Unavailable
