- Partiron
- OEM Parts
- Honda
- MOTORCYCLE
- 1980
- CM200TA (80) TWINSTAR, JPN, VIN# MC01-2000028 TO MC01-2022424
AIR CLEANER
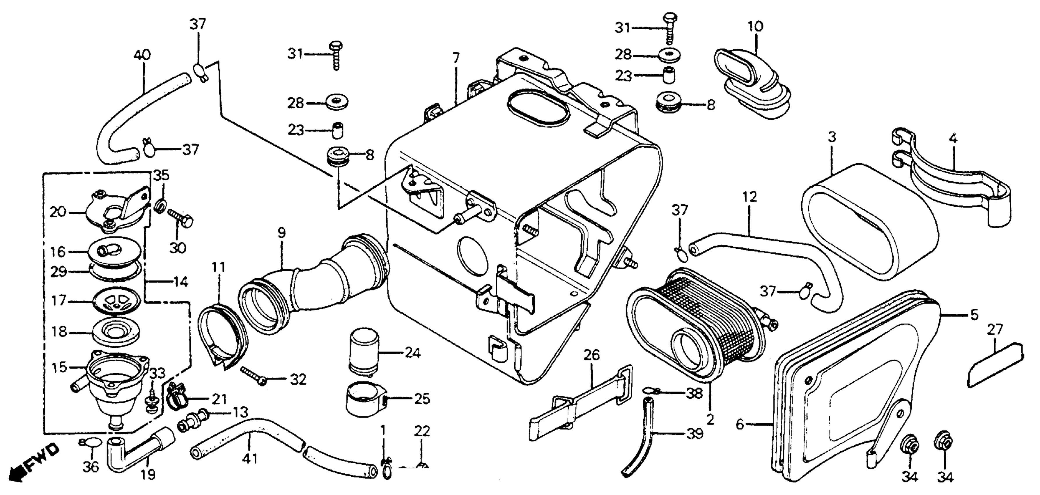
Honda CM200TA (80) TWINSTAR, JPN, VIN# MC01-2000028 TO MC01-2022424 AIR CLEANER Diagram
#
Description
Price
2
TRAP, FLAME (NOT AVAILABLE)
17211-419-670
Unavailable
4
SPRING, ELEMENT (NOT AVAILABLE)
17217-419-670
Unavailable
5
COVER, AIR CLEANER
17225-402-000
Unavailable
6
GASKET, AIR CLEANER HOUSING
17226-402-300
Unavailable
7
HOUSING, AIR CLEANER
17230-465-670
Unavailable
9
TUBE, AIR CLEANER CONNECTING
17253-418-710
Unavailable
10
TUBE, AIR CLEANER IN. (NOT AVAILABLE)
17254-464-000
Unavailable
12
TUBE, BREATHER (NOT AVAILABLE)
17278-419-670
Unavailable
14
SEPARATOR ASSY., BREATHER (NOT AVAILABLE)
17360-419-670
Unavailable
15
BODY, BREATHER SEPARATOR
17361-419-670
Unavailable
16
CAP, BREATHER SEPARATOR
17362-419-670
Unavailable
17
HOLDER, ELEMENT
17363-419-670
Unavailable
18
ELEMENT, CONDENSATION
17364-419-000
Unavailable
19
TUBE, DRAIN
17365-419-000
Unavailable
20
COVER, BREATHER SEPARATOR
17368-419-670
Unavailable
21
CLIP, TUBE (A13.5)
17369-419-670
Unavailable
27
LABEL, AIR CLEANER CAUTION
87506-340-670
Unavailable
29
O-RING (47X1.9)
91305-419-670
Unavailable
33
SCREW-WASHER (4X18)
93891-04018-08
Unavailable
38
CLIP, TUBE (C6)
95002-30000
Unavailable
39
*95003-08001-10M This part replaces 95003-08035-10.
95003-08040-10S
Unavailable
