- Partiron
- OEM Parts
- Honda
- MOTORCYCLE
- Models With No Year
- CL90A MOTORCYCLE, JPN, VIN# CL90-106956
TURN SIGNAL SWITCH + DIMMER SWITCH
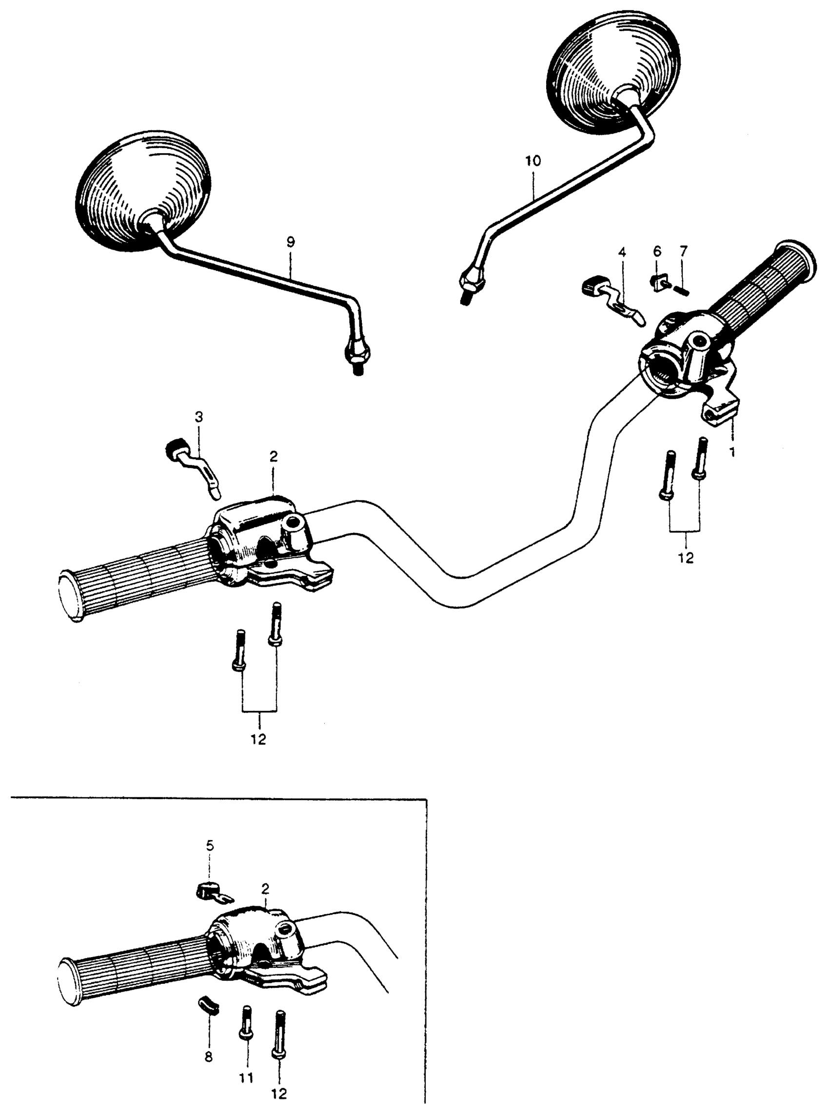
Honda CL90A MOTORCYCLE, JPN, VIN# CL90-106956 TURN SIGNAL SWITCH + DIMMER SWITCH Diagram
#
Description
Price
1
SWITCH ASSY., LIGHTING DIMMER | Use from Frame SN 275568
35250-056-674
Unavailable
3
KNOB, LIGHTING SWITCH (NOT AVAILABLE) | Use from Frame SN 106956
35315-230-000
Unavailable
4
KNOB, TURN SIGNAL SWITCH (NOT AVAILABLE) | Use from Frame SN 106956
35316-230-000
Unavailable
6
BUTTON, HORN SWITCH PUSH | Use from Frame SN 106956
35317-259-300
Unavailable
8
ADJUSTER, THROTTLE GRIP (NOT AVAILABLE) | Use from Frame SN 106956
53163-271-000
Unavailable
9
MIRROR, R. | Use from Frame SN 424487
88110-028-000
Unavailable
10
MIRROR, L. | Use from Frame SN 106956
88120-028-600
Unavailable
12
SCREW, PAN (5X24) (SOURCE: VINTAGE PARTS INC.)
93500-05024-0A
Unavailable
