- Partiron
- OEM Parts
- Honda
- MOTORCYCLE
- Models With No Year
- CL72A MOTORCYCLE, JPN, VIN# CL72-100001
HEADLIGHT + TAILLIGHT
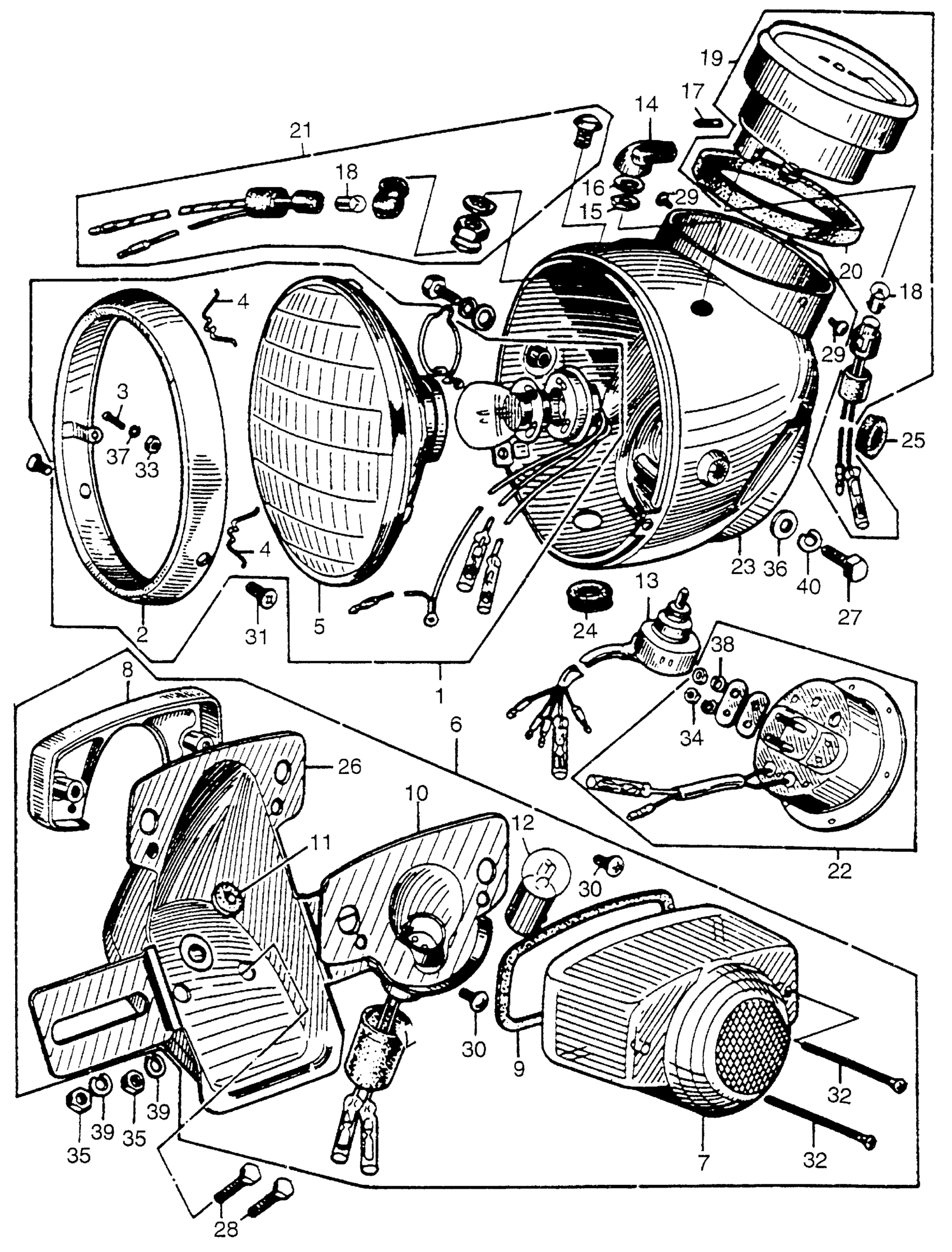
Honda CL72A MOTORCYCLE, JPN, VIN# CL72-100001 HEADLIGHT + TAILLIGHT Diagram
#
1
HEADLIGHT ASSY. (NOT AVAILABLE)
33100-268-672
Unavailable
2
RIM, HEADLIGHT (NOT AVAILABLE)
33101-268-672
Unavailable
3
SCREW (3MM) (NOT AVAILABLE) This part replaces 33102-200-000.
33102-200-003
Unavailable
3
SCREW (3MM) (NOT AVAILABLE)
33102-200-003
Unavailable
4
SPRING, UNIT HOLDER
33108-268-000
Unavailable
5
SEALED BEAM UNIT (NOT AVAILABLE)
33120-268-670
Unavailable
6
TAILLIGHT ASSY. (NOT AVAILABLE)
33700-268-601
Unavailable
7
LENS, TAILLIGHT
33701-268-680
Unavailable
8
PLATE, TAILLIGHT LENS HOLDER
33705-268-670
Unavailable
9
GASKET, TAILLIGHT LENS
33709-268-810
Unavailable
10
SOCKET, TAILLIGHT (NOT AVAILABLE)
33710-268-610
Unavailable
11
GROMMET B, TAILLIGHT CABLE (NOT AVAILABLE)
33714-268-000
Unavailable
12
BULB, STOP & TAILLIGHT (12V23/8W) (STANLEY) This part replaces 33551-568-610.
34906-313-671
$6.67
12
BULB, STOP & TAILLIGHT (12V23/8W) (STANLEY) This part replaces 34901-504-003.
34906-313-671
$6.67
12
BULB, STOP & TAILLIGHT (12V23/8W) (STANLEY) This part replaces 34906-268-810.
34906-313-671
$6.67
13
SWITCH ASSY., LIGHTING This part replaces 35150-270-000.
35150-270-003
Unavailable
13
SWITCH ASSY., LIGHTING
35150-270-003
Unavailable
14
KNOB, LIGHT SWITCH (NOT AVAILABLE) This part replaces 35151-268-000.
35151-292-751
Unavailable
14
KNOB, LIGHT SWITCH (NOT AVAILABLE)
35151-292-751
Unavailable
15
NUT, LIGHT SWITCH (NOT AVAILABLE)
35152-268-000
Unavailable
16
WASHER, LIGHTING SWITCH (NOT AVAILABLE)
35153-268-000
Unavailable
17
SCREW, SETTING | Use from Frame SN 0020002 to 0317995
35154-268-000
Unavailable
17
SCREW, SETTING | Use from Frame SN 1000001 to 1007240
35154-268-000
Unavailable
17
SCREW, SETTING | Use from Frame SN 1100001 to 1109459
35154-268-000
Unavailable
17
SCREW, SETTING | Use from Frame SN 4000001 to 4003196
35154-268-000
Unavailable
19
SPEEDOMETER ASSY. (NOT AVAILABLE) This part replaces 37200-273-000.
37200-273-810
Unavailable
19
SPEEDOMETER ASSY. (NOT AVAILABLE) This part replaces 37200-273-671.
37200-273-810
Unavailable
19
SPEEDOMETER ASSY. (NOT AVAILABLE)
37200-273-810
Unavailable
20
GASKET, SPEEDOMETER (NOT AVAILABLE)
37242-270-000
Unavailable
21
LAMP ASSY., PILOT (NOT AVAILABLE)
37700-259-000
Unavailable
22
HORN ASSY. (NOT AVAILABLE)
38100-273-000
Unavailable
23
CASE, HEADLIGHT | Use from Frame SN 1007241
61301-273-811Z
Unavailable
24
BUSHING, HORN RUBBER (NOT AVAILABLE)
61302-273-000
Unavailable
25
GASKET, HORN RUBBER (NOT AVAILABLE)
61303-273-000
Unavailable
26
BRACKET, TAILLIGHT (NOT AVAILABLE)
84701-268-810Z
Unavailable
27
BOLT, LIGHT CASE SETTING (NOT AVAILABLE) | Use from Frame SN 1007241
90154-268-000
Unavailable
31
SCREW, FLAT (5X8) (NOT AVAILABLE)
93600-05008
Unavailable
33
NUT, HEX. (3MM) (SOURCE: VINTAGE PARTS INC.)
94001-03000
Unavailable
40
WASHER, SPRING (8MM) | Use from Frame SN 0020002 to 0317995
94111-08200
Unavailable
40
WASHER, SPRING (8MM) | Use from Frame SN 1000001 to 1007240
94111-08200
Unavailable
40
WASHER, SPRING (8MM) | Use from Frame SN 1100001 to 1109459
94111-08200
Unavailable
40
WASHER, SPRING (8MM) | Use from Frame SN 4000001 to 4003196
94111-08200
Unavailable
