- Partiron
- OEM Parts
- Honda
- MOTORCYCLE
- Models With No Year
- CL72A MOTORCYCLE, JPN, VIN# CL72-100001
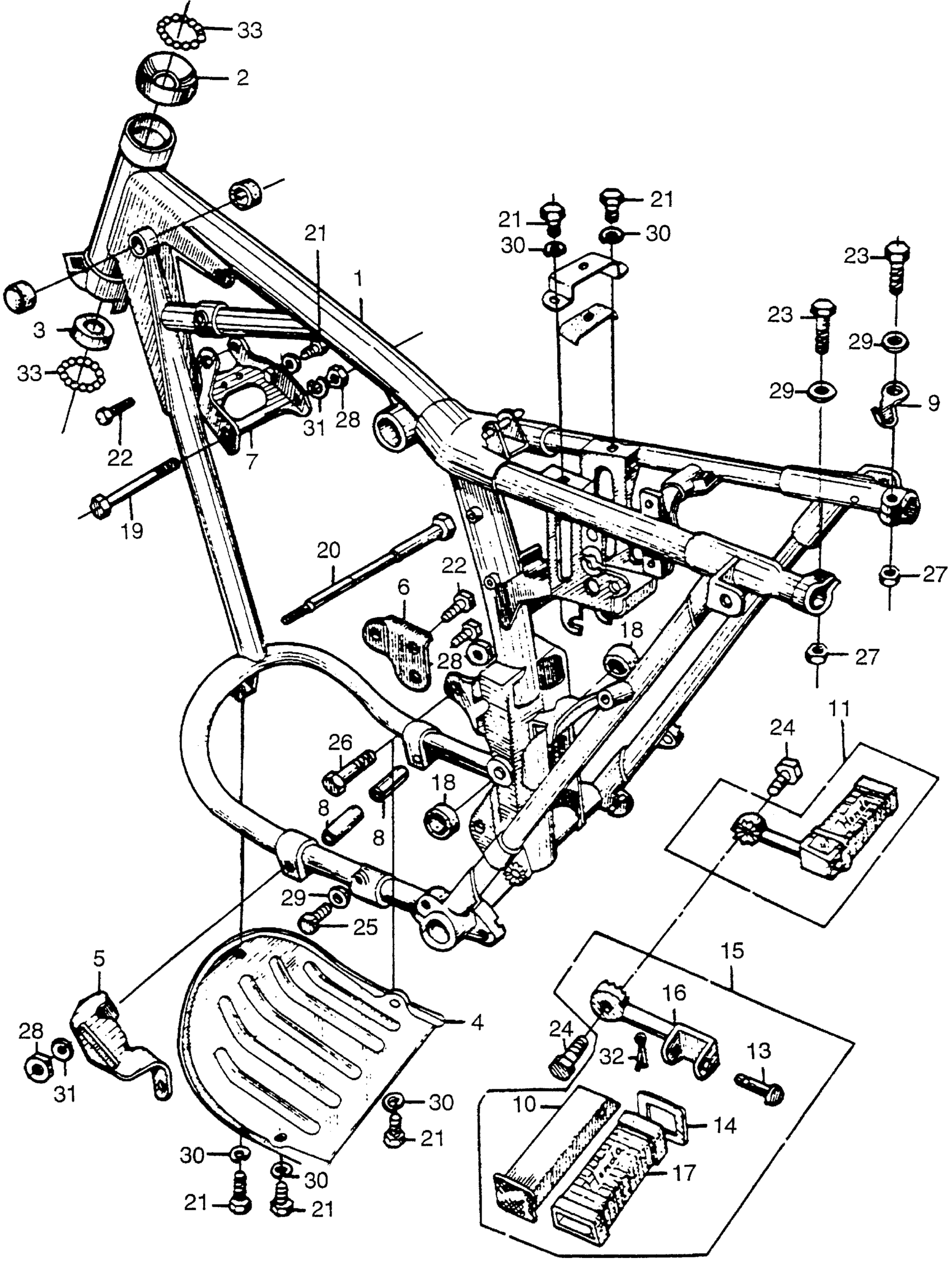
FRAME
Honda CL72A MOTORCYCLE, JPN, VIN# CL72-100001 FRAME Diagram
#
1
FRAME This part replaces 50100-273-000Z.
50100-273-010Z
Unavailable
1
FRAME
50100-273-010Z
Unavailable
1
FRAME This part replaces 50100-273-020Z.
50100-273-030Z
Unavailable
1
FRAME
50100-273-030Z
Unavailable
4
PROTECTOR, CASE (LOWER) *NH1* (BLACK) (NOT AVAILABLE)
50351-273-000B
Unavailable
6
PLATE, ENGINE HANGER (LOWER) (NOT AVAILABLE)
50354-273-000Z
Unavailable
7
BRACKET, ENGINE HANGER
50355-273-010
Unavailable
7
BRACKET, ENGINE HANGER This part replaces 50355-273-303.
50355-273-010
Unavailable
8
COLLAR, ENGINE FITTING DISTANCE (NOT AVAILABLE)
50356-273-000
Unavailable
9
CLIP, TAIL CORD (NOT AVAILABLE)
50377-273-000
Unavailable
10
BAR, PILLION STEP (NOT AVAILABLE)
50707-256-000
Unavailable
11
ARM, R. PILLION STEP (NOT AVAILABLE) This part replaces 50710-273-000.
50710-273-010
Unavailable
11
ARM, R. PILLION STEP (NOT AVAILABLE)
50710-273-010
Unavailable
13
PIN, PILLION STEP (NOT AVAILABLE)
50713-257-000
Unavailable
14
SEAT, PILLION STEP RUBBER (NOT AVAILABLE)
50716-257-000
Unavailable
15
STEP ASSY., L. PILLION This part replaces 50720-273-000.
50720-273-010
Unavailable
15
STEP ASSY., L. PILLION
50720-273-010
Unavailable
16
ARM, L. PILLION STEP (NOT AVAILABLE)
50721-273-000
Unavailable
17
RUBBER, PILLION STEP
50731-256-000
Unavailable
19
BOLT, ENGINE HANGER (NOT AVAILABLE) | Use from Frame SN 0020002 to 0317995
90105-273-000
Unavailable
19
BOLT, ENGINE HANGER (NOT AVAILABLE) | Use from Frame SN 4000001 to 4001596
90105-273-000
Unavailable
19
BOLT, ENGINE HANGER (NOT AVAILABLE) | Use from Frame SN 1000001
90105-273-010
Unavailable
20
BOLT, ENGINE (LOWER) (NOT AVAILABLE)
90106-273-000
Unavailable
24
BOLT, HEX. (10X28) This part replaces 92000-10028.
92101-10028-0A
Unavailable
24
BOLT, HEX. (10X28) This part replaces 92000-10028-0A.
92101-10028-0A
Unavailable
24
BOLT, HEX. (10X28) This part replaces 92026-10028-0A.
92101-10028-0A
Unavailable
24
BOLT, HEX. (10X28)
92101-10028-0A
Unavailable
25
BOLT, HEX. (10X36) This part replaces 92000-10035.
92101-10036-0A
Unavailable
25
BOLT, HEX. (10X36) This part replaces 92000-10036-0A.
92101-10036-0A
Unavailable
26
BOLT, HEX. (10X48) (NOT AVAILABLE)
92000-10048
Unavailable
