- Partiron
- OEM Parts
- Honda
- MOTORCYCLE
- Models With No Year
- CL450K5A MOTORCYCLE, JPN, VIN# CL450-5000001 TO CL450-5019216
TURN SIGNAL K3-K5
Honda CL450K5A MOTORCYCLE, JPN, VIN# CL450-5000001 TO CL450-5019216 TURN SIGNAL K3-K5 Diagram
#
Description
Price
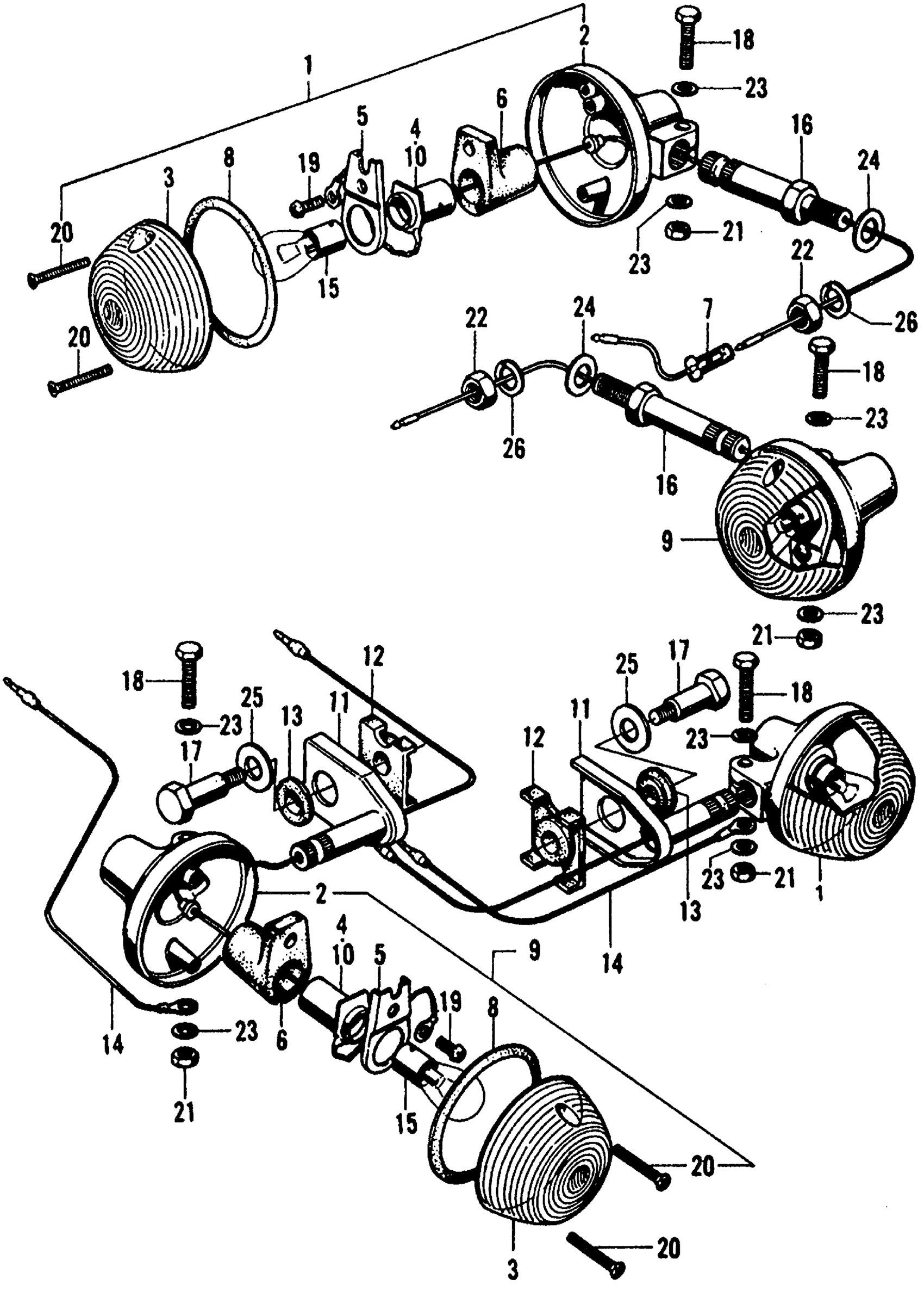
1
TURN SIGNAL ASSY., R. FR. This part replaces 33400-292-670.
33400-292-679
Unavailable
1
TURN SIGNAL ASSY., R. FR.
33400-292-679
Unavailable
4
SOCKET, R. FR. This part replaces 33402-292-003.
33410-361-003
Unavailable
5
HOLDER, FR. TURN SIGNAL SOCKET (STANLEY) (NOT AVAILABLE) This part replaces 33407-284-000.
33407-284-003
Unavailable
5
HOLDER, FR. TURN SIGNAL SOCKET (STANLEY) (NOT AVAILABLE)
33407-284-003
Unavailable
6
RUBBER, TURN SIGNAL CUSHION (STANLEY) (NOT AVAILABLE) | Use up to Frame SN 5045982 This part replaces 33408-284-000.
33408-341-701
Unavailable
6
RUBBER, TURN SIGNAL CUSHION (STANLEY) (NOT AVAILABLE)
33408-341-701
Unavailable
7
SUB-WIRE, R. FR. TURN SIGNAL
33410-292-000
Unavailable
9
TURN SIGNAL ASSY., R. FR. This part replaces 33400-292-670.
33400-292-679
Unavailable
9
TURN SIGNAL ASSY., R. FR.
33400-292-679
Unavailable
9
TURN SIGNAL ASSY., R. FR. This part replaces 33450-292-670.
33400-292-679
Unavailable
10
SOCKET COMP., L. FR. This part replaces 33453-292-003.
33460-361-003
Unavailable
11
STAY, R. RR. TURN SIGNAL MOUNT *NH1* (BLACK)
33607-292-000B
Unavailable
12
RUBBER, RR. TURN SIGNAL MOUNT (NOT AVAILABLE)
33608-292-020
Unavailable
13
RUBBER B, RR. TURN SIGNAL MOUNT
33608-286-000
Unavailable
13
RUBBER B, RR. TURN SIGNAL MOUNT This part replaces 33609-292-000.
33608-286-000
Unavailable
14
WIRE, RR. TURN SIGNAL GROUND (NOT AVAILABLE)
33620-286-670
Unavailable
14
WIRE, RR. TURN SIGNAL GROUND (NOT AVAILABLE) This part replaces 33620-292-000.
33620-286-670
Unavailable
17
BOLT, RR. TURN SIGNAL SET (NOT AVAILABLE)
90155-292-010
Unavailable
