- Partiron
- OEM Parts
- Honda
- MOTORCYCLE
- Models With No Year
- CL450K4A MOTORCYCLE, JPN, VIN# CL450-4100001
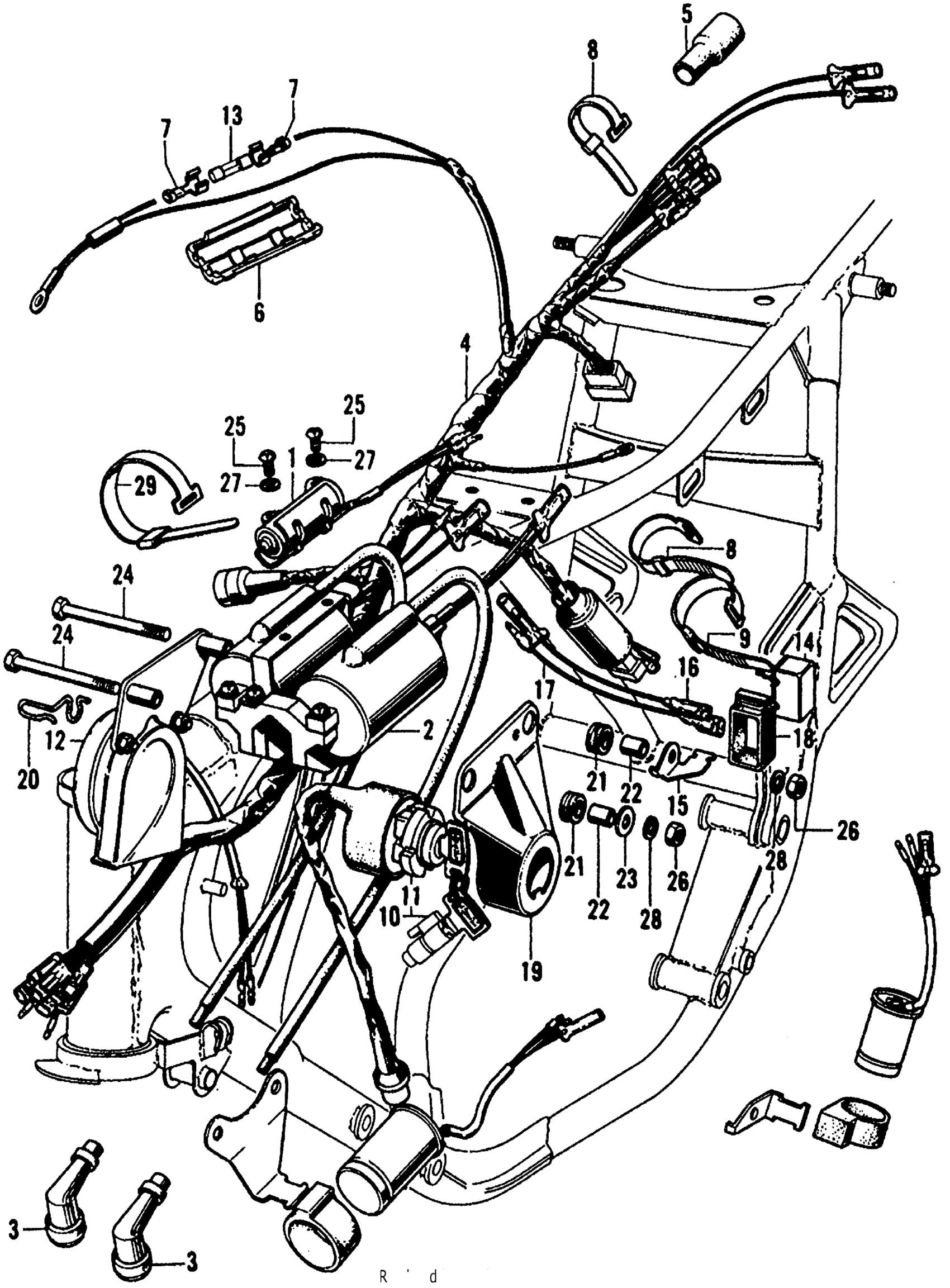
WIRE HARNESS + IGNITION COIL
Honda CL450K4A MOTORCYCLE, JPN, VIN# CL450-4100001 WIRE HARNESS + IGNITION COIL Diagram
#
Description
Price
1
CONDENSER (TOYO)
30280-292-672
Unavailable
2
COIL ASSY., IGNITION (NOT AVAILABLE)
30500-292-672
Unavailable
3
CAP ASSY., NOISE SUPPRESSOR This part replaces 30700-292-000.
30700-890-013
Unavailable
3
CAP ASSY., NOISE SUPPRESSOR This part replaces 30700-890-000.
30700-890-013
Unavailable
3
CAP ASSY., NOISE SUPPRESSOR This part replaces 30700-890-003.
30700-890-013
Unavailable
3
CAP ASSY., NOISE SUPPRESSOR
30700-890-013
Unavailable
4
WIRE HARNESS (NOT AVAILABLE)
32100-319-000
Unavailable
5
COVER, WIRE HARNESS CONNECTOR
32108-046-000
Unavailable
10
SWITCH, IGNITION This part replaces 35010-303-003.
35010-315-017
Unavailable
10
SWITCH, IGNITION This part replaces 35010-315-007.
35010-315-017
Unavailable
10
SWITCH, IGNITION
35010-315-017
Unavailable
10
SWITCH, IGNITION This part replaces 35010-336-611.
35010-315-017
Unavailable
12
HORN ASSY. (NOT AVAILABLE)
38100-286-014
Unavailable
15
STAY, TURN SIGNAL RELAY (NOT AVAILABLE)
38301-292-672
Unavailable
16
SUB-WIRE A, TURN SIGNAL RELAY (NOT AVAILABLE)
38304-243-670
Unavailable
17
SUB-WIRE B, TURN SIGNAL RELAY (NOT AVAILABLE)
38305-243-670
Unavailable
18
SUSPENSION, TURN SIGNAL RELAY (NOT AVAILABLE)
38306-292-670
Unavailable
19
BRACKET, MAIN SWITCH *NH1* (BLACK) (NOT AVAILABLE)
50375-292-020B
Unavailable
20
CLIP, TACHOMETER CABLE (NOT AVAILABLE)
50402-283-000
Unavailable
24
BOLT, HEX. (6X65) This part replaces 92000-06065.
92101-06065-0A
Unavailable
