- Partiron
- OEM Parts
- Honda
- MOTORCYCLE
- Models With No Year
- CL450A MOTORCYCLE, JPN, VIN# CL450-1000001
UPPER CRANKCASE
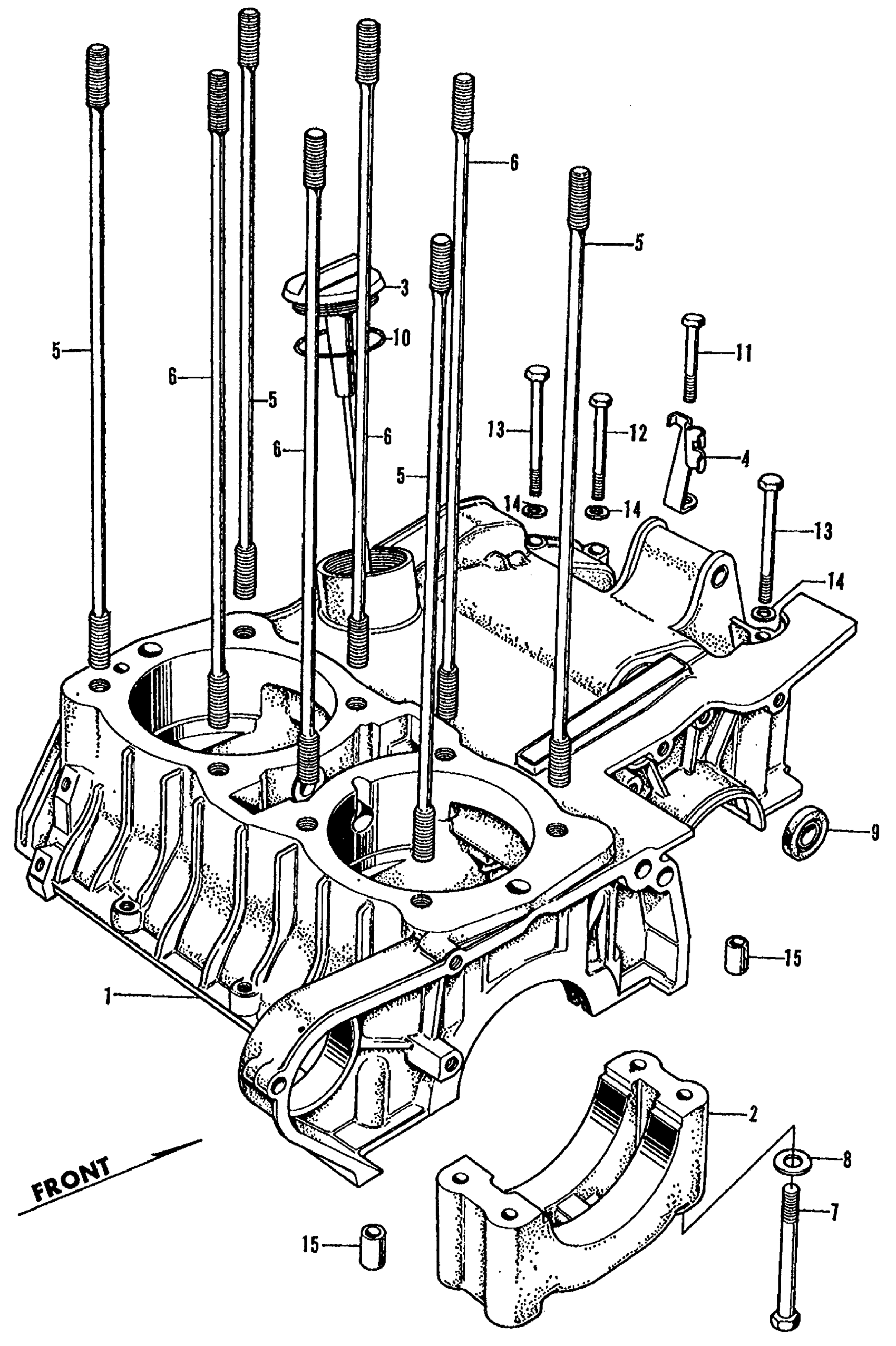
Honda CL450A MOTORCYCLE, JPN, VIN# CL450-1000001 UPPER CRANKCASE Diagram
#
Description
Price
1
CRANKCASE (UPPER)
11100-292-080
Unavailable
2
CAP, BEARING CENTER (NOT AVAILABLE)
13401-292-020
Unavailable
3
DIPSTICK, OIL (NOT AVAILABLE)
15650-292-010
Unavailable
4
CLAMP, ALTERNATOR CABLE (NOT AVAILABLE)
32921-283-010
Unavailable
5
BOLT A, CYLINDER STUD (NOT AVAILABLE)
90031-292-000
Unavailable
6
BOLT B, CYLINDER STUD (NOT AVAILABLE)
90032-292-000
Unavailable
7
BOLT, HEX. (8X71) (NOT AVAILABLE)
90083-292-000
Unavailable
11
BOLT, HEX. (6X40) This part replaces 92000-06040.
92101-06040-0A
Unavailable
11
BOLT, HEX. (6X40) This part replaces 92000-06040-0A.
92101-06040-0A
Unavailable
11
BOLT, HEX. (6X40)
92101-06040-0A
Unavailable
12
BOLT, HEX. (6X65) This part replaces 92000-06063.
92101-06065-0A
Unavailable
12
BOLT, HEX. (6X65) This part replaces 92000-06063-0A.
92101-06065-0A
Unavailable
13
BOLT, HEX. (6X80) (SOURCE: VINTAGE PARTS INC.) This part replaces 92000-06080.
92101-06080-0A
Unavailable
13
BOLT, HEX. (6X80) (SOURCE: VINTAGE PARTS INC.)
92101-06080-0A
Unavailable
