- Partiron
- OEM Parts
- Honda
- MOTORCYCLE
- Models With No Year
- CL450A MOTORCYCLE, JPN, VIN# CL450-1000001
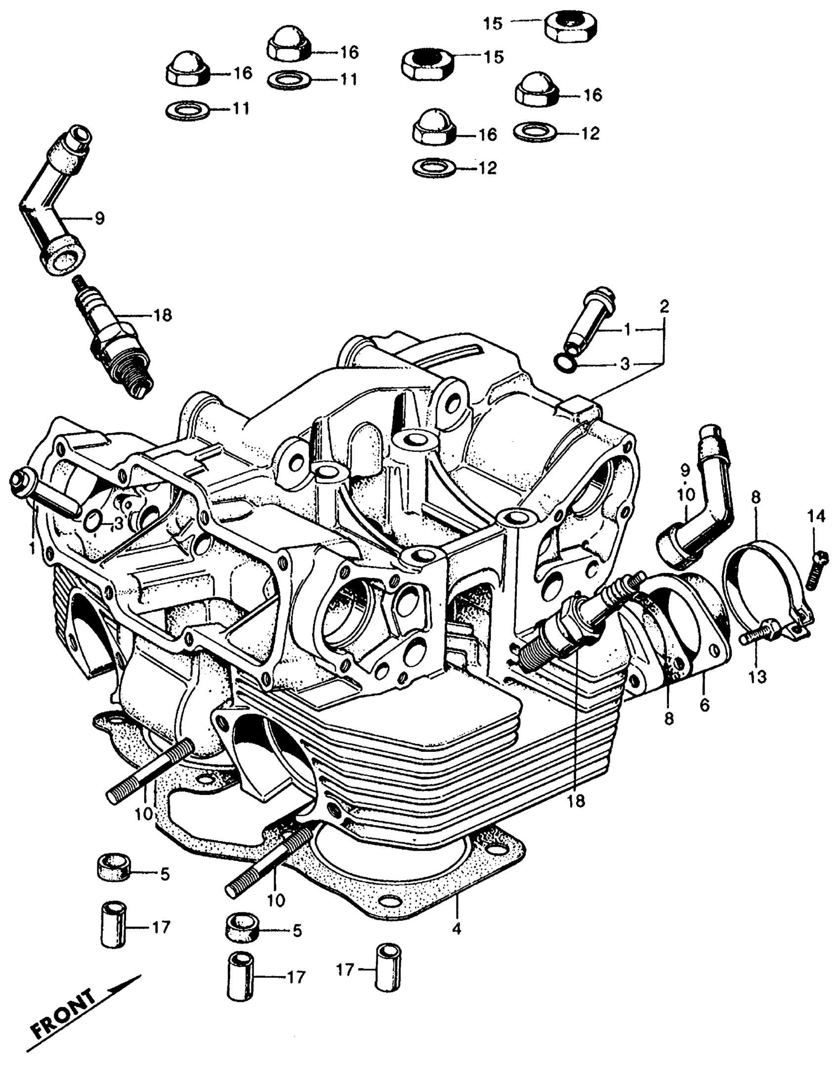
CYLINDER HEAD
Honda CL450A MOTORCYCLE, JPN, VIN# CL450-1000001 CYLINDER HEAD Diagram
#
Description
Price
1
GUIDE, EX. VALVE This part replaces 12021-292-300.
12023-319-405
Unavailable
1
GUIDE, EX. VALVE
12023-319-405
Unavailable
2
CYLINDER HEAD ASSY. (NOT AVAILABLE) | Use up to Engine SN 1004667
12200-292-070
Unavailable
2
CYLINDER HEAD (NOT AVAILABLE) | Use from Engine SN 1004668
12200-292-090
Unavailable
4
GASKET, CYLINDER HEAD This part replaces 12251-283-020.
12251-283-306
Unavailable
4
GASKET, CYLINDER HEAD
12251-283-306
Unavailable
5
GASKET, CYLINDER HEAD This part replaces 12909-333-000.
12909-428-003
Unavailable
5
GASKET, CYLINDER HEAD
12909-428-003
Unavailable
6
INSULATOR, CARBURETOR
16211-283-000
Unavailable
8
GASKET This part replaces 16229-283-010.
16229-283-306
Unavailable
9
CAP ASSY., NOISE SUPPRESSOR This part replaces 30700-292-000.
30700-890-013
Unavailable
9
CAP ASSY., NOISE SUPPRESSOR This part replaces 30700-890-000.
30700-890-013
Unavailable
9
CAP ASSY., NOISE SUPPRESSOR This part replaces 30700-890-003.
30700-890-013
Unavailable
9
CAP ASSY., NOISE SUPPRESSOR
30700-890-013
Unavailable
10
BOLT, STUD (6X52) (NOT AVAILABLE) | Use from Engine SN 1002958 to 1004667
90051-286-000
Unavailable
10
BOLT, STUD (6X46) (NOT AVAILABLE) | Use up to Engine SN 1002957
90051-286-305
Unavailable
10
BOLT, STUD (8X56) (NOT AVAILABLE) | Use from Engine SN 1004668
92700-08056-05
Unavailable
11
WASHER, SEALING (10MM) (NOT AVAILABLE)
90441-283-000
Unavailable
17
PIN, KNOCK (12X24) (NOT AVAILABLE)
94301-12240
Unavailable
