- Partiron
- OEM Parts
- Honda
- MOTORCYCLE
- Models With No Year
- CL175K6A MOTORCYCLE, JPN, VIN# CL175-7000001 TO CL175-7030148
BATTERY + RECTIFIER
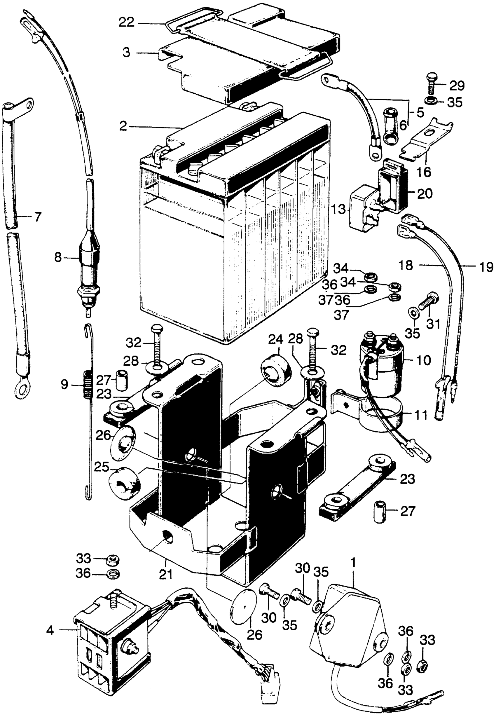
Honda CL175K6A MOTORCYCLE, JPN, VIN# CL175-7000001 TO CL175-7030148 BATTERY + RECTIFIER Diagram
#
1
REGULATOR (NOT AVAILABLE)
31400-292-670
Unavailable
2
BATTERY ASSY. (12N9-4B-1) This part replaces 31500-222-000.
31500-235-677AH
Unavailable
2
BATTERY ASSY. (12N9-4B-1) This part replaces 31500-235-000.
31500-235-677AH
Unavailable
2
BATTERY ASSY. (12N9-4B-1) This part replaces 31500-235-677.
31500-235-677AH
Unavailable
2
BATTERY ASSY. (12N9-4B-1) This part replaces 31500-307-671.
31500-235-677AH
Unavailable
3
COVER, BATTERY (NOT AVAILABLE)
31532-307-000
Unavailable
4
RECTIFIER ASSY. (SHINDENGEN) (NOT AVAILABLE) | Use up to Frame SN 7030148 This part replaces 31700-303-033.
31700-351-008
Unavailable
4
RECTIFIER ASSY. (SHINDENGEN) (NOT AVAILABLE) | Use up to Frame SN 7030148 This part replaces 31700-307-013.
31700-351-008
Unavailable
4
RECTIFIER ASSY. (SHINDENGEN) (NOT AVAILABLE) This part replaces 31700-351-003.
31700-351-008
Unavailable
4
RECTIFIER ASSY. (SHINDENGEN) (NOT AVAILABLE)
31700-351-008
Unavailable
5
CABLE, STARTER BATTERY (NOT AVAILABLE) This part replaces 32401-303-000.
32401-319-010
Unavailable
5
CABLE, STARTER BATTERY (NOT AVAILABLE) This part replaces 32401-319-000.
32401-319-010
Unavailable
5
CABLE, STARTER BATTERY (NOT AVAILABLE)
32401-319-010
Unavailable
7
CABLE, BATTERY GROUND (NOT AVAILABLE)
32601-336-000
Unavailable
9
SPRING, STOP SWITCH
35357-KE5-000
Unavailable
9
SPRING, STOP SWITCH This part replaces 35357-303-010.
35357-KE5-000
Unavailable
10
SWITCH ASSY., STARTER MAGNETIC This part replaces 35850-306-670.
35850-371-670
Unavailable
10
SWITCH ASSY., STARTER MAGNETIC
35850-371-670
Unavailable
11
STAY, STARTER SWITCH (NOT AVAILABLE) | Use up to Frame SN 7030148
35852-306-671
Unavailable
11
STAY, STARTER SWITCH (NOT AVAILABLE) | Use from Frame SN 7030149
35852-303-010
Unavailable
16
STAY, TURN SIGNAL RELAY (NOT AVAILABLE)
38301-315-670
Unavailable
18
SUB-WIRE A, TURN SIGNAL RELAY (NOT AVAILABLE)
38304-292-670
Unavailable
19
SUB-WIRE B, TURN SIGNAL RELAY (NOT AVAILABLE)
38305-292-670
Unavailable
20
SUSPENSION, TURN SIGNAL RELAY (NOT AVAILABLE)
38306-292-670
Unavailable
21
TRAY, BATTERY (NOT AVAILABLE)
83600-307-010
Unavailable
22
BAND C, BATTERY This part replaces 95012-14000.
95012-14001
Unavailable
22
BAND C, BATTERY
95012-14001
Unavailable
23
RUBBER, BATTERY CUSHION (NOT AVAILABLE)
83611-307-000
Unavailable
24
RUBBER A, BATTERY DISTANCE (NOT AVAILABLE)
83616-307-000
Unavailable
25
RUBBER B, BATTERY DISTANCE (NOT AVAILABLE)
83617-307-000
Unavailable
27
COLLAR, BATTERY TRAY SETTING (NOT AVAILABLE)
84706-307-000
Unavailable
34
NUT, HEX. (6MM) | Use from Frame SN 7030149 This part replaces 94002-06080-00.
94002-06080-0S
$1.49
34
NUT, HEX. (6MM) | Use from Frame SN 7030149 This part replaces 94002-06080-05.
94002-06080-0S
$1.49
