- Partiron
- OEM Parts
- Honda
- MOTORCYCLE
- Models With No Year
- CL125S1A MOTORCYCLE, JPN, VIN# CL125S-1100001
CRANKCASES
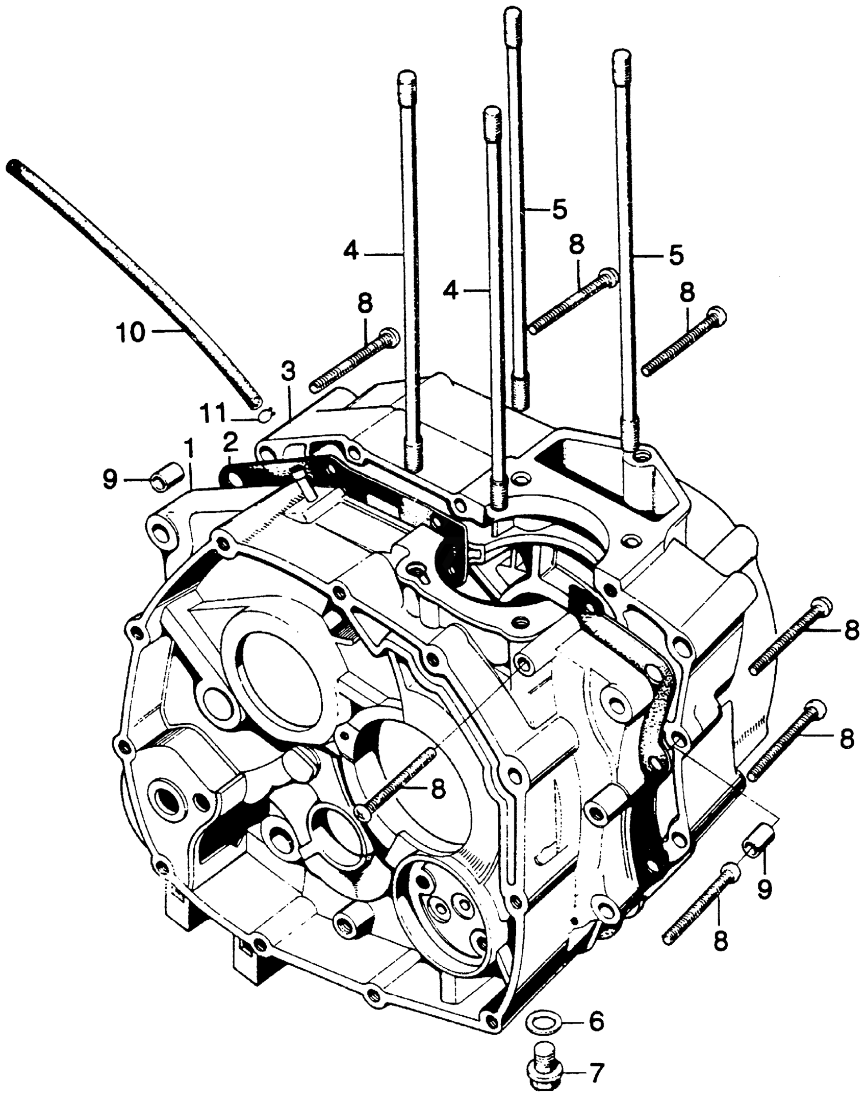
Honda CL125S1A MOTORCYCLE, JPN, VIN# CL125S-1100001 CRANKCASES Diagram
#
Description
Price
1
CRANKCASE, R. (NOT AVAILABLE)
11100-331-770
Unavailable
2
GASKET, CRANKCASE (AS) This part replaces 11191-324-000.
11191-324-306
Unavailable
2
GASKET, CRANKCASE (AS)
11191-324-306
Unavailable
3
CRANKCASE, L. (NOT AVAILABLE)
11200-324-010
Unavailable
5
BOLT B, CYLINDER STUD (NOT AVAILABLE) This part replaces 90032-107-000.
90032-107-010
Unavailable
10
TUBE (5.5X350) This part replaces 15761-045-000.
95001-55000-40
Unavailable
10
TUBE (5.5X350) This part replaces 95001-50000.
95001-55000-40
Unavailable
10
TUBE (5.5X350) This part replaces 95001-50000-90.
95001-55000-40
Unavailable
10
TUBE (5.5X350) This part replaces 95001-50180.
95001-55000-40
Unavailable
