- Partiron
- OEM Parts
- Honda
- MOTORCYCLE
- Models With No Year
- CL125AA MOTORCYCLE, JPN, VIN# CL125A-300001
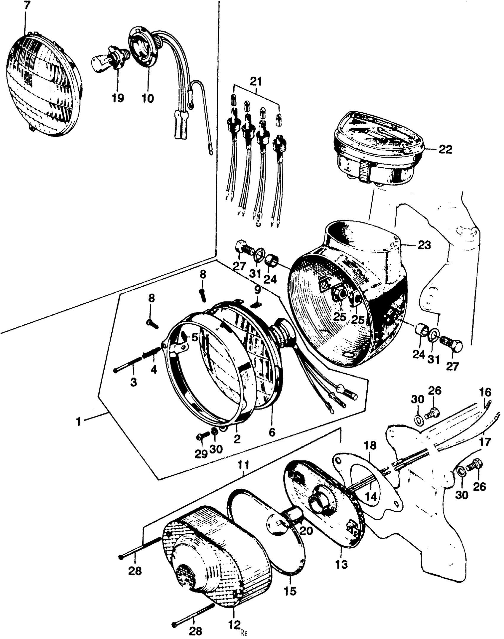
HEADLIGHT
Honda CL125AA MOTORCYCLE, JPN, VIN# CL125A-300001 HEADLIGHT Diagram
#
NI
WIRE, TAILLIGHT | Use from Frame SN 314546
33708-077-671
Unavailable
NI
CABLE, TAILLIGHT GROUND (NOT AVAILABLE) | Use from Frame SN 314546
33708-292-670
Unavailable
NI
SEAT, COLLAR (NOT AVAILABLE) | Use from Frame SN 314546
33720-243-670
Unavailable
1
HEADLIGHT ASSY. (NOT AVAILABLE) | Use from Frame SN 318626 This part replaces 33100-243-670.
33100-243-672
Unavailable
1
HEADLIGHT ASSY. (NOT AVAILABLE) | Use from Frame SN 312816 This part replaces 33100-243-671.
33100-243-672
Unavailable
1
HEADLIGHT ASSY. (NOT AVAILABLE) | Use from Frame SN 318626
33100-243-672
Unavailable
2
RIM, HEADLIGHT (NOT AVAILABLE) | Use from Frame SN 312816
33101-243-671
Unavailable
3
SCREW, HEADLIGHT BEAM ADJ. (STANLEY) (NOT AVAILABLE) | Use from Frame SN 314316
33103-292-003
$4.66
3
SCREW, HEADLIGHT BEAM ADJ.
33103-200-020
Unavailable
4
SPRING, UNIT HOLDER
33108-268-000
Unavailable
5
NUT, HEADLIGHT BEAM ADJ. | Use from Frame SN 314316 This part replaces 33117-292-003.
33117-001-023
$2.39
5
NUT, HEADLIGHT BEAM ADJ. (NOT AVAILABLE)
33117-200-023
Unavailable
6
HEADLIGHT UNIT (6V35/25W) | Use from Frame SN 318626 This part replaces 33120-243-670.
33120-243-672
$62.34
7
HEADLIGHT UNIT (6V35/25W) | Use from Frame SN 314316 This part replaces 33120-243-671.
33120-243-672
$62.34
8
SCREW, UNIT HOLDER | Use from Frame SN 314316
33125-292-670
Unavailable
8
SCREW, HEADLIGHT (NOT AVAILABLE)
33125-200-030
Unavailable
9
NUT, UNIT HOLDER (NOT AVAILABLE)
33128-200-023
Unavailable
10
SOCKET, HEADLIGHT | Use from Frame SN 312846
33110-KA8-680
Unavailable
10
SOCKET, HEADLIGHT | Use from Frame SN 312846 This part replaces 33130-243-670.
33110-KA8-680
Unavailable
11
TAILLIGHT ASSY. (NOT AVAILABLE) | Use from Frame SN 314546
33700-243-672
Unavailable
12
LENS, TAILLIGHT (NOT AVAILABLE)
33701-041-671
Unavailable
13
BASE, TAILLIGHT (NOT AVAILABLE) | Use from Frame SN 314316
33702-230-670
Unavailable
13
BASE, TAILLIGHT | Use from Frame SN 314546
33703-077-671
Unavailable
14
CABLE, TAILLIGHT GROUND (NOT AVAILABLE) | Use from Frame SN 314546 This part replaces 33708-243-670.
33708-292-670
Unavailable
14
CABLE, TAILLIGHT GROUND (NOT AVAILABLE) | Use from Frame SN 314546
33708-292-670
Unavailable
14
WIRE, TAILLIGHT This part replaces 33707-041-000.
33708-077-671
Unavailable
14
WIRE, TAILLIGHT This part replaces 33707-041-672.
33708-077-671
Unavailable
14
WIRE, TAILLIGHT This part replaces 33707-237-670.
33708-077-671
Unavailable
14
WIRE, TAILLIGHT This part replaces 33707-243-670.
33708-077-671
Unavailable
14
WIRE, TAILLIGHT This part replaces 33708-041-670.
33708-077-671
Unavailable
14
WIRE, TAILLIGHT
33708-077-671
Unavailable
15
GASKET, TAILLIGHT LENS (NOT AVAILABLE)
33709-041-000
Unavailable
16
SUB-WIRE, TAILLIGHT (NOT AVAILABLE)
33711-243-670
Unavailable
17
SUB-WIRE, STOP LIGHT (NOT AVAILABLE)
33713-243-670
Unavailable
18
SEAT, COLLAR (NOT AVAILABLE) | Use from Frame SN 314546
33720-243-670
Unavailable
18
GASKET, TAILLIGHT BASE (NOT AVAILABLE)
33719-041-300
Unavailable
19
BULB, HEADLIGHT (6V35/25W) (STANLEY) | Use from Frame SN 312846
34901-243-670
Unavailable
20
BULB, STOP & TAILLIGHT (6V17/5.3W) (1154) (STANLEY) This part replaces 34906-041-671.
34906-202-670
$11.50
20
BULB, STOP & TAILLIGHT (6V17/5.3W) (1154) (STANLEY) This part replaces 34906-205-222.
34906-202-670
$11.50
20
BULB, STOP & TAILLIGHT (6V17/5.3W) (1154) (STANLEY) This part replaces 34911-001-810.
34906-202-670
$11.50
22
SPEEDOMETER ASSY. (NOT AVAILABLE)
37200-230-680
Unavailable
23
CASE, HEADLIGHT *NH1* (BLACK) | Use from Frame SN 314316 This part replaces 61301-229-020B.
61301-229-020ZU
Unavailable
23
CASE, HEADLIGHT *NH1* (BLACK) | Use from Frame SN 314316
61301-229-020ZU
Unavailable
23
CASE, HEADLIGHT *NH1* (BLACK) | Use from Frame SN 314316 This part replaces 61301-230-681B.
61301-229-020ZU
Unavailable
23
CASE *NH2M* | Use from Frame SN 314316 This part replaces 61301-230-681T.
61301-229-020ZN
Unavailable
23
CASE *PB1C* | Use from Frame SN 314316 This part replaces 61301-230-681XK.
61301-229-020ZT
Unavailable
23
CASE, HEADLIGHT *NH7* (PEARL GRAY) (NOT AVAILABLE) | Use from Frame SN 314316
61301-230-681XM
Unavailable
24
COLLAR, HEADLIGHT CASE
61302-230-620
Unavailable
25
WASHER, HEADLIGHT CASE (NOT AVAILABLE)
61303-230-620
Unavailable
27
BOLT, HEX. (10X25) This part replaces 92000-10025-0B.
92101-10025-0B
Unavailable
27
BOLT, HEX. (10X25) This part replaces 92000-10025-02.
92101-10025-0B
Unavailable
28
SCREW, PAN (4X45)
93500-04045-0B
Unavailable
28
SCREW, PAN (4X45) This part replaces 93500-04045-02.
93500-04045-0B
Unavailable
