- Partiron
- OEM Parts
- Honda
- MOTORCYCLE
- 1977
- CJ360TA (77) MOTORCYCLE, JPN, VIN# CJ360T-2100001 TO CJ360T-2103506
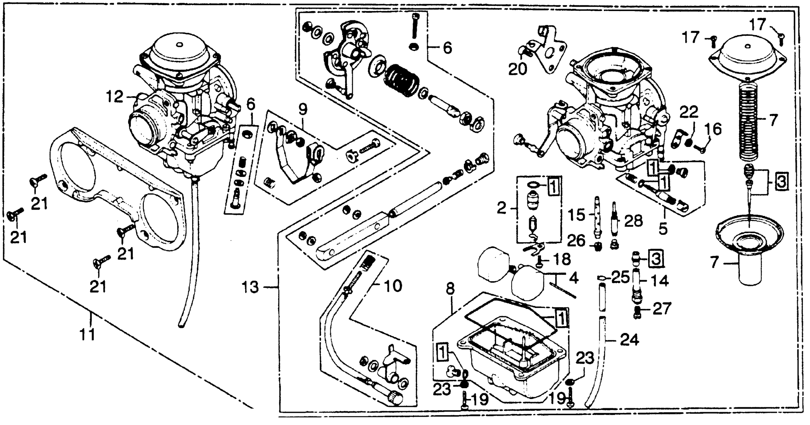
CARBURETOR
Honda CJ360TA (77) MOTORCYCLE, JPN, VIN# CJ360T-2100001 TO CJ360T-2103506 CARBURETOR Diagram
#
Description
Price
1
GASKET SET
16010-369-004
Unavailable
2
VALVE SET, FLOAT
16011-369-004
Unavailable
3
NEEDLE SET, JET (NOT AVAILABLE)
16012-388-004
Unavailable
4
FLOAT SET
16013-360-004
Unavailable
5
SCREW SET A This part replaces 16016-369-004.
16016-367-690
Unavailable
6
LINK SET (NOT AVAILABLE)
16017-369-004
Unavailable
7
PISTON SET, VACUUM
16022-369-004
Unavailable
8
CHAMBER SET B, FLOAT (NOT AVAILABLE)
16023-369-004
Unavailable
9
JOINT SET, CONNECTOR (NOT AVAILABLE)
16025-369-004
Unavailable
10
SCREW SET B
16028-369-004
Unavailable
11
CARBURETOR ASSY.
16100-388-014
Unavailable
12
CARBURETOR ASSY., R.
16101-388-014
Unavailable
13
CARBURETOR ASSY., L. (NOT AVAILABLE)
16102-388-014
Unavailable
14
HOLDER, NEEDLE JET (NOT AVAILABLE)
16165-369-004
Unavailable
15
NOZZLE, MAIN (NOT AVAILABLE)
16166-369-004
Unavailable
16
SCREW, PAN (3X7) (NOT AVAILABLE)
93500-03007-0A
Unavailable
26
JET, PRIMARY MAIN (#68) (NOT AVAILABLE)
99101-369-0680
Unavailable
27
JET, MAIN (#110)
99114-246-1100
Unavailable
28
JET, SLOW (#35)
99124-286-0351
Unavailable
