- Partiron
- OEM Parts
- Can-Am
- Wheel Vehicles
- 2026
- F3 Series
- F3 SPORT - China, 2026
- China - F3 - SPORT - E6TH - Circuit Yellow, 2026
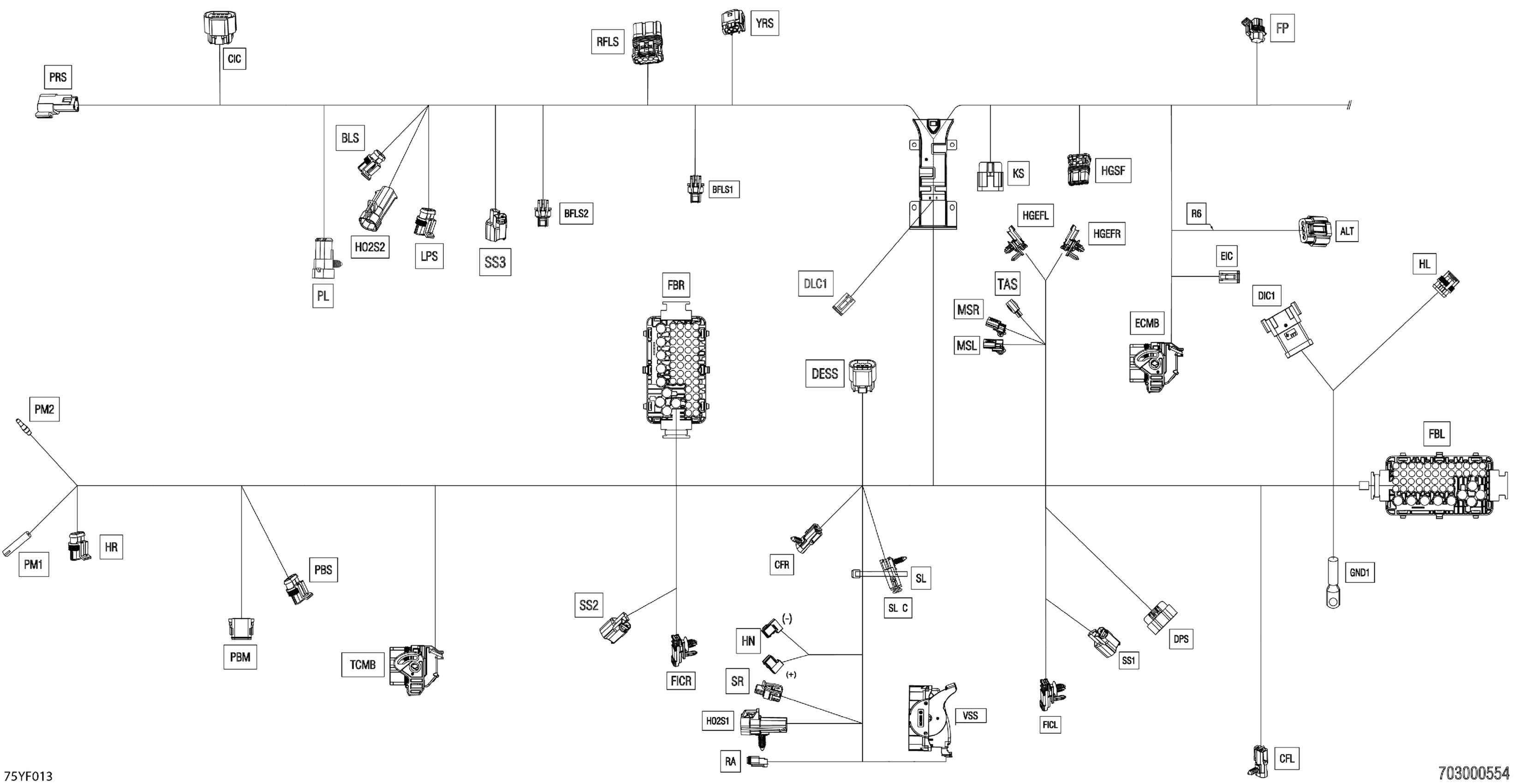
Electric - Main Harness - 710010085
Can-Am China - F3 - SPORT - E6TH - Circuit Yellow, 2026 Electric - Main Harness - 710010085 Diagram
#
Description
Price
