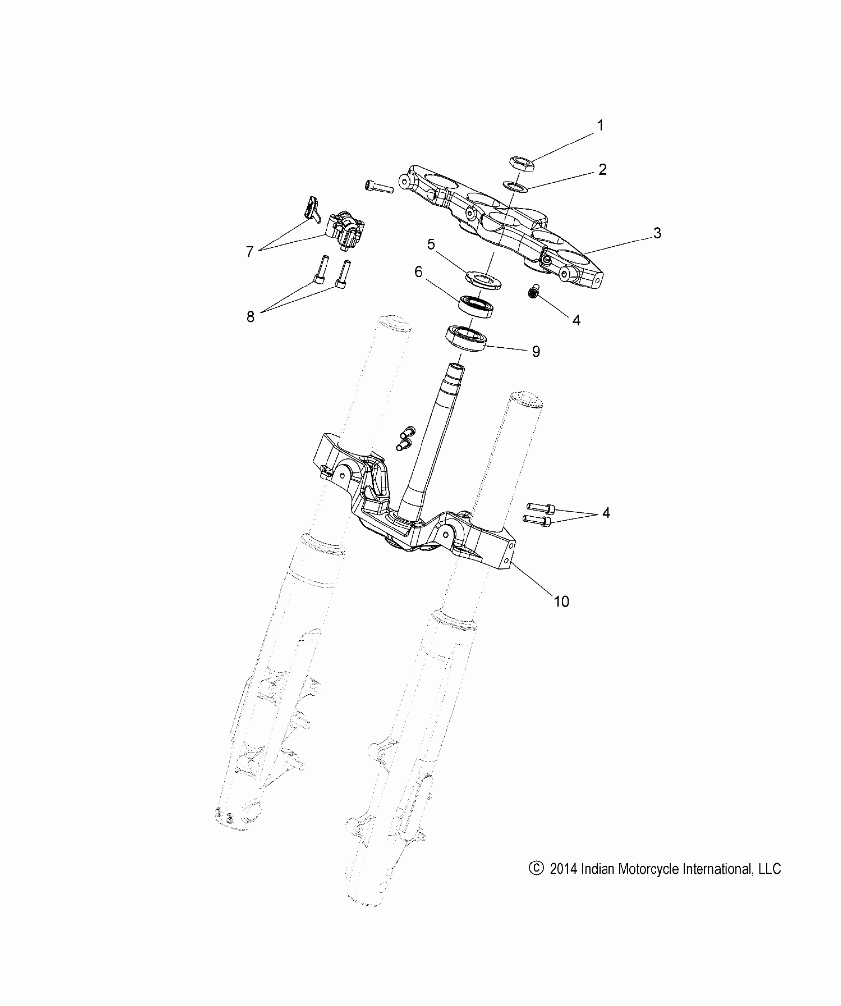
STEERING, UPPER AND LOWER CLAMPS - N15TCAAA/TRAAA ALL OPTIONS (49INDIANSTEERING15R)
#
1
5134148
Unavailable
3
5138387-626
Unavailable
4
7520004
Unavailable
4
7520004
Unavailable
5
5134094
Unavailable
6
3514549
Unavailable
7
2635146
Unavailable
7
2635192
Unavailable
9
3514416
Unavailable
10
1824174-626
Unavailable
Edit ride
