- Partiron
- OEM Parts
- Polaris
- Motorcycle
- INDIAN
- 2021
- CHIEF VINTAGE PREMIUM 111 (R01) - N21TVAAAA2/B/B2/B/C2/B/CAA2/B/B2/B/C2/B
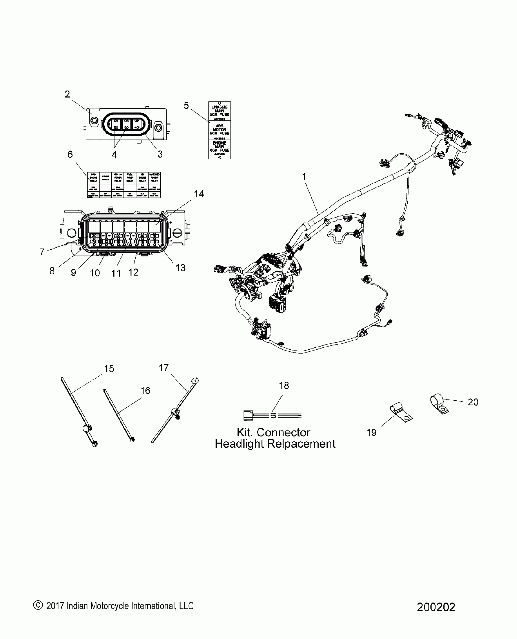
ELECTRICAL, WIRE HARNESS - N21TVACA ALL OPTIONS (200202)
Polaris CHIEF VINTAGE PREMIUM 111 (R01) - N21TVAAAA2/B/B2/B/C2/B/CAA2/B/B2/B/C2/B ELECTRICAL, WIRE HARNESS - N21TVACA ALL OPTIONS (200202) Diagram
#
Description
Price
1
HARNESS-CHASSIS CRUISER,IND,V7 (INCL. 1-14)
2414977
Unavailable
2
FUSEBOX, JCASE, 3 FUSE
4013563
Unavailable
2
COVER, FUSEBOX, JCASE
4013565
Unavailable
4
FUSE, CARTRIDGE, 50A
4013892
Unavailable
5
DECAL, JCASE
7179952
Unavailable
6
DECAL, FUSEBOX
7186161
Unavailable
8
FUSE - 7.5, MINI BLADE (BROWN)
4011068
Unavailable
10
FUSE-PARK,20 AMP
2434017
Unavailable
11
FUSE-5A,MINI BLADE
4011652
Unavailable
13
FUSE-MINI BLADE,15 AMP
2410280
Unavailable
14
RELAY, SPST, 12V, 20A, SEALED, HFA
4016186
Unavailable
15
CLIP-M5,STUD MOUNT TIE,146MM
7081909
Unavailable
18
KIT, HEADLIGHT CONNECTOR REPLACEMENT
2205394
Unavailable
