- Partiron
- OEM Parts
- Polaris
- Motorcycle
- INDIAN
- 2014
- CHIEF CLASSIC/CHIEF VINTAGE/CHIEFTAIN ALL OPTIONS - N14CCC/CCV/TCA
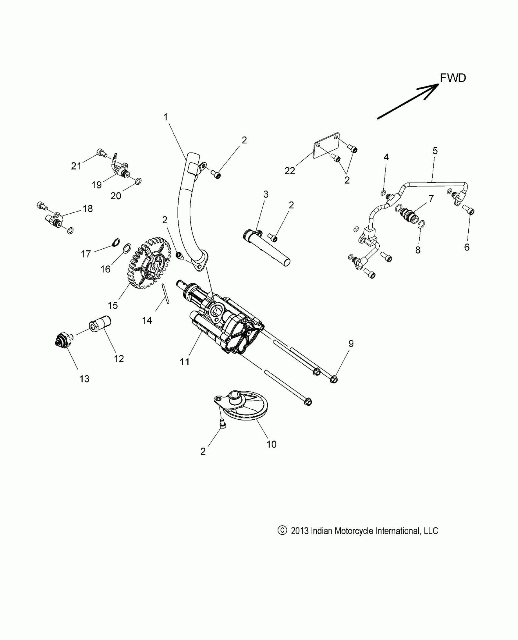
ENGINE, OIL PUMP/OIL SYSTEM - N14CCC/CCV/TCA ALL OPTIONS (49INDIANOILPUMP14)
Polaris CHIEF CLASSIC/CHIEF VINTAGE/CHIEFTAIN ALL OPTIONS - N14CCC/CCV/TCA ENGINE, OIL PUMP/OIL SYSTEM - N14CCC/CCV/TCA ALL OPTIONS (49INDIANOILPUMP14) Diagram
#
Description
Price
1
TUBE, OIL SCAVENGE
2521284
Unavailable
3
SCREEN,OIL INLET, SCAVENGE
2521285
Unavailable
4
O-RING
5414595
Unavailable
5
PIPE, OIL FEED
2521318
Unavailable
7
COUPLER, OIL FEED, CAM COVER
2521320
Unavailable
8
O-RING
5412027
Unavailable
9
SCREW
7517256
Unavailable
10
SCREEN, OIL INLET PICKUP
2521288
Unavailable
11
ASM, OIL PUMP
1205020
Unavailable
12
FITTING
5138224
Unavailable
13
SWITCH, OIL PRESSURE [SEE ELECTRICAL-SWITCHES and COMPONENTS]
-------
Unavailable
14
PIN, DOWEL
7662123
Unavailable
15
GEAR, OIL PUMP DRIVE
2521304
Unavailable
18
NOZZLE, PISTON COOLING, REAR
2521317
Unavailable
19
NOZZLE, PISTON COOLING, FRONT
2521316
Unavailable
20
O-RING
5414595
Unavailable
22
PLATE, BAFFLE, OIL CONTROL
2521290
Unavailable
