Partiron

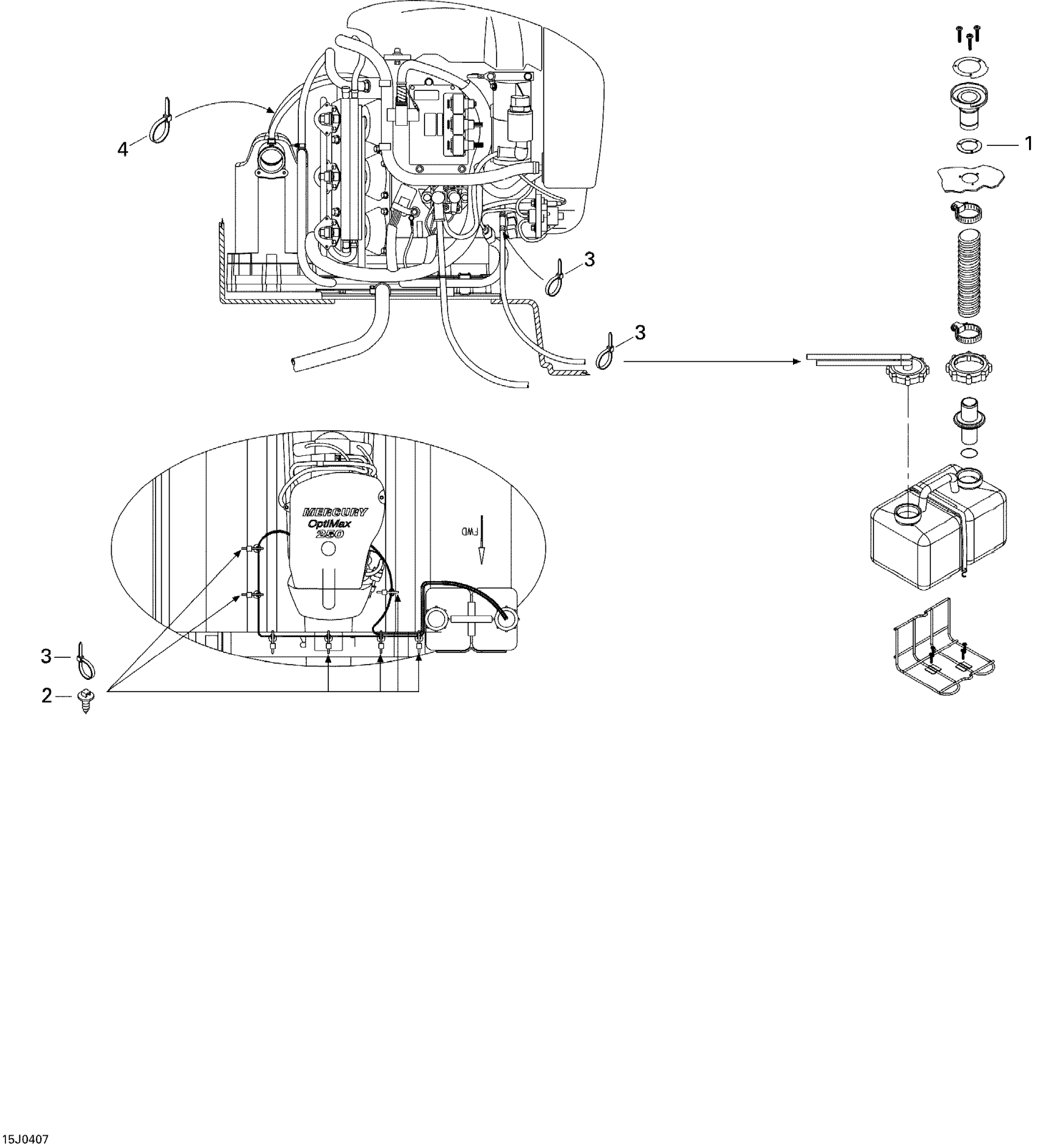
Sea-doo Challenger X 240 EFI/250 Optimax, 2004 Oil Injection System Diagram

#

Description
Price

1

Gasket

204550139

Unavailable

2

Mount Dart

293730040

$1.04

3

Tie-Rap 180 mm

414115200

$0.11

4

Tie Wrap 142 mm

293750002

$1.25