- Partiron
- OEM Parts
- Sea-doo
- Boats
- 1997
- Challenger
- Challenger, 5603/5606, 1997
Cooling System
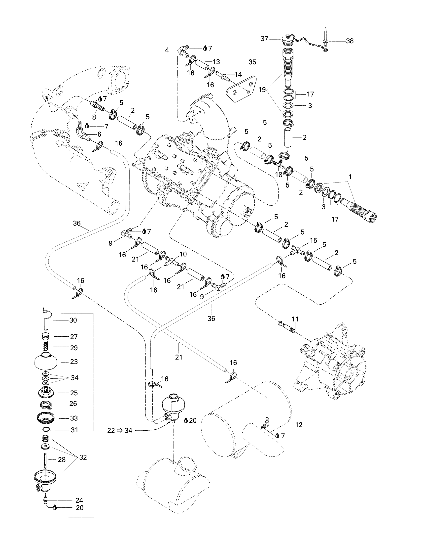
Sea-doo Challenger, 5603/5606, 1997 Cooling System Diagram
#
Description
Price
1
Fitting
293710063
Unavailable
3
WASHER - Call your local BRP dealership
293050003
Unavailable
4
Elbow Fitting 90°
293710018
Unavailable
6
Elbow Fitting 90°
293710048
Unavailable
9
Elbow Fitting
293700016
Unavailable
10
T-FITTING - Call your local BRP dealership
293710061
Unavailable
11
FITTING-PUMP - Call your local BRP dealership
293700019
Unavailable
12
Elbow Fitting
293700016
Unavailable
14
BLEED FITTING - Call your local BRP dealership
291000306
Unavailable
17
GASKET - Call your local BRP dealership
293250028
Unavailable
18
T-FITTING - Call your local BRP dealership
293710053
Unavailable
19
Fitting
293710063
Unavailable
22
PRESURE REGULATOR ASS'Y - Call your local BRP dealership | Includes 22 - 34.
274000576
Unavailable
24
MALE CONNECTOR - Call your local BRP dealership
293700010
Unavailable
25
EXHAUST VALVE - Call your local BRP dealership
420253255
Unavailable
26
Rivalair Clamp
293650065
Unavailable
28
FEEDING ROD - Call your local BRP dealership
274000423
Unavailable
29
SPRING 44 MM - Call your local BRP dealership
274000382
Unavailable
30
SPRING CLIP - Call your local BRP dealership
420838083
Unavailable
31
SPRING CLAMP - Call your local BRP dealership
420838190
Unavailable
32
Not Available As Spare Part - Friction Washer
Unavailable
34
Flat Washer
213200017
Unavailable
35
Finition Plate
291000544
Unavailable
37
PLUG - Call your local BRP dealership
293000055
Unavailable
38
RIVET_POP 1/8 X ,625 - Call your local BRP dealership
293150023
Unavailable
