- Partiron
- OEM Parts
- Sea-doo
- Boats
- 2000
- Challenger 2000
- Challenger 2000,
Electrical System
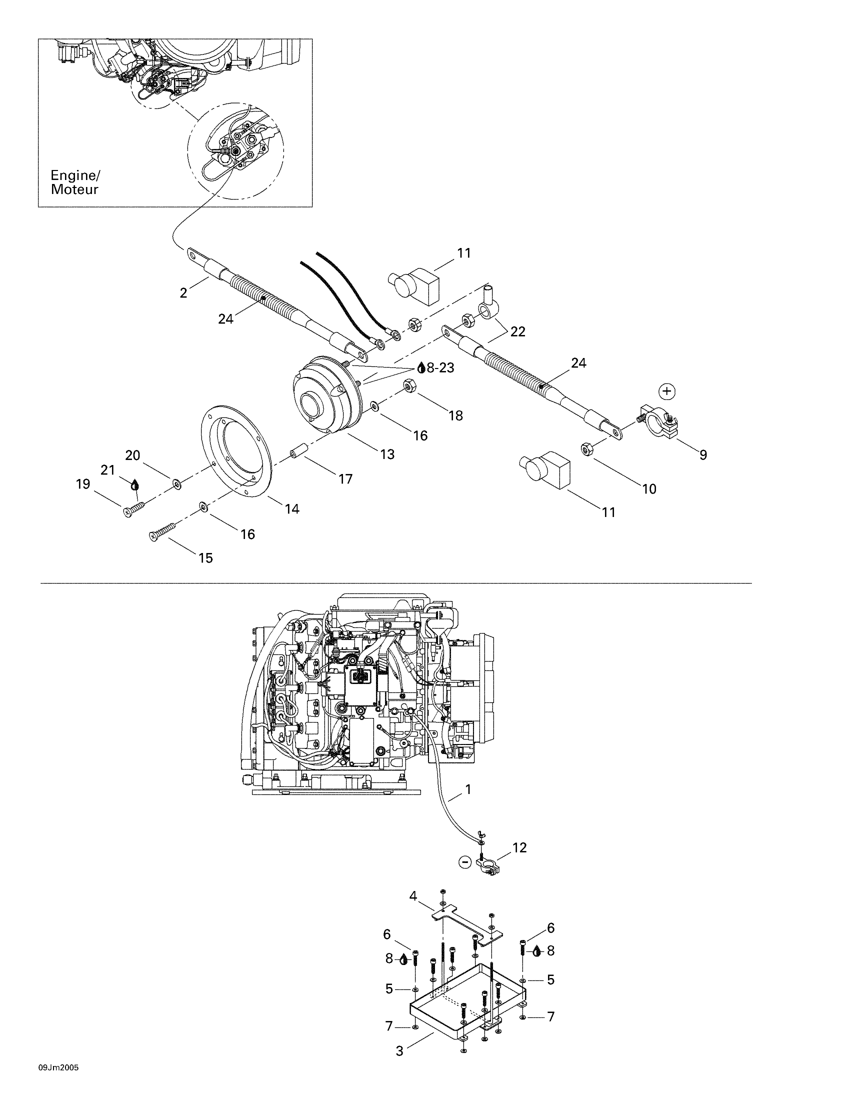
Sea-doo Challenger 2000, Electrical System Diagram
#
Description
Price
1
Battery Ground Cable
204470389
Unavailable
2
Positive Cable, Red
204470386
Unavailable
Switch Cable, Positive
204470426
Unavailable
3
BATTERY SUPPORT - Call your local BRP dealership
204471008
Unavailable
4
TOP BATTERY SUPPORT - Call your local BRP dealership
204471290
Unavailable
5
FLAT WASHER - Call your local BRP dealership
211200019
Unavailable
7
FLAT WASHER, PLASTIC - Call your local BRP dealership
211200029
Unavailable
9
POSITIVE BATTERY POLE - Call your local BRP dealership
204470349
Unavailable
10
HEX. NUT 3/8-16 - Call your local BRP dealership
211100063
Unavailable
11
Red Boot
204470388
Unavailable
12
NEGATIVE BATTERY POLE - Call your local BRP dealership
204470348
Unavailable
13
Battery Switch
204470329
Unavailable
14
SWITCH SUPPORT - Call your local BRP dealership
204470259
Unavailable
17
NYLON SPACER - Call your local BRP dealership
204470330
Unavailable
19
PHILLIPS SCREW M4 X 25 - Call your local BRP dealership
208642560
Unavailable
22
Positive Switch Cable
204470387
Unavailable
24
SLIT CONDUIT, METER - Call your local BRP dealership
204550015
Unavailable
