Partiron

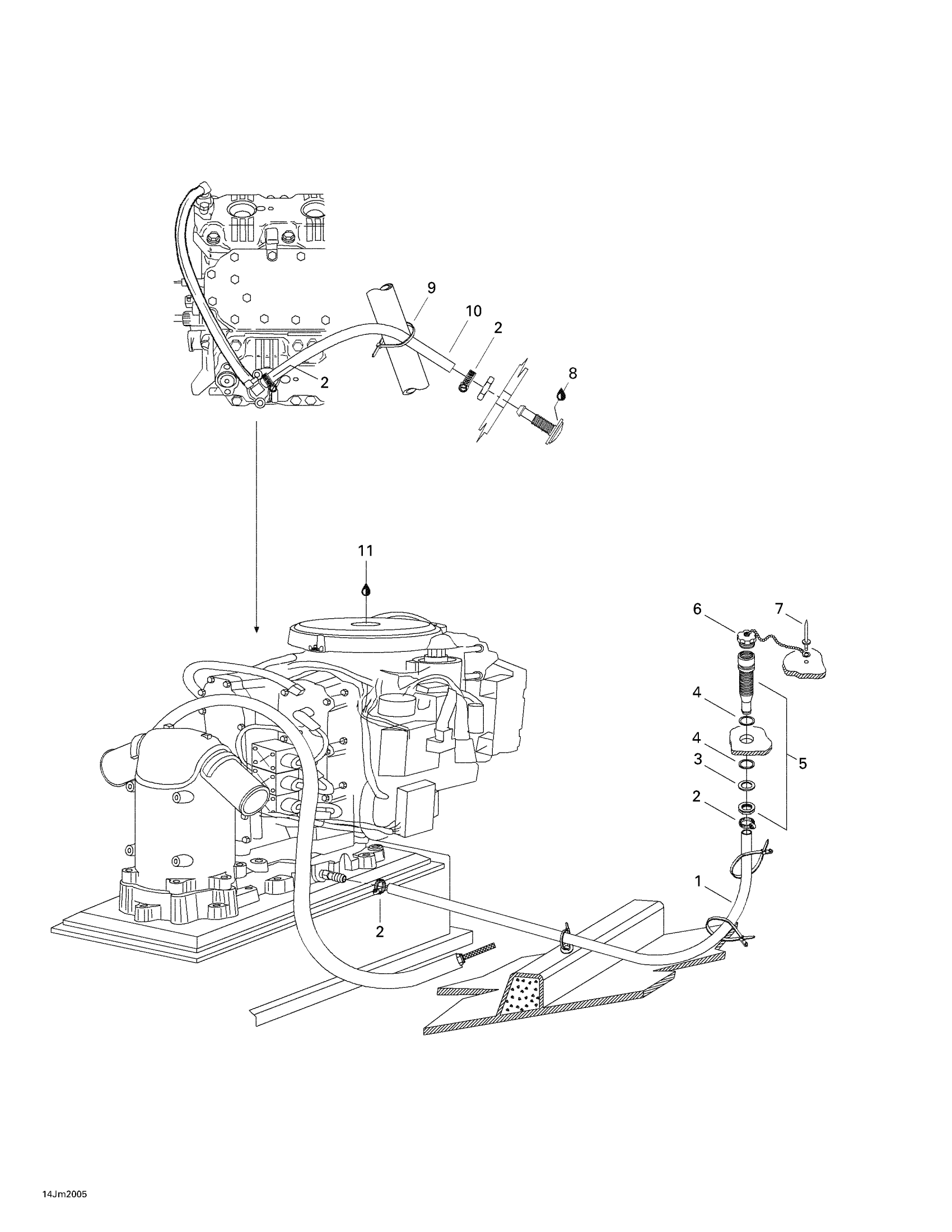
Sea-doo Challenger 2000, Cooling System Diagram

#

Description
Price

1

Was 276000001 Hose 12.5 mm

219704394

$51.99

2

Tridon Clamp

293650016

$10.99

3

WASHER - Call your local BRP dealership

293050003

Unavailable

4

GASKET - Call your local BRP dealership

293250028

Unavailable

5

FITTING - Call your local BRP dealership

293710081

Unavailable

6

PLUG - Call your local BRP dealership

293000055

Unavailable

7

RIVET_POP 1/8 X ,625 - Call your local BRP dealership

293150023

Unavailable

8

Silicone Sealant 51388, 300 ml

296000309

$36.99

9

Tie-Rap

293750017

Unavailable

10

Hose, Meter

204250093

Unavailable

11

Synthetic Grease, 400 G

293550010

Unavailable