Challenger 1800, 5691, 2000
01- Cooling System
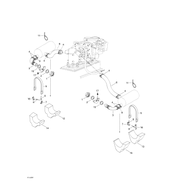
01- Exhaust System
02- Fuel System
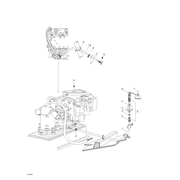
02- Oil Injection System
05- Control Handle
05- Propulsion
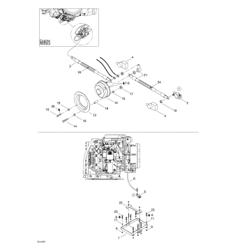
07- Steering System
09- Body And Accessories 1
09- Body And Accessories 2
09- Body And Accessories 3
09- Decals
09- Driver Passenger Seat
09- Front
09- Front Storage Compartment
10- Electrical Accessories 1
10- Electrical Accessories 2
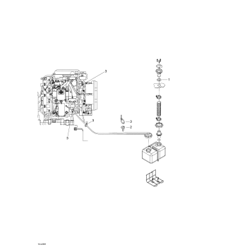
10- Electrical System
10- Typical Electrical Connections
Fuel Your Passion
Parts That Keep You Riding
Edit ride