Challenger 1800, 5446 (240 EFI), 2001
01- Cooling System
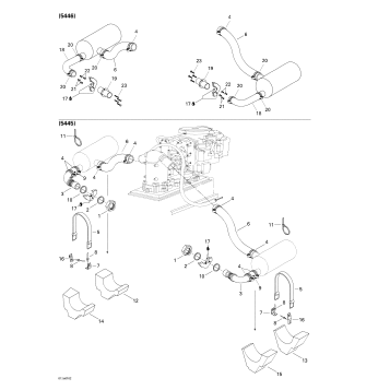
01- Exhaust System
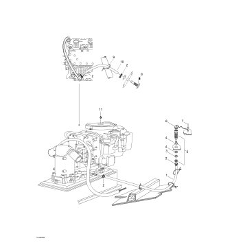
02- Fuel System
02- Oil Injection System
05- Control Handle
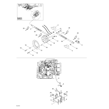
05- Propulsion
07- Steering System
09- Body And Accessories 1
09- Body And Accessories 2
09- Body And Accessories 3
09- Decals
09- Driver Seat
09- Front
09- Front Storage Compartment
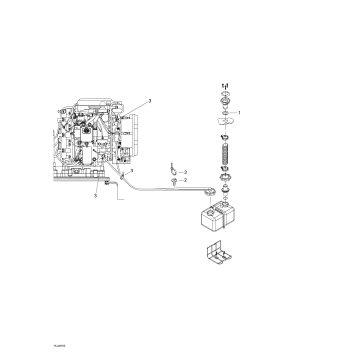
10- Electrical Accessories 1
10- Electrical Accessories 2
10- Electrical System
10- Typical Electrical Connections
Fuel Your Passion
Parts That Keep You Riding
Edit ride