- Partiron
- OEM Parts
- Sea-doo
- Boats
- 1997
- Challenger 1800
- Challenger 1800, 5600/5601, 1997
Electrical Box
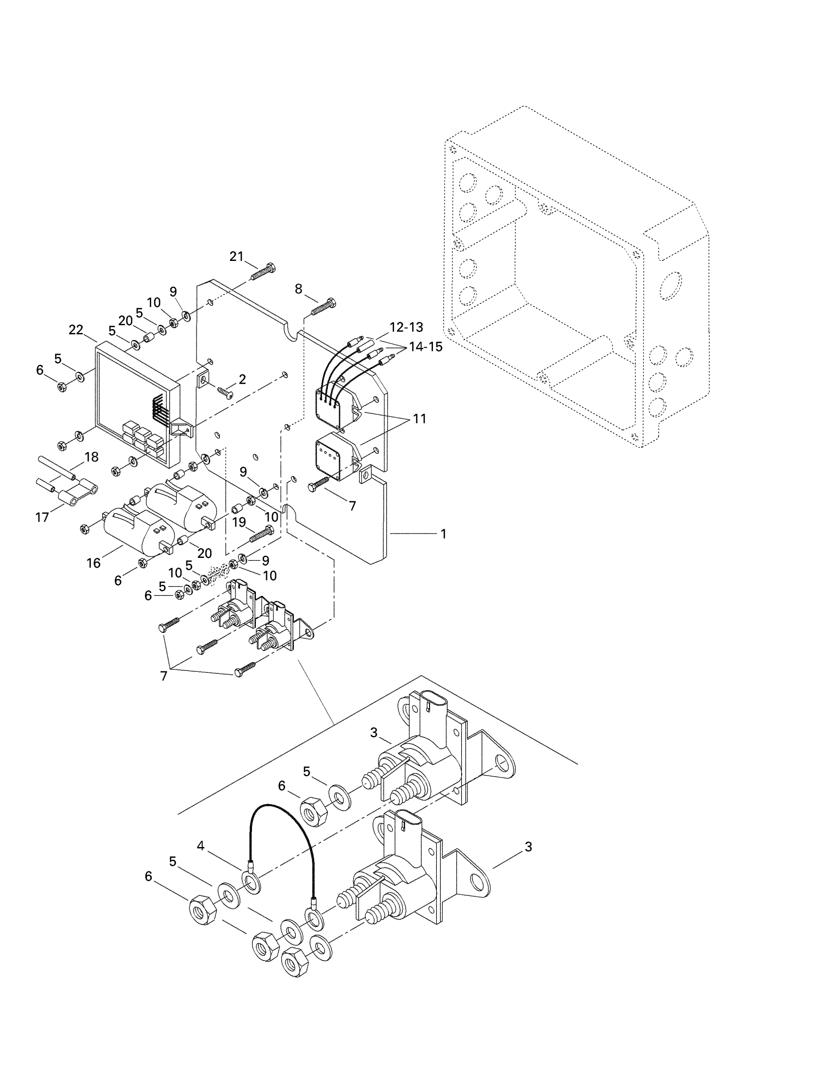
Sea-doo Challenger 1800, 5600/5601, 1997 Electrical Box Diagram
#
Description
Price
1
Mounting Plate
204470008
Unavailable
2
TAPPING PHILLIPS SCREW M4.2 X 13 - Call your local BRP dealership
209641360
Unavailable
4
Junction Cable
204470073
Unavailable
11
Rectifier Ass'y | Includes 14 - 18.
278000443
Unavailable
16
Ignition Coil
204470092
Unavailable
18
Spark Plug Wire
204470093
Unavailable
19
Hex. Screw M6 x 75
222067565
Unavailable
20
Spacer 30 mm
204470046
Unavailable
21
Not Available As Spare Part - Friction Washer
Unavailable
22
Electronic Module | Includes 38 - 55.
204470076
Unavailable
