- Partiron
- OEM Parts
- Sea-doo
- Boats
- 1997
- Challenger 1800
- Challenger 1800, 5600/5601, 1997
Oil Injection System
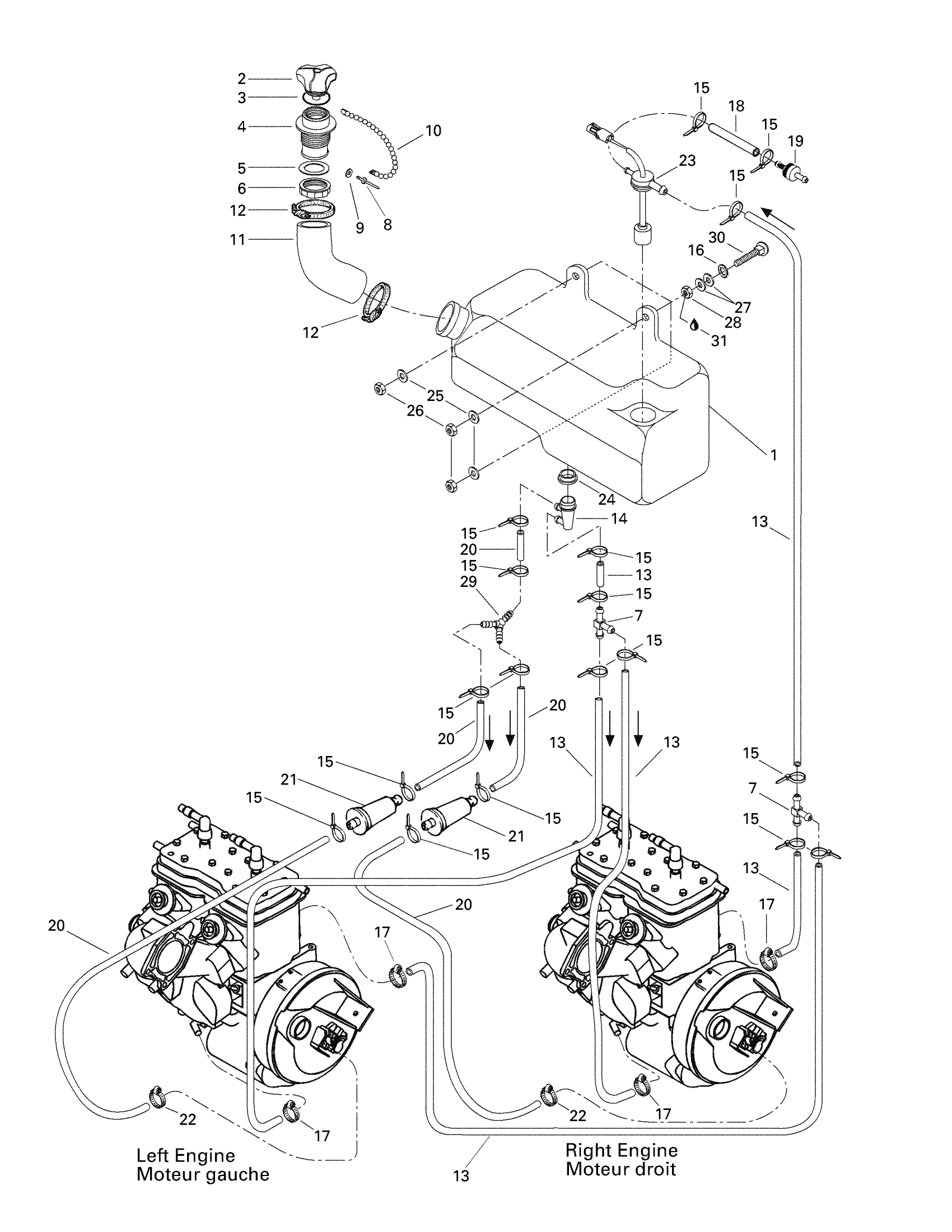
Sea-doo Challenger 1800, 5600/5601, 1997 Oil Injection System Diagram
#
Description
Price
1
Oil Tank
204550014
Unavailable
2
BAFFLE (SP 96) - Call your local BRP dealership | Includes 2 - 3.
275500186
Unavailable
3
O-RING - Call your local BRP dealership
293250025
Unavailable
4
Filler Neck
275000212
Unavailable
5
Gasket
293250016
Unavailable
6
Nut-Neck Oil Filler
211100013
Unavailable
7
T-FITTING - Call your local BRP dealership
293710053
Unavailable
10
Oil Cap Chain
275500015
Unavailable
11
Formed Hose
204550002
Unavailable
14
FITTING ELBOW 90 - Call your local BRP dealership
293710051
Unavailable
16
WASHER-LOCK TOOTHED DIN.6797A-A2 - Call your local BRP dealership
213400001
Unavailable
20
Hose 8 mm
275500007
Unavailable
21
OIL FILTER - Call your local BRP dealership
275000051
Unavailable
23
OIL LEVEL SENSOR ASS'Y - Call your local BRP dealership | Includes 33 - 36.
204470106
Unavailable
26
NUT-STOP ELASTIC MS-17830 - Call your local BRP dealership
212000005
Unavailable
28
HEX. NUT 1/4 - Call your local BRP dealership
211100026
Unavailable
29
Y-Fitting
204550001
Unavailable
30
Elevator Bolt
204000130
Unavailable
