- Partiron
- OEM Parts
- Honda
- MOTOR SCOOTER
- 1992
- CH80A (92) ELITE 80, MEX, VIN# 3H1HF030-ND700001
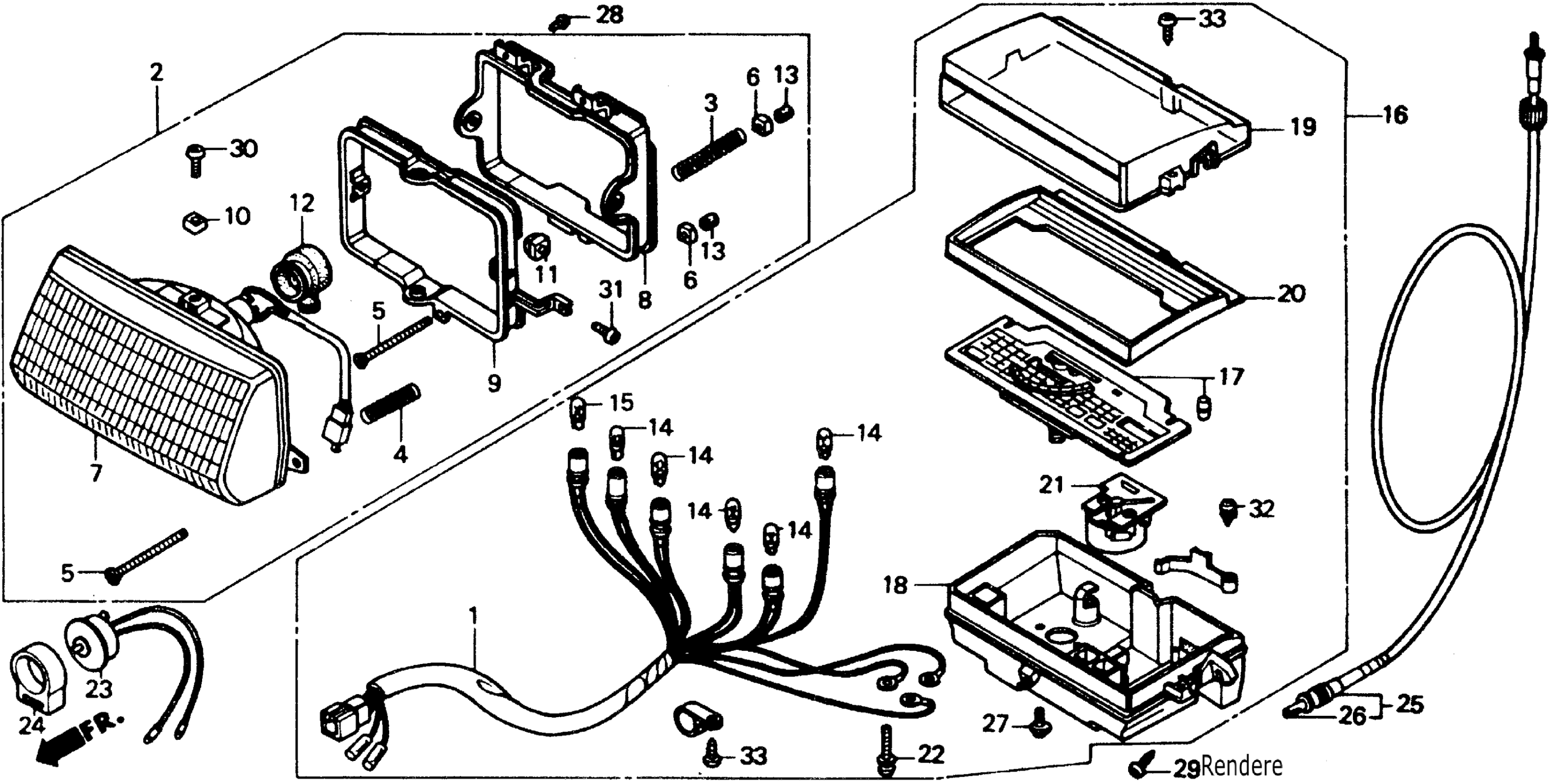
HEADLIGHT
Honda CH80A (92) ELITE 80, MEX, VIN# 3H1HF030-ND700001 HEADLIGHT Diagram
#
Description
Price
2
HEADLIGHT ASSY.
33100-GE1-671
Unavailable
3
SPRING, BEAM ADJUSTING
33106-GE1-670
Unavailable
4
SPRING, BEAM ADJUSTING
33107-GE1-670
Unavailable
7
HEADLIGHT UNIT
33120-GE1-670
Unavailable
8
RING A, MOUNTING
33121-GE1-670
Unavailable
12
COVER, RUBBER
33130-111-671
Unavailable
16
SPEEDOMETER ASSY. (MPH)
37200-GE1-771
Unavailable
17
SPEEDOMETER
37210-GE1-670
Unavailable
20
PLATE ASSY., REFLECTING
37217-GE1-670
Unavailable
21
METER ASSY., FUEL
37300-GE1-771
Unavailable
26
CABLE (INNER)
44831-GE0-710
Unavailable
